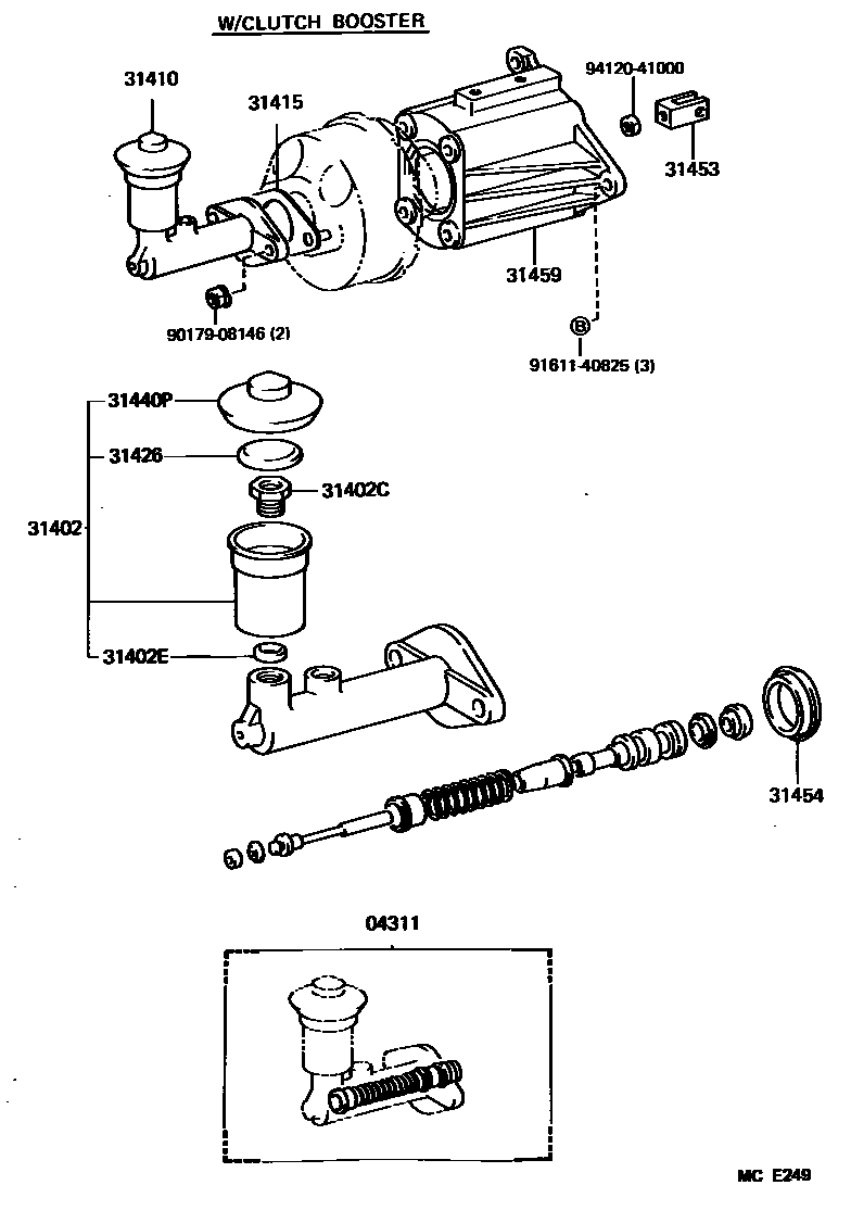
CLUTCH MASTER CYLINDER

04311CYLINDER KIT, CLUTCH MASTER
31402RESERVOIR SUB-ASSY, CLUTCH MASTER CYLINDER
31402CBOLT, CLUTCH MASTER CYLINDER RESERVOIR SET
31402ERING(FOR CLUTCH MASTER CYLINDER RESERVOIR)
31410CYLINDER ASSY, CLUTCH MASTER
31415GASKET, CLUTCH MASTER CYLINDER
sub47275-26010
31426FLOAT, CLUTCH MASTER CYLINDER RESERVOIR
31440PCAP ASSY, CLUTCH MASTER CYLINDER RESERVOIR FILLER
31453CLEVIS, CLUTCH MASTER CYLINDER PUSH ROD
31454BOOT, CLUTCH MASTER CYLINDER
31459BRACKET, CLUTCH MASTER CYLINDER
9017908146
main90179-08146
9161140825
main91611-40825
9412041000
main94120-41000
14 parts on this diagram · 2 diagrams in section