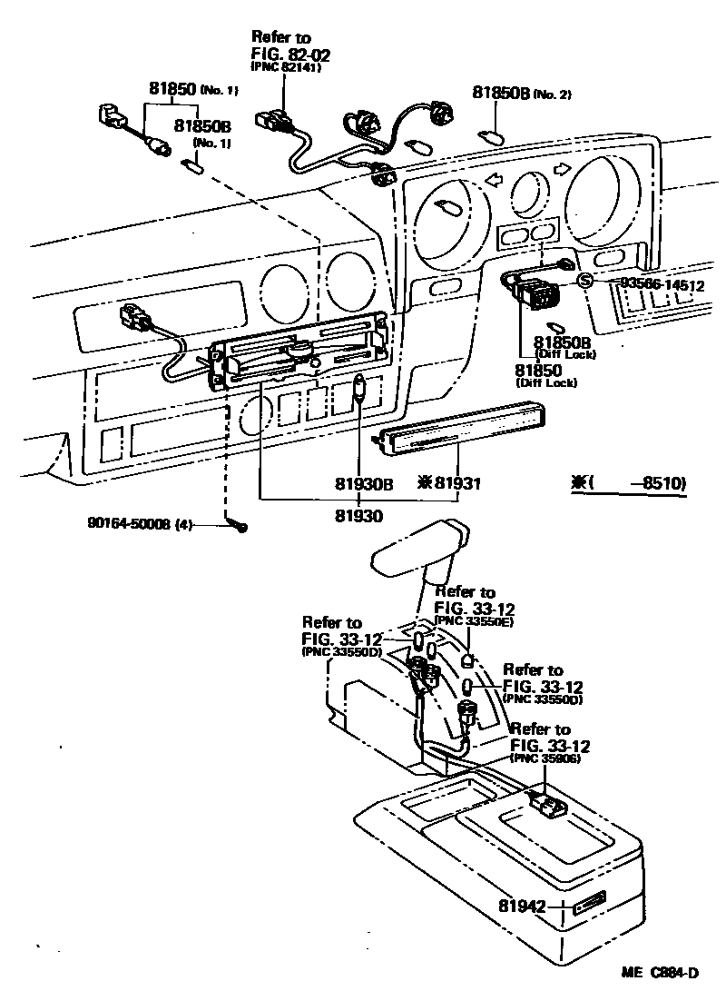
INDICATOR

3312SHIFT LEVER & RETAINER
81850LAMP ASSY, INDICATOR
NO.1
NO.1
DIFF LOCK
DIFF LOCK
DIFF LOCK
81850BBULB, INDICATOR LAMP
12V 1.4W,NO.1
24V 1.4W,NO.1
81930LAMP ASSY, HEATER CONTROL INDICATOR, NO.1
81930BBULB, HEATER CONTROL INDICATOR LAMP
81931LENS, HEATER CONTROL INDICATOR
81942SHEET, HEATER CONTROL NAME
8202WIRING & CLAMP
9016450008
main90164-50008
9356614512
main93566-14512
10 parts on this diagram · 1 diagram in section