E
EPC Data

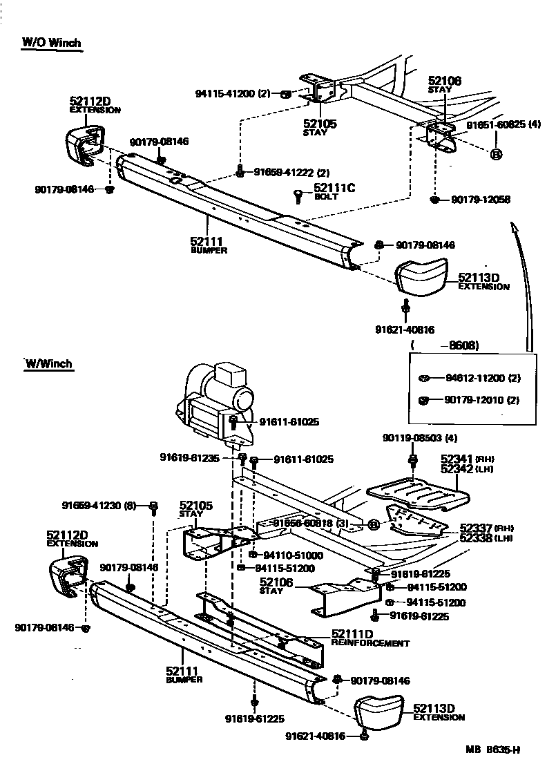
FRONT BUMPER & BUMPER STAY

Parts diagram
52105STAY SUB-ASSY, FRONT BUMPER, RH
main52130-60010i198008-198411
W/WINCH
main52130-60011i198411-198708
W/WINCH
main52141-60030i198008-198708
W/O WINCH
52106STAY SUB-ASSY, FRONT BUMPER, LH
main52140-60010i198008-198411
W/WINCH
main52140-60011i198411-198708
W/WINCH
main52142-60030i198008-198708
W/O WINCH
52111BUMPER ASSY, FRONT
main52111-60110i198008-198210
W/O WINCH
main52111-60120i198008-198708
CHROME,W/O WINCH
main52111-60130i198210-198411
W/WINCH
main52111-60131i198411-198708
W/WINCH
main52111-60140i198008-198411
CHROME,W/WINCH
main52111-60141i198411-198708
CHROME,W/WINCH
52111CBOLT, ROUND HEAD SQUARE NECK(FOR FRONT BUMPER)
main90112-12041×4i198008-198708
W/O WINCH
52111DREINFORCEMENT, FRONT BUMPER
main52131-60020i198008-198708
W/WINCH
52112DEXTENSION, FRONT BUMPER, RH
main52102-60010i198008-198708
52113DEXTENSION, FRONT BUMPER, LH
main52103-60010i198008-198708
52337STAY, FRONT BUMPER STEP, RH
main52337-90A00i198411-198708
52338STAY, FRONT BUMPER STEP, LH
main52338-90A00i198411-198708
52341STEP, FRONT BUMPER, RH
main52341-90A00i198411-198708
W/WINCH
main52341-90A01i198411-198708
CHROME,W/WINCH
52342STEP, FRONT BUMPER, LH
main52342-90A00i198411-198708
W/WINCH
main52342-90A01i198411-198708
CHROME,W/WINCH
9011908503
9017908146
9017912010
9017912058
9161161025
9161961225
9161961235
9162140816
9165160825
9165660818
9165941222
9165941230
9411051000
9411541200
9411551200
9461211200

27 parts on this diagram · 2 diagrams in section

FRONT BUMPER & BUMPER STAY — Toyota Parts Diagram with OEM Numbers & Prices | EPC Data