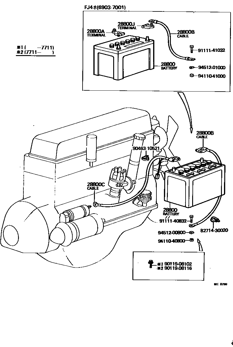
BATTERY & BATTERY CABLE

28800BATTERY
28800ATERMINAL, BATTERY POSITIVE
FOR ELECTRICAL WINCH
28800BCABLE, BATTERY TO GROUND
28800CCABLE, BATTERY TO STARTER(FOR BATTERY TO MAIN SWITCH)
FOR ELECTRICAL WINCH
28800JTERMINAL, BATTERY NEGATIVE
8271430020
main82714-30020
9011908102
main90119-08102
9011908116
main90119-08116
9046310521
main90463-10521
9111140832
main91111-40832
9111141032
main91111-41032
9411040800
main94110-40800
9411041000
main94110-41000
9451200800
main94512-00800
9451201000
main94512-01000
15 parts on this diagram · 2 diagrams in section