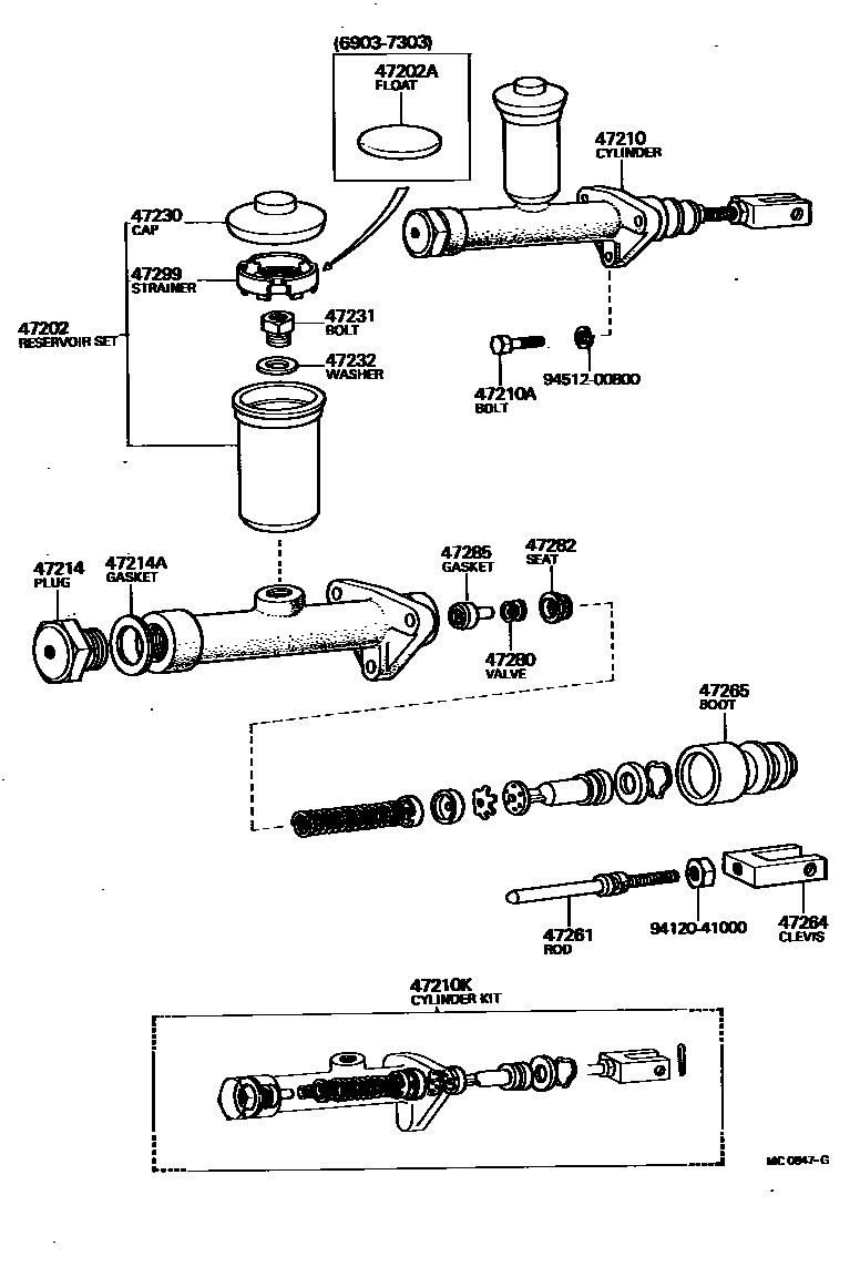
BRAKE MASTER CYLINDER

47202RESERVOIR SUB-ASSY, BRAKE MASTER CYLINDER
FOR SINGLE MASTER CYLINDER
FOR TANDEM MASTER CYLINDER
47202AFLOAT, MASTER CYLINDER RESERVOIR
FOR TANDEM MASTER CYLINDER
FOR SINGLE MASTER CYLINDER
47210CYLINDER ASSY, MASTER, W/O BOOSTER
SINGLE MASTER CYLINDER
TANDEM MASTER CYLINDER
FOR FRONT DRUM BRAKE
FOR FRONT DRUM BRAKE
FOR FRONT DISC BRAKE
47210ABOLT OR STUD BOLT(FOR BRAKE MASTER CYLINDER SETTING)
sub91111-50825
47210KCYLINDER KIT, BRAKE MASTER
FOR SINGLE MASTER CYLINDER
FOR TANDEM MASTER CYLINDER
FOR FRONT DRUM BRAKE
FOR FRONT DISC BRAKE
47214AGASKET(FOR MASTER CYLINDER CAP)
47230CAP ASSY, BRAKE MASTER CYLINDER RESERVOIR FILLER
FOR TANDEM MASTER CYLINDER
47231BOLT, BRAKE MASTER CYLINDER RESERVOIR SET
47232WASHER, BRAKE RESERVOIR SET BOLT
47261ROD, MASTER CYLINDER PUSH
47264CLEVIS, MASTER CYLINDER PUSH ROD
47265BOOT, MASTER CYLINDER
FOR FRONT DISC BRAKE
FOR FRONT DRUM BRAKE
FOR FRONT DRUM BRAKE
47280VALVE ASSY, BRAKE MASTER CYLINDER OUTLET CHECK
FOR TANDEM MASTER CYLINDER
FOR TANDEM MASTER CYLINDER
FOR FRONT DRUM BRAKE
47282SEAT, OUTLET CHECK VALVE SEAT
sub47280-25010
47285GASKET, OUTLET CHECK VALVE SEAT
sub47280-25010
47299STRAINER, BRAKE MASTER CYLINDER RESERVOIR
FOR SINGLE MASTER CYLINDER
FOR TANDEM MASTER CYLINDER
9412041000
main94120-41000
9451200800
main94512-00800
19 parts on this diagram · 5 diagrams in section