TRANSFER VALVE BODY & VALVE LEVER

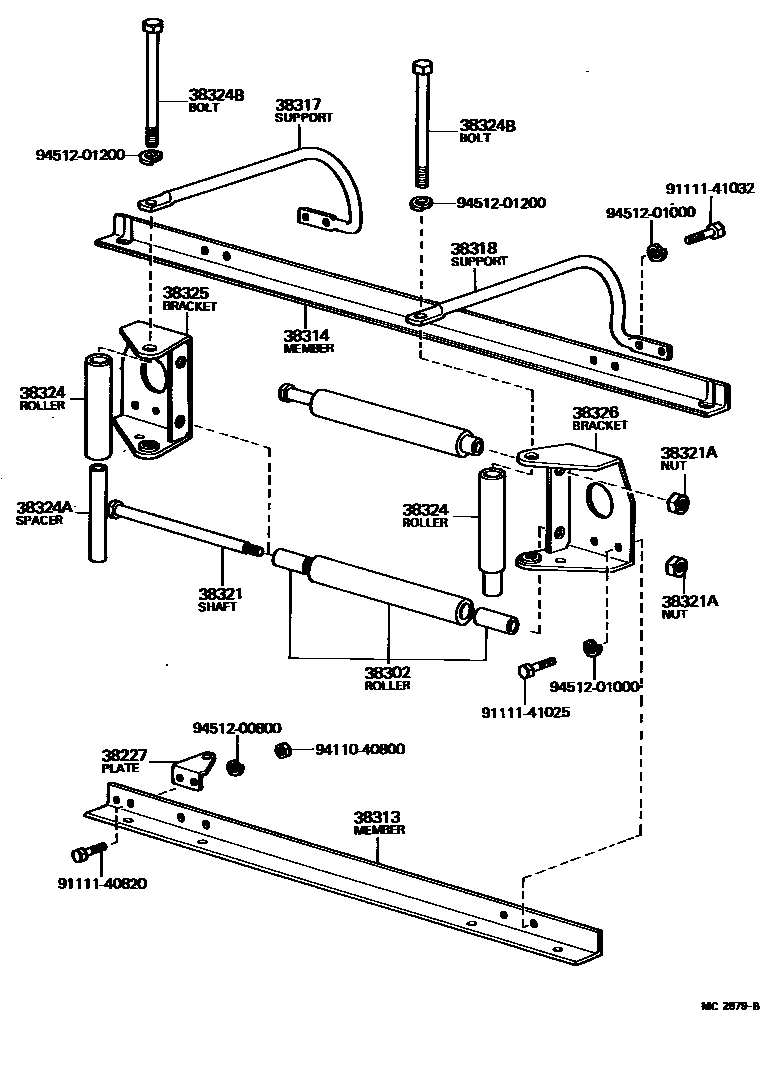
38227PLATE, WINCH CLUTCH LEVER SHIFT LOCK
38302ROLLER SUB-ASSY, WINCH WIRE GUIDE
38314MEMBER, REAR BASE
38317SUPPORT, ROLLER BRACKET, NO.1
38318SUPPORT, ROLLER BRACKET, NO.2
38321SHAFT, WINCH ROLLER
38321ANUT, HEXAGON (FOR WINCH ROLLER SHAFT)
38324ROLLER, WINCH WIRE GUIDE, NO.2
MECHANICAL
ELECTRIC
38324ASPACER, WINCH WIRE GUIDE ROLLER
38324BBOLT, HEXAGON (FOR WINCH WIRE GUIDE ROLLER)
ISO
38325BRACKET, WINCH ROLLER, NO.1
MECHANICAL
ELECTRIC
38326BRACKET, WINCH ROLLER, NO.2
ISO
9111140820
main91111-40820
9111141025
main91111-41025
9111141032
main91111-41032
9411040800
main94110-40800
9451200800
main94512-00800
9451201000
main94512-01000
9451201200
main94512-01200
20 parts on this diagram · 6 diagrams in section