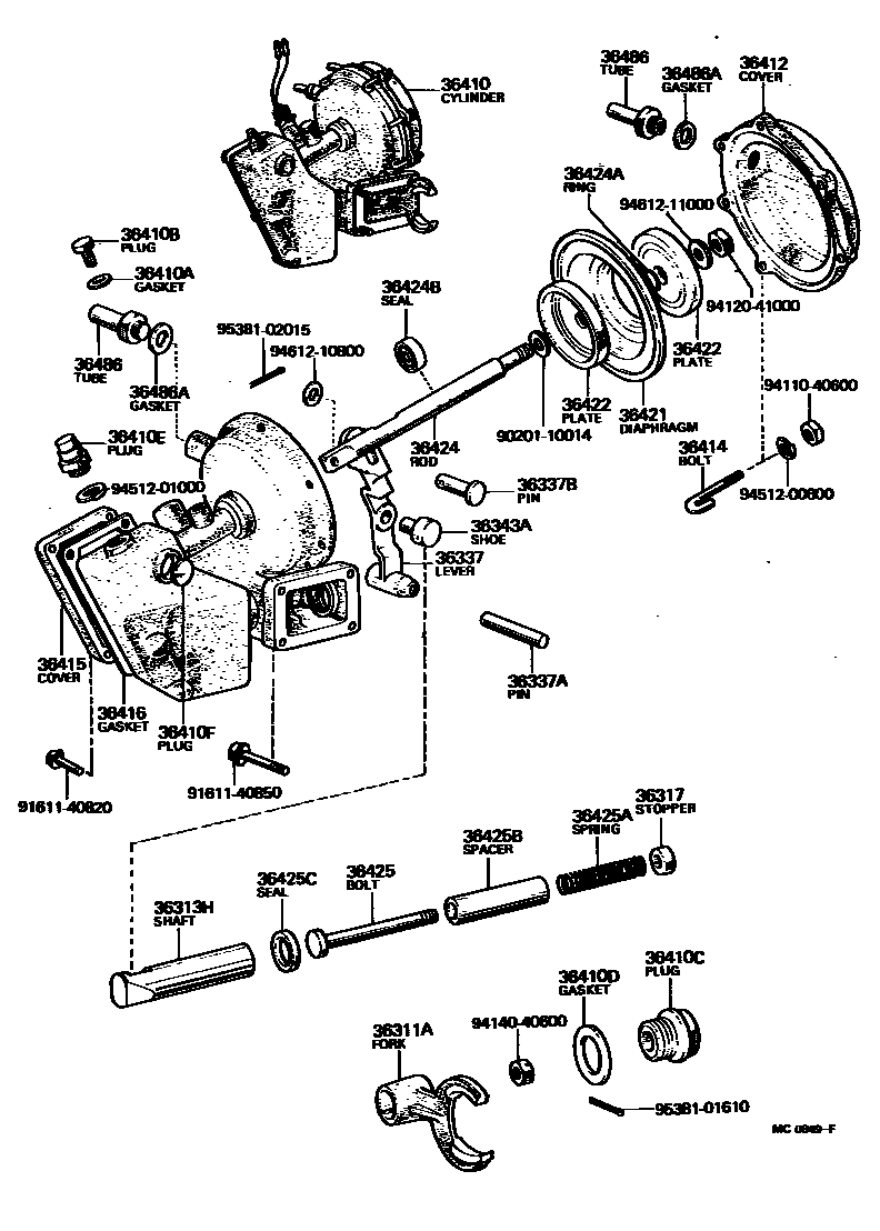
DIAPHRAGM CYLINDER & TRANSFER VACUUM ACTUATOR

36311AFORK, TRANSFER GEAR SHIFT, NO.1
36313HSHAFT, TRANSFER FRONT DRIVE SHIFT(FOR MAGNET TYPE)
36317STOPPER, SHIFT SHAFT
36337LEVER, FRONT DRIVE SHIFT LINK
36337APIN, STRAIGHT (FOR FRONT DRIVE SHIFT LINK LEVER)
36337BPIN, W/HOLE (FOR FRONT DRIVE SHIFT LINK LEVER)
36343ASHOE, FR DRIVE SHIFT LINK LEVER (FOR VACUUM MAGNET TYPE)
36410CYLINDER ASSY, DIAPHRAGM
36410AGASKET (FOR DIAPHRAGM CYLINDER)
36410BPLUG, W/HEAD STRAIGHT SCREW
36410CPLUG, W/HEAD(FOR TRANSFER FRONT DRIVE SHIFT SHAFT)
ISO
36410DGASKET(FOR TRANSFER FRONT DRIVE SHIFT SHAFT)
36410EPLUG, BREATHER(FOR DIAPHRAGM CYLINDER)
36410FPLUG, EXPANSION(FOR DIAPHRAGM CYLINDER)
36412COVER, DIAPHRAGM CYLINDER BODY
36414BOLT, DIAPHRAGM CYLINDER
36415COVER, DIAPHRAGM CYLINDER
36416GASKET, DIAPHRAGM CYLINDER
36421DIAPHRAGM, TRANSFER
36422PLATE, TRANSFER DIAPHRAGM
36424ROD, DIAPHRAGM PUSH
36424ARING, O (FOR DIAPHRAGM PUSH ROD)
36424BSEAL, TYPE T, OIL (FOR DIAPHRAGM PUSH ROD)
36425BOLT, PUSH ROD
36425ASPRING, COMPRESSION (FOR DIAPHRAGM CYLINDER)
36425BSPACER (FOR DIAPHRAGM CYLINDER)
36425CSEAL, DUST (FOR DIAPHRAGM CYLINDER)
36486TUBE, SUCTION
36486AGASKET (FOR SUCTION TUBE)
9020110014
main90201-10014
9161140820
main91611-40820
9161140850
main91611-40850
9411040600
main94110-40600
9412041000
main94120-41000
9414040600
main94140-40600
9451200600
main94512-00600
9451201000
main94512-01000
9461210800
main94612-10800
9461211000
main94612-11000
9538101610
main95381-01610
9538102015
main95381-02015
41 parts on this diagram · 1 diagram in section