E
EPC Data

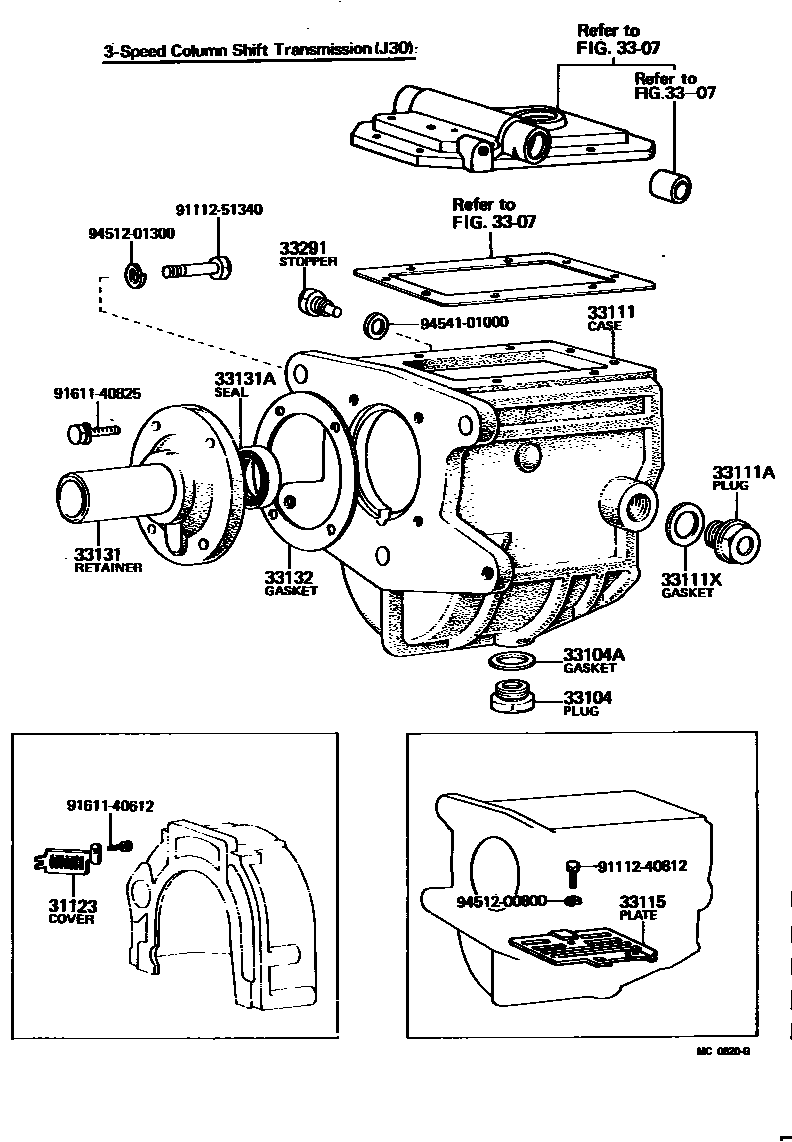
CLUTCH HOUSING & TRANSMISSION CASE (MTM)

Parts diagram
31123COVER, CLUTCH HOUSING, NO.2
main31123-55010i196903-197408
main31123-55020i196903-197408
3307GEAR SHIFT FORK & LEVER SHAFT (MTM)
33104PLUG SUB-ASSY, DRAIN(MTM)
main33104-30010i196903-196908
main90341-18057i196908-198007
ISO
33104AGASKET, DRAIN PLUG(MTM)
main12157-10010i196903-198007
33111CASE, MANUAL TRANSMISSION
main33111-60020i196903-196908
FOR 3-SPEED TRANSMISSION
main33111-60021i196908-197501
FOR 3-SPEED TRANSMISSION,ISO
main33111-60030i196903-197202
FOR 4-SPEED TRANSMISSION
main33111-60031i197209-197309
FOR 4-SPEED TRANSMISSION
main33111-60032i197309-197604
FOR 4-SPEED TRANSMISSION
main33111-60033i197604-198007
33111APLUG, MANUAL TRANSMISSION CASE
main90341-18002i196903-198007
33111XGASKET, TRANSMISSION CASE PLUG
main12157-10010i196903-198007
33115PLATE, TRANSMISSION OIL FILTER
main33115-36010i196903-197005
33131RETAINER, BEARING, FRONT(MTM)
main33131-60020i197209-198007
FOR 4-SPEED TRANSMISSION
main33131-60030i197402-198007
FOR 4-SPEED TRANSMISSION
main33131-61010i196903-197501
FOR 3-SPEED TRANSMISSION
33131ASEAL, OIL(FOR TRANSMISSION FRONT BEARING RETAINER)
main90311-28003i196903-197506
main90311-28004i197506-198007
33132GASKET, FRONT BEARING RETAINER(MTM)
main33132-36010i197209-198007
FOR 4-SPEED TRANSMISSION
main33132-61010i196903-197501
FOR 3-SPEED TRANSMISSION
33291STOPPER, SHIFT FORK
main33291-61010i196903-197501
9111240812
9111251340
9161140612
9161140825
9451200800
9451201300
9454101000

19 parts on this diagram · 5 diagrams in section

CLUTCH HOUSING & TRANSMISSION CASE (MTM) — Toyota Parts Diagram with OEM Numbers & Prices | EPC Data