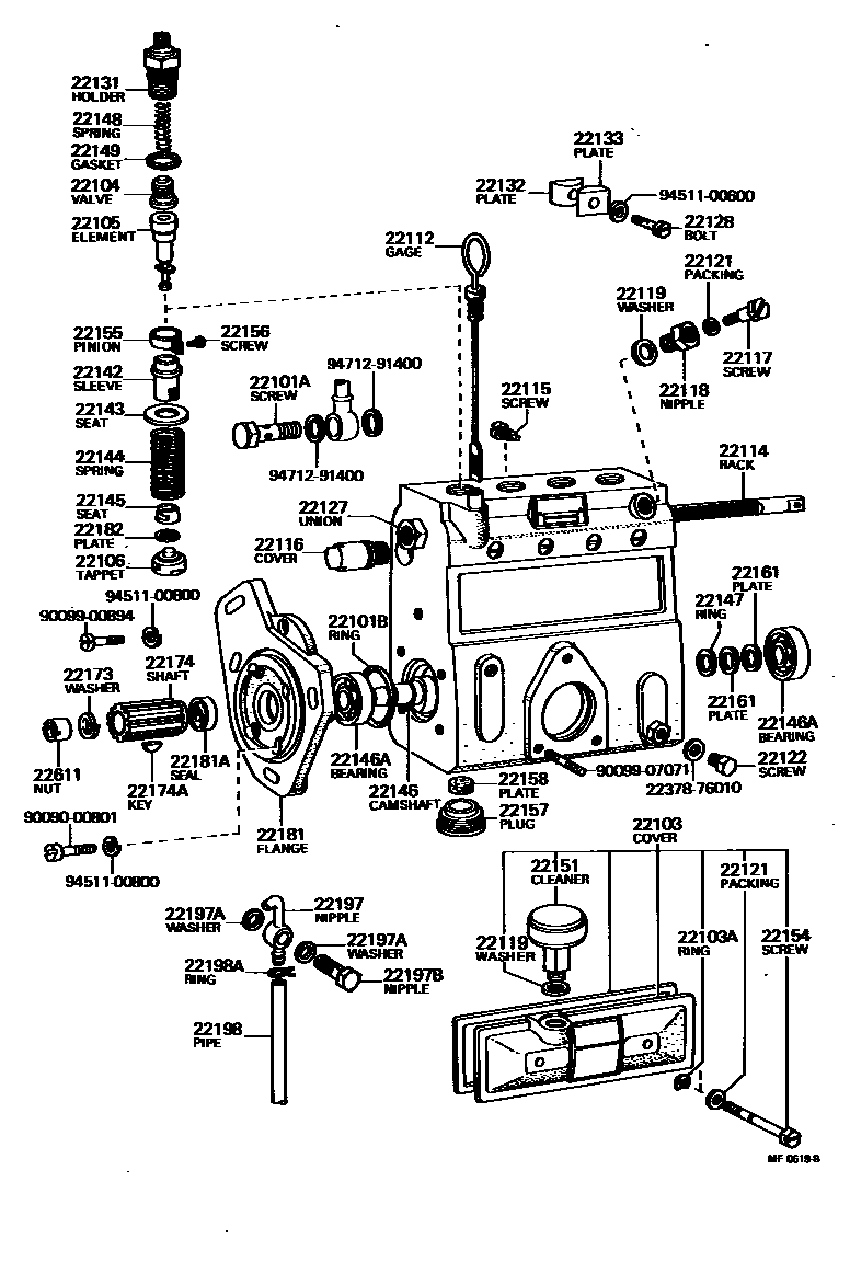
INJECTION PUMP BODY

22101HOUSING SUB-ASSY, INJECTION PUMP
22101ASCREW, FUEL PIPE FOLLOW
22101BRING, O(FOR INJECTION PUMP HOUSING)
22103COVER SUB-ASSY, INJECTION PUMP
22103ARING, SNAP(FOR INJECTION PUMP COVER)
22104VALVE SUB-ASSY, INJECTION PUMP DELIVERY
22105ELEMENT SUB-ASSY, INJECTION PUMP
22106TAPPET SUB-ASSY, INJECTION PUMP
22112GAGE, INJECTION PUMP OIL LEVEL
22115SCREW, RACK GUIDE
22116COVER, CONTROL RACK
22117SCREW, AIR BLEEDER
22118NIPPLE, AIR BLEEDER
22119WASHER, AIR BLEEDER NIPPLE
22121PACKING, AIR BLEEDER SCREW
22122SCREW, DRAIN
22127UNION, INJECTION PUMP FUEL INLET
22128BOLT(FOR DELIVERY VALVE HOLDER LOCK PLATE)
22131HOLDER, DELIVERY VALVE
22132PLATE, DELIVERY VALVE HOLDER REAR LOCK
22133PLATE, DELIVERY VALVE HOLDER FRONT LOCK
22142SLEEVE, PLUNGER CONTROL
22143SEAT, SPRING UPPER
22144SPRING, PUMP PLUNGER
22145SEAT, SPRING, LOWER
22146CAMSHAFT, INJECTION PUMP
22146ABEARING(FOR INJECTION CAMSHAFT)
22147RING, CAMSHAFT ADJUST
22148SPRING, DELIVERY VALVE
22149GASKET, DELIVERY VALVE
22151CLEANER, INJECTION PUMP AIR
22154SCREW(FOR INJECTION PUMP COVER SETTING)
22155PINION, PLUNGER CONTROL
22156SCREW, PLUNGER CONTROL PINION CLAMP
22157PLUG, INJECTION PUMP FELT PLATE
22158PLATE, INJECTION PUMP CAMSHAFT OIL FELT
22161PLATE, CAMSHAFT SHIM
22173WASHER, SPRING
22174SHAFT, SPLINE
22174AKEY(FOR SPLINE SHAFT)
22181FLANGE, INJECTION PUMP
22181ASEAL, OIL(FOR INJECTION PUMP FLANGE)
22182PLATE, TAPPET ADJUSTING SHIM
22197AWASHER(FOR OVER FLOW NIPPLE)
22197BNIPPLE
22198PIPE OR HOSE, OVER FLOW
22198ACLIP OR BUSH(FOR OVER FLOW PIPE)
22611NUT, TIMER ROUND
2237876010WASHER, DRAIN SCREW
main22378-76010
9009000801
main90090-00801
9009900894
main90099-00894
9009907071
main90099-07071
9451100600
main94511-00600
9451100800
main94511-00800
9471291400
main94712-91400
57 parts on this diagram · 2 diagrams in section