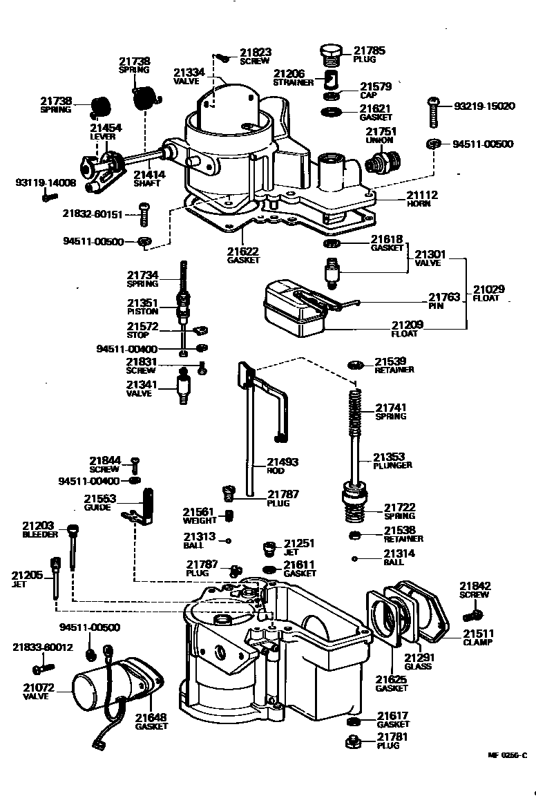
CARBURETOR

21029FLOAT & NEEDLE SUB-ASSY
21072VALVE SUB-ASSY, SLOW
21112HORN, AIR
ISO
21203BLEEDER SUB-ASSY, 1ST MAIN AIR
21205JET SUB-ASSY, SLOW
ID=0.8
ID=0.6
ID=0.5
ID=0.55
ID=0.55
21206STRAINER SUB-ASSY
21209FLOAT SUB-ASSY
21251JET, 1ST MAIN
ID=1.16
ID=1.5
ID=1.12
ID=1.20
ID=1.41
21291GLASS, LEVEL GAGE
21301VALVE SUB-ASSY, NEEDLE
21313BALL, STEEL, NO.1(FOR DISCHARGE WEIGHT)
21314BALL, STEEL, NO.2(FOR PUMP PLUNGER)
21353PLUNGER, PUMP
21414SHAFT, CHOKE
21454LEVER, CHOKE
ISO
21493ROD, LIFTER
21511CLAMP, LEVEL GAGE
21538RETAINER, BALL CHECK
21539RETAINER, PUMP SPRING
21553GUIDE
21561WEIGHT, PUMP DISCHARGE
21572STOP, POWER PISTON
21579CAP, STRAINER
21611GASKET, MAIN JET
21617GASKET, MAIN PASSAGE PLUG
21618GASKET, NEEDLE VALVE SEAT
21621GASKET, UNION NIPPLE
OUTLET
OUTLET
21622GASKET, AIR HORN
21625GASKET, LEVEL GAGE
21648PACKING(FOR SLOW VALVE COVER)
21722SPRING, PUMP DAMPING
21734SPRING, POWER PISTON
21738SPRING, CHOKE VALVE RELIEF
OUTSIDE
INSIDE
21741SPRING, PUMP
21751UNION, NIPPLE
OUTLET
OUTLET
INLET
INLET
21763PIN, FLOAT LEVER
21781PLUG, MAIN PASSAGE(FOR CARBURETOR JET)
NO.2 JET
NO.1 JET
21785PLUG, CARBURETOR FUEL INLET STRAINER
21787PLUG, PUMP JET
FOR WEIGHT PLUG
21823SCREW, CHOKE, VALVE SET
21831SCREW, POWER PISTON STOP
21842SCREW, SET(FOR CARBURETOR LEVEL GAGE CLAMP SET)
21844SCREW, CHOKE LEVER
2183260151SCREW(FOR CHOKE LEVER ADAPTER SET)
main21832-60151
2183360012SCREW, SET, NO.1(FOR CARBURETOR BODY SET)
main21833-60012
9311914008
main93119-14008
9321915020
main93219-15020
9451100400
main94511-00400
9451100500
main94511-00500
52 parts on this diagram · 8 diagrams in section