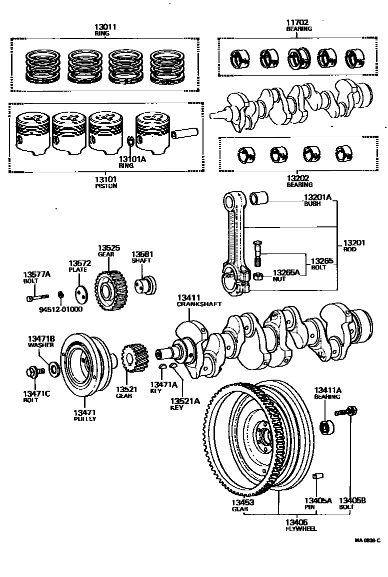
CRANKSHAFT & PISTON

11702BEARING SET, CRANKSHAFT
STD
STD
U/S 0.05
U/S 0.05
U/S 0.25
U/S 0.25
U/S 0.50
U/S 0.50
U/S 0.75
U/S 0.75
U/S 1.00
U/S 1.00
13011RING SET, PISTON
STD
STD
STD
STD
STD
STD
STD 3PCS.
O/S 0.25
O/S 0.25
O/S 0.50
O/S 0.25 3PCS.
O/S 0.75
O/S 1.00
O/S 1.00
O/S 1.00
O/S 0.50
O/S 1.00
O/S 0.50 3PCS.
O/S 0.75
O/S 0.75 3PCS.
O/S 1.00
O/S 1.50
O/S 1.00 3PCS.
O/S 1.25
O/S 1.50
13101PISTON SUB-ASSY, W/PIN
STD
STD
O/S 1.00
O/S 1.00
STD
STD
STD
STD
STD
STD
O/S 0.25
O/S 0.25
O/S 0.50
O/S 0.50
O/S 0.50
O/S 0.50
O/S 0.75
O/S 1.00
O/S 1.00
O/S 1.00
O/S 1.00
O/S 0.75
O/S 1.00
O/S 1.50
O/S 1.50
O/S 1.25
O/S 1.50
13101ARING, HOLE SNAP(FOR PISTON PIN)
13201ROD SUB-ASSY, CONNECTING
13201ABUSH(FOR CONNECTING ROD SMALL END)
13202BEARING SET, CONNECTING ROD
STD
U/S 0.25
U/S 0.50
U/S 0.75
U/S 1.00
U/S 1.00
13265BOLT, CONNECTING ROD
13265ANUT, HEXAGON(FOR CONNECTING ROD BOLT)
13405FLYWHEEL SUB-ASSY
N=112
N=112
N=110
N=136
N=136
13405APIN, STRAIGHT(FOR FLYWHEEL)
13405BBOLT, FLYWHEEL SETTING
13411CRANKSHAFT
13411ABEARING(FOR INPUT SHAFT FRONT)
6202ZC3
6202ZZ
6201 VV C3
13453GEAR, FLYWHEEL RING
N=112
N=110
N=136
13471PULLEY, CRANKSHAFT
W/COOLER
W/COOLER
W/COOLER
W/COOLER
W/COOLER
13471AKEY, CRANKSHAFT(FOR CRANKSHAFT PULLEY SET)
13471BWASHER, PLATE(FOR CRANKSHAFT PULLEY SET)
13471CBOLT(FOR CRANKSHAFT PULLEY SET)
13521GEAR OR SPROCKET, CRANKSHAFT TIMING
N=22
N=22
N=27
13521AKEY(FOR CRANKSHAFT TIMING GEAR)
13525GEAR, IDLE, NO.1
N=35
13572PLATE, IDLE GEAR THRUST
13577ABOLT, HEXAGON(FOR IDLE GEAR BOLT LOCK)
9451201000
main94512-01000
26 parts on this diagram · 4 diagrams in section