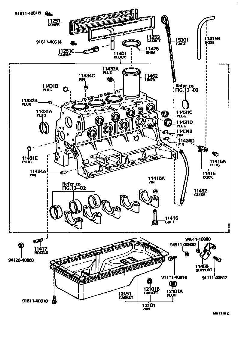
CYLINDER BLOCK

11251COVER, VALVE PUSH ROD
11251CCLAMP(FOR VALVE PUSH ROD COVER)
11253GASKET, VALVE PUSH ROD COVER
11401BLOCK SUB-ASSY, CYLINDER
11415COCK SUB-ASSY, WATER DRAIN(FOR CYLINDER BLOCK)
11415APLUG, WATER DRAIN COCK(FOR CYLINDER BLOCK)
11415BHOSE(FOR DRAIN COCK)
11416BOLT(FOR CRANKSHAFT BEARING CAP SET)
12-1.75PX68-26
14-2.0PX63-25
12-1.25PX75-22
14-2.0PX67-29
12-1.75PX68-26
11416APIN, RING(FOR CRANKSHAFT BEARING CAP SET)
FOR NO.4
FOR NO.4
FOR NO.1.2.3
FOR NO.1.2.3
11417NOZZLE, OIL
11431APLUG, TIGHT, NO.1(FOR CYLINDER BLOCK)
OD=50
OD=50
OD=51
OD=50
11431BPLUG, TIGHT, NO.2(FOR CYLINDER BLOCK)
OD=24
OD=25
11431CPLUG, TIGHT, NO.3(FOR CYLINDER BLOCK)
OD=25
OD=30
OD=25
11431DPLUG, TIGHT, NO.4(FOR CYLINDER BLOCK)
OD=35
11431EPLUG, TIGHT, NO.5(FOR CYLINDER BLOCK)
OD=17
11432APLUG, W/HEAD TAPER SCREW, NO.1
11432BPLUG, W/HEAD TAPER SCREW, NO.2
11434APIN, STRAIGHT(FOR TIMING GEAR COVER SET)
11434BPIN, STRAIGHT(FOR CLUTCH HOUSING SET)
11434CPIN, STRAIGHT (FOR CYLINDER HEAD SET)
11434DPIN, STRAIGHT(FOR ENGINE REAR OIL SEAL)
11452GUIDE, OIL LEVEL GAGE
11459SUPPORT, OIL LEVEL GAGE GUIDE
11462LINER, CYLINDER
O/S 160
O/S 180
O/S 200
11475SHIM, CYLINDER LINER
T=0.05
T=0.05
T=0.10
T=0.10
12101PAN SUB-ASSY, OIL
12101APLUG(FOR OIL PAN DRAIN)
OD=18
OD=25
OD=25
12101BGASKET(FOR OIL PAN DRAIN PLUG)
ID=18
ID=25
12151GASKET, OIL PAN
1302CAMSHAFT & VALVE
15301GAGE SUB-ASSY, OIL LEVEL
9111140612
main91111-40612
9111140816
main91111-40816
9161140614
main91611-40614
9161140816
main91611-40816
9161140818
main91611-40818
9412040800
main94120-40800
9451100800
main94511-00800
9461110800
main94611-10800
39 parts on this diagram · 7 diagrams in section