E
EPC Data

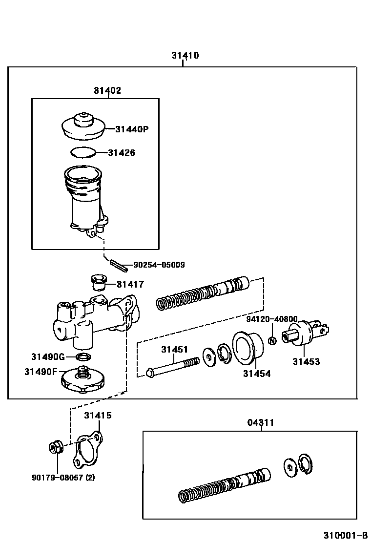
CLUTCH MASTER CYLINDER

Parts diagram
04311CYLINDER KIT, CLUTCH MASTER
main04311-12110i199906-200211
31402RESERVOIR SUB-ASSY, CLUTCH MASTER CYLINDER
main31402-35120i199906-200010
main31402-35140i200010-200209
main31402-60070i199906-200211
31410CYLINDER ASSY, CLUTCH MASTER
main31410-60560i199906-200008
main31410-60580i199906-200209
31415GASKET, CLUTCH MASTER CYLINDER
main31415-10010i199604-199906
31417GROMMET, CLUTCH RESERVOIR
main31417-35010i199604-199906
31426FLOAT, CLUTCH MASTER CYLINDER RESERVOIR
main31426-30011i200010-200209
31440PCAP ASSY, CLUTCH MASTER CYLINDER RESERVOIR FILLER
main31405-35020i199906-200008
31451ROD, CLUTCH MASTER CYLINDER PUSH
main31451-35070i199604-199906
main31451-36040i199906-200008
31453CLEVIS, CLUTCH MASTER CYLINDER PUSH ROD
main31404-35011i199906-200008
main31453-35010i199906-200209
31454BOOT, CLUTCH MASTER CYLINDER
main31454-16010i199604-199906
31490FACCUMULATOR ASSY, MASTER CYLINDER
main31490-60090i199604-199906
31490GGASKET(FOR CLUTCH MASTER CYLINDER ACCUMULATOR)
main90430-16005i199604-199906
9017908057
9025405009
9412040800

15 parts on this diagram · 2 diagrams in section

CLUTCH MASTER CYLINDER — Toyota Parts Diagram with OEM Numbers & Prices | EPC Data