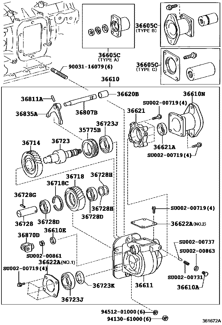
POWER TAKE-OFF CASE & GEAR

35775BSLEEVE, OUTPUT SHAFT
sub35775-37031
sub35775-37031
sub35775-37031
sub35775-37031
sub35775-37031
sub35775-37031
sub35775-37031
sub35775-37031
main35775-37031iXZC710,XZU70#,71#,72#,73#,775..(T3,T4,T5)..MTM..(DCVUO,DCWDO)..(CBU,IV3)201906-202103
main35775-37031iXZC710,XZU70#,71#,72#,73#,775..(T3,T4,T5)..MTM..(DCVUO,DCWDO)..(CBU,IV3)201906-202103
main35775-37031iXZC710,XZU70#,71#,72#,73#,775..(T3,T4,T5)..MTM..(DCVUO,DCWDO)..(CBU,IV3)201906-202103
mainSU00201095iXZU720..40T..CBU;XZU710..T5..DCRTL..IV3;XZU720..(20T,30T,35T)..DCRTL;XZU700,710,730..(T3,T4)..DCRTL201107-201705
mainSU00201095iXZU720..40T..CBU;XZU710..T5..DCRTL..IV3;XZU720..(20T,30T,35T)..DCRTL;XZU700,710,730..(T3,T4)..DCRTL201107-201705
mainSU00201095iXZU720..40T..CBU;XZU710..T5..DCRTL..IV3;XZU720..(20T,30T,35T)..DCRTL;XZU700,710,730..(T3,T4)..DCRTL201107-201705
36605CPOWER TAKE-OFF SET
36610POWER TAKE-OFF ASSY
sub36610-37471
sub36610-37471
sub36610-37471
sub36610-37472
sub36610-37472
sub36610-37472
sub36610-37473
sub36610-37473
sub36610-37473
sub36610-37562
sub36610-37562
sub36610-37562
sub36610-37562
sub36610-37563
sub36610-37563
sub36610-37563
sub36610-37563
main36610-37582iXZU712..6F..35T..DCWDO..IV3;XZU712..T3..6F..30T..DCWDO..IV3;XZU710..6F..(30T,35T)..DCWDO..IV3;XZU70#,72#..T3..6F..35T..DCWDO..IV3202103-202108
main36610-37583iXZU712..6F..35T..DCWDO..IV3;XZU712..T3..6F..30T..DCWDO..IV3;XZU710..6F..(30T,35T)..DCWDO..IV3;XZU70#,72#..T3..6F..35T..DCWDO..IV3202109-202504
36610ABOLT, LOCK BALL (FOR POWER TAKE-OFF)
36610ESEAL, OIL (FOR POWER TAKE-OFF)
main90311-20005iXZU712..6F..35T..DCWDO..IV3;XZU712..T3..6F..30T..DCWDO..IV3;XZU710..6F..(30T,35T)..DCWDO..IV3;XZU70#,72#..T3..6F..35T..DCWDO..IV3202103
main90311-20010iXZU720..DCVUO..IV3;XZU722..30T..DCVUO..IV3;XZU712,720..(30T,35T,40T)..DCVUO..CBU;XZU700,710,722,73#..(T3,T4)..(35T,40T)..DCVUO201705-202103
36610NADAPTER, POWER TAKE-OFF SOLENOID
mainSU00200781iXZU720..40T..CBU;XZU710..T5..DCRTL..IV3;XZU720..(20T,30T,35T)..DCRTL;XZU700,710,730..(T3,T4)..DCRTL201107-201705
36611CASE, POWER TAKE-OFF
36620BPLUG(FOR POWER TAKE-OFF)
36621RETAINER, POWER TAKE-OFF BEARING
main36621-37080iXZU720..40T..DCVUO..IV3;XZU712..T3..6F..(35T,40T)..DCWDO..IV3;XZU70#,710,72#..T3..6F..35T..DCWDO..(IV3,IV6)201705-202103
main36621-37080iXZU720..40T..DCVUO..IV3;XZU712..T3..6F..(35T,40T)..DCWDO..IV3;XZU70#,710,72#..T3..6F..35T..DCWDO..(IV3,IV6)201705-202103
36621ASEAL, OIL (FOR POWER TAKE-OFF BEARING RETAINER)
main90311-30014iXZU712..6F..35T..DCWDO..IV3;XZU712..T3..6F..30T..DCWDO..IV3;XZU710..6F..(30T,35T)..DCWDO..IV3;XZU70#,72#..T3..6F..35T..DCWDO..IV3202103
mainSU00200752iXZU720..40T..CBU;XZU710..T5..DCRTL..IV3;XZU720..(20T,30T,35T)..DCRTL;XZU700,710,730..(T3,T4)..DCRTL201107-201705
mainSU00200752iXZU720..40T..CBU;XZU710..T5..DCRTL..IV3;XZU720..(20T,30T,35T)..DCRTL;XZU700,710,730..(T3,T4)..DCRTL201107-201705
mainSU00200752iXZU720..40T..CBU;XZU710..T5..DCRTL..IV3;XZU720..(20T,30T,35T)..DCRTL;XZU700,710,730..(T3,T4)..DCRTL201107-201705
mainSU00200752iXZU720..40T..CBU;XZU710..T5..DCRTL..IV3;XZU720..(20T,30T,35T)..DCRTL;XZU700,710,730..(T3,T4)..DCRTL201107-201705
mainSU00200752iXZU720..40T..CBU;XZU710..T5..DCRTL..IV3;XZU720..(20T,30T,35T)..DCRTL;XZU700,710,730..(T3,T4)..DCRTL201107-201705
36622ACOVER, POWER TAKE-OFF
36714GEAR, POWER TAKE-OFF OUTPUT
main36714-37270iXZU712..6F..35T..DCWDO..IV3;XZU712..T3..6F..30T..DCWDO..IV3;XZU710..6F..(30T,35T)..DCWDO..IV3;XZU70#,72#..T3..6F..35T..DCWDO..IV3202103
mainSU00201114iXZU720..40T..CBU;XZU710..T5..DCRTL..IV3;XZU720..(20T,30T,35T)..DCRTL;XZU700,710,730..(T3,T4)..DCRTL201107-201705
mainSU00201114iXZU720..40T..CBU;XZU710..T5..DCRTL..IV3;XZU720..(20T,30T,35T)..DCRTL;XZU700,710,730..(T3,T4)..DCRTL201107-201705
36718GEAR, POWER TAKE-OFF IDLER
36718CRING, HOLE SNAP(FOR POWER TAKE-OFF IDLER GEAR)
36723SHAFT, POWER TAKE-OFF OUTPUT, NO.1
36723JBEARING (FOR POWER TAKE-OFF OUTPUT SHAFT)
mainSU00200740iXZU720..40T..CBU;XZU710..T5..DCRTL..IV3;XZU720..(20T,30T,35T)..DCRTL;XZU700,710,730..(T3,T4)..DCRTL201107-201705
36723KCOLLAR (FOR POWER TAKE-OFF OUTPUT SHAFT)
mainSU00200834iXZU720..40T..CBU;XZU710..T5..DCRTL..IV3;XZU720..(20T,30T,35T)..DCRTL;XZU700,710,730..(T3,T4)..DCRTL201107-201705
mainSU00200834iXZU720..40T..CBU;XZU710..T5..DCRTL..IV3;XZU720..(20T,30T,35T)..DCRTL;XZU700,710,730..(T3,T4)..DCRTL201107-201705
mainSU00200834iXZU720..40T..CBU;XZU710..T5..DCRTL..IV3;XZU720..(20T,30T,35T)..DCRTL;XZU700,710,730..(T3,T4)..DCRTL201107-201705
mainSU00200834iXZU720..40T..CBU;XZU710..T5..DCRTL..IV3;XZU720..(20T,30T,35T)..DCRTL;XZU700,710,730..(T3,T4)..DCRTL201107-201705
mainSU00200834iXZU720..40T..CBU;XZU710..T5..DCRTL..IV3;XZU720..(20T,30T,35T)..DCRTL;XZU700,710,730..(T3,T4)..DCRTL201107-201705
mainSU00200834iXZU720..40T..CBU;XZU710..T5..DCRTL..IV3;XZU720..(20T,30T,35T)..DCRTL;XZU700,710,730..(T3,T4)..DCRTL201107-201705
mainSU00200834iXZU720..40T..CBU;XZU710..T5..DCRTL..IV3;XZU720..(20T,30T,35T)..DCRTL;XZU700,710,730..(T3,T4)..DCRTL201107-201705
36728SHAFT, POWER TAKE-OFF IDLER
mainSU00200770iXZU720..40T..CBU;XZU710..T5..DCRTL..IV3;XZU720..(20T,30T,35T)..DCRTL;XZU700,710,730..(T3,T4)..DCRTL201107-201705
mainSU00200770iXZU720..40T..CBU;XZU710..T5..DCRTL..IV3;XZU720..(20T,30T,35T)..DCRTL;XZU700,710,730..(T3,T4)..DCRTL201107-201705
36728DBEARING (FOR POWER TAKE-OFF IDLER SHAFT)
36728GPIN (FOR POWER TAKE-OFF IDLER SHAFT)
36728HSHIM (FOR POWER TAKE-OFF IDLER SHAFT)
main90564-25001iXZU720..40T..DCVUO..IV3;XZU70#,71#,72#..T3..6F..(35T,40T)..DCWDO..(IV3,IV6)201705-201905
main90564-25002iXZU720..40T..DCVUO..IV3;XZU70#,71#,72#..T3..6F..(35T,40T)..DCWDO..(IV3,IV6)201705-202103
main90564-25004iXZU720..40T..DCVUO..IV3;XZU712..T3..6F..(35T,40T)..DCWDO..IV3;XZU70#,710,72#..T3..6F..35T..DCWDO..(IV3,IV6)201705-202103
main90564-31001iXZU712..6F..35T..DCWDO..IV3;XZU712..T3..6F..30T..DCWDO..IV3;XZU710..6F..(30T,35T)..DCWDO..IV3;XZU70#,72#..T3..6F..35T..DCWDO..IV3202103
main90564-31002iXZU712..6F..35T..DCWDO..IV3;XZU712..T3..6F..30T..DCWDO..IV3;XZU710..6F..(30T,35T)..DCWDO..IV3;XZU70#,72#..T3..6F..35T..DCWDO..IV3202103
main90564-31003iXZU712..6F..35T..DCWDO..IV3;XZU712..T3..6F..30T..DCWDO..IV3;XZU710..6F..(30T,35T)..DCWDO..IV3;XZU70#,72#..T3..6F..35T..DCWDO..IV3202103
main90564-31004iXZU712..6F..35T..DCWDO..IV3;XZU712..T3..6F..30T..DCWDO..IV3;XZU710..6F..(30T,35T)..DCWDO..IV3;XZU70#,72#..T3..6F..35T..DCWDO..IV3202103
36807BROD SUB-ASSY, POWER TAKE-OFF SHIFT
36811FORK, POWR TAKE-OFF SHIFT, NO.1
36811APIN, SLOTTED SPRING (FOR POWER TAKE-OFF SHIFT FORK)
36835AARM, POWER TAKE-OFF SHIFT
mainSU00201113iXZU720..40T..CBU;XZU710..T5..DCRTL..IV3;XZU720..(20T,30T,35T)..DCRTL;XZU700,710,730..(T3,T4)..DCRTL201107-201705
mainSU00201113iXZU720..40T..CBU;XZU710..T5..DCRTL..IV3;XZU720..(20T,30T,35T)..DCRTL;XZU700,710,730..(T3,T4)..DCRTL201107-201705
36870DCONNECTOR, POWER TAKE-OFF CONTROL CABLE
9003116079
main90031-16079
9413061000
main94130-61000
9451201000
main94512-01000
SU00200719
mainSU002-00719
SU00200731
mainSU002-00731
SU00200737
mainSU002-00737
SU00200861
mainSU002-00861
SU00200863
mainSU002-00863
34 parts on this diagram · 18 diagrams in section