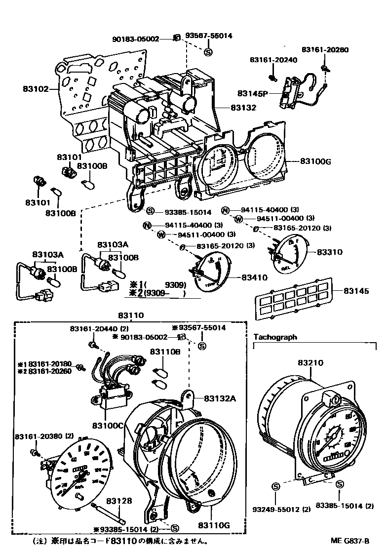
METER

83100BBULB, COMBINATION METER, NO.1
83100CCONNECTOR, COMBINATION METER
83100GGLASS, COMBINATION METER
83101SOCKET SUB-ASSY, COMBINATION METER BULB
24V 3W
83102PLATE SUB-ASSY, COMBINATION METER CIRCUIT, NO.1
W/BACK DOOR INDICATOR
83103ALAMP SUB-ASSY, METER
DR. SEAT
83110BBULB, SPEEDOMETER
83110GGLASS, SPEEDOMETER
83128KNOB, TRIP COUNTER
83132CASE, COMBINATION METER
83132ACASE, METER
83145LENS, METER, NO.1
W/BACK DOOR INDICATOR
W/DR.SEAT & BACK DOOR IND.
W/DR.SEAT INDICATOR
83145PDROPPER, METER
83210TACHOGRAPH ASSY
83310GAGE ASSY, FUEL RECEIVER
83410GAGE ASSY, WATER TEMPERATURE RECEIVER
8316120180CASE, COMBINATION METER MIRROR, NO.1
main83161-20180
8316120240CASE, COMBINATION METER MIRROR, NO.1
main83161-20240
8316120260CASE, COMBINATION METER MIRROR, NO.1
main83161-20260
8316120380CASE, COMBINATION METER MIRROR, NO.1
main83161-20380
8316120440CASE, COMBINATION METER MIRROR, NO.1
main83161-20440
8316520120MIRROR, COMBINATION METER, NO.2
main83165-20120
8338515014
main83385-15014
9018305002
main90183-05002
9324955012
main93249-55012
9338515014
main93385-15014
9356755014
main93567-55014
9411540400
main94115-40400
9451100400
main94511-00400
30 parts on this diagram · 2 diagrams in section