PROPELLER SHAFT & UNIVERSAL JOINT

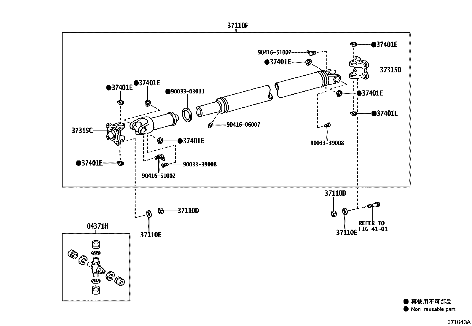
04371HSPIDER KIT, REAR PROPELLER SHAFT UNIVERSAL JOINT
37110DNUT (FOR PROPELLER SHAFT)
37110EWASHER (FOR PROPELLER SHAFT)
37110FSHAFT ASSY, PROPELLER, REAR
37315YOKE, UNIVERSAL JOINT FLANGE
37315CYOKE, NO.1, REAR PROPELLER SHAFT UNIVERSAL JOINT FLANGE
37315DYOKE, NO.2, REAR PROPELLER SHAFT UNIVERSAL JOINT FLANGE
37401ERING, SNAP (FOR REAR PROPELLER SHAFT JOINT SPIDER BEARING)
4101REAR AXLE HOUSING & DIFFERENTIAL
9003303011
main90033-03011
9003339008
main90033-39008
9041606007
main90416-06007
9041651002
main90416-51002
13 parts on this diagram · 2 diagrams in section