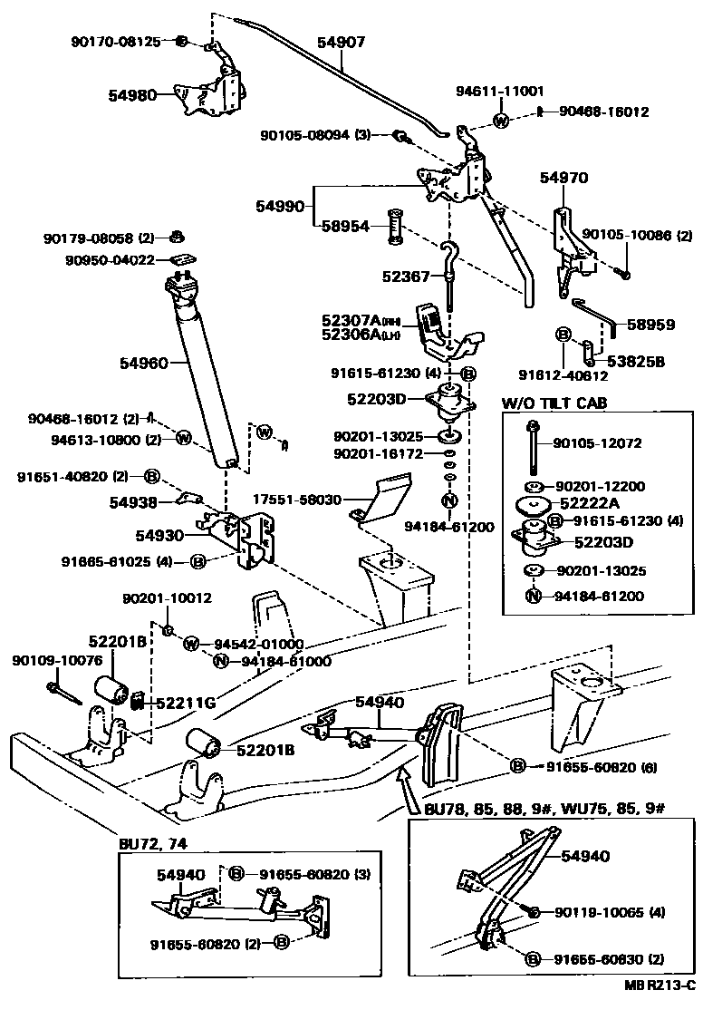
CAB MOUNTING & BODY MOUNTING

52201BCUSHION SUB-ASSY, CAB FRONT MOUNTING
52203DCUSHION SUB-ASSY, CAB MOUNTING, NO.2 UPPER
NO.2
52211GSPACER, CAB FRONT MOUNTING
52222ASPACER, CAB REAR MOUNTING, UPPER
52306ABRACKET SUB-ASSY, CAB MOUNTING HOOK, NO.1
52307ABRACKET SUB-ASSY, CAB MOUNTING HOOK, NO.2
52367HOOK, CAB REAR MOUNTING
53825BBRACKET, REAR LOCK HANDLE ROD
54907PIPE SUB-ASSY, TILT CAB LOCK CONNECTING
54930BRACKET ASSY, TILT CAB COIL SPRING, LOWER
54938PLATE, TILT CAB COIL SPRING SUPPORT
54940STAY ASSY, TILT CAB
54960SPRING ASSY, TILT CAB COIL
main54960-95406iYU60..DYN..T3..WT..CBR..CBU;YU60..TOY..T3..WT..CBR..IV3; YU60..T3..ST;YU6#..DM1,T1,T2;YU60..DYN..T3..WT..IV3;YU60..TOY..T3..WT..CBU;YU60..TOY..T3..WT..LPG..IV3;YU60..DYN..T3..WT..LPG..CBU198808-199505
54970LATCH ASSY, TILT CAB STOPPER
54980LOCK ASSY, TILT CAB MOUNTING, RH
54990LOCK ASSY, TILT CAB MOUNTING, LH
58954COVER, REAR LOCK HANDLE GRIP
58959ROD, REAR LOCK, HANDLE LATCH
1755158030INSULATOR, EXHAUST PIPE HEAT, NO.1
main17551-58030
9010508094
main90105-08094
9010510086
main90105-10086
9010512072
main90105-12072
9010910076
main90109-10076
9011910065
main90119-10065
9017008125
main90170-08125
9017908058
main90179-08058
9020110012
main90201-10012
9020112200
main90201-12200
9020113025
main90201-13025
9020116172
main90201-16172
9046816012
main90468-16012
9095004022
main90950-04022
9161240612
main91612-40612
9161561230
main91615-61230
9165140820
main91651-40820
9165560820
main91655-60820
9165560830
main91655-60830
9166561025
main91665-61025
9418461000
main94184-61000
9418461200
main94184-61200
9454201000
main94542-01000
9461111001
main94611-11001
9461310800
main94613-10800
43 parts on this diagram · 2 diagrams in section