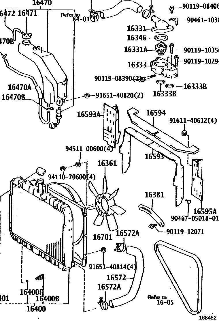
RADIATOR & WATER OUTLET

1605V-BELT
16331OUTLET, WATER
16331ATHERMOSTAT
16333HOUSING, WATER OUTLET
16333BRING, O(FOR WATER OUTLET HOUSING)
16346GASKET, THERMOSTAT
16381BAR, FAN BELT ADJUSTING
16400RADIATOR ASSY
16400BPLUG, RADIATOR DRAIN COCK
16400FPACKING(FOR RADIATOR DRAIN COCK)
16470TANK ASSY, RADIATOR RESERVE
16470AHOSE OR PIPE(FOR RADIATOR RESERVE TANK)
RADIATOR TO 2WAY
2WAY TO RESERVE TANK
2WAY TO RESERVE TANK
16470BCLAMP OR CLIP(FOR RADIATOR RESERVE TANK HOSE)
16471CAP SUB-ASSY, RESERVE TANK
16572HOSE, RADIATOR, OUTLET
16572ACLAMP OR CLIP, HOSE(FOR RADIATOR OUTLET NO.1)
16593GUIDE, RADIATOR AIR, NO.1
16593AGUIDE, RADIATOR AIR, NO.1 RH
16594GUIDE, RADIATOR AIR, NO.2
16595AGUIDE, RADIATOR AIR, NO.1 LH
16701SHROUD SUB-ASSY, FAN
8401SWITCH & RELAY & COMPUTER
9011908390
main90119-08390
9011908406
main90119-08406
9011910294
main90119-10294
9011910356
main90119-10356
9011912071
main90119-12071
9046110383
main90461-10383
904670501801
main90467-0501801
9161140612
main91611-40612
9165140814
main91651-40814
9165140820
main91651-40820
9411070600
main94110-70600
9451100600
main94511-00600
35 parts on this diagram · 2 diagrams in section