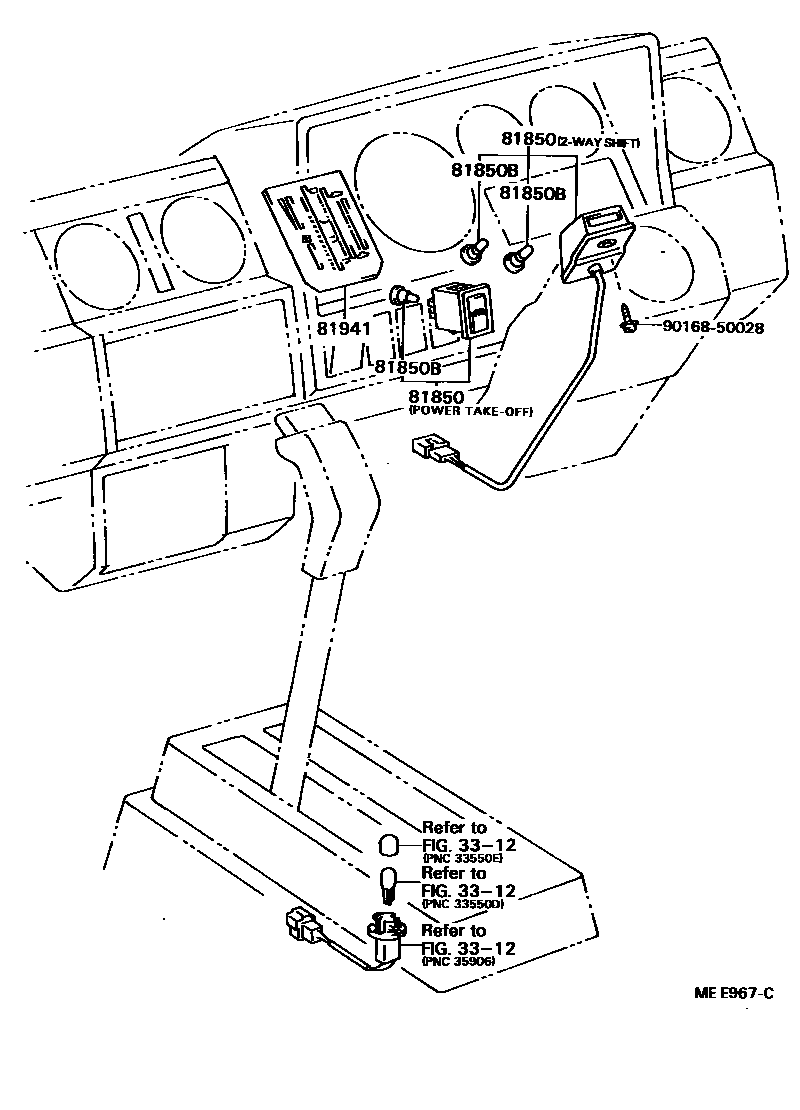
INDICATOR

3312SHIFT LEVER & RETAINER
81850LAMP ASSY, INDICATOR
2-WAY SHIFT
POWER TAKE-OFF
2-WAY SHIFT
81850BBULB, INDICATOR LAMP
81941PLATE, HEATER CONTROL NAME
9016850028
main90168-50028
5 parts on this diagram · 1 diagram in section

5 parts on this diagram · 1 diagram in section