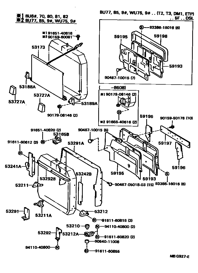
RADIATOR SUPPORT & WIND GUIDE

53165BSUPPORT, RADIATOR, CENTER
53173SHUTTER SUB-ASSY, RADIATOR WIND
53188ABRACKET, RADIATOR SHUTTER SUPPORT, RH
53189ABRACKET, RADIATOR SHUTTER SUPPORT, LH
53210SUPPORT ASSY, RADIATOR
53211SUPPORT, RADIATOR, RH
53211ABRACKET, RADIATOR SUPPORT, RH
53212SUPPORT, RADIATOR, LH
53212ABRACKET, RADIATOR SUPPORT, LH
53241AGUIDE, SIDE WIND, RH
53242BGUIDE, SIDE WIND, LH
53291SEAL, RADIATOR SUPPORT TO FRAME, RH
main16593-58030
53291ASHIELD, RADIATOR TO CAB FLOOR PANEL
53292SEAL, RADIATOR SUPPORT TO FRAME, LH
53292BGUIDE, RADIATOR AIR, NO.2
53727ASHUTTER, HOT AIR SIDE
59193GUARD, NOISE SHUTTER
59195INSULATOR, NOISE SHUTTER
59196SEAL, NOISE SHUTTER, UPPER NO.1
59197SEAL, NOISE SHUTTER, UPPER NO.2
9015950176
main90159-50176
9015960081
main90159-60081
9017908146
main90179-08146
904670501803
main90467-0501803
9046710015
main90467-10015
9054011008
main90540-11008
9161160612
main91611-60612
9161160816
main91611-60816
9161160820
main91611-60820
9161160855
main91611-60855
9165140816
main91651-40816
9165140820
main91651-40820
9166640616
main91666-40616
9338616016
main93386-16016
9411040800
main94110-40800
35 parts on this diagram · 1 diagram in section