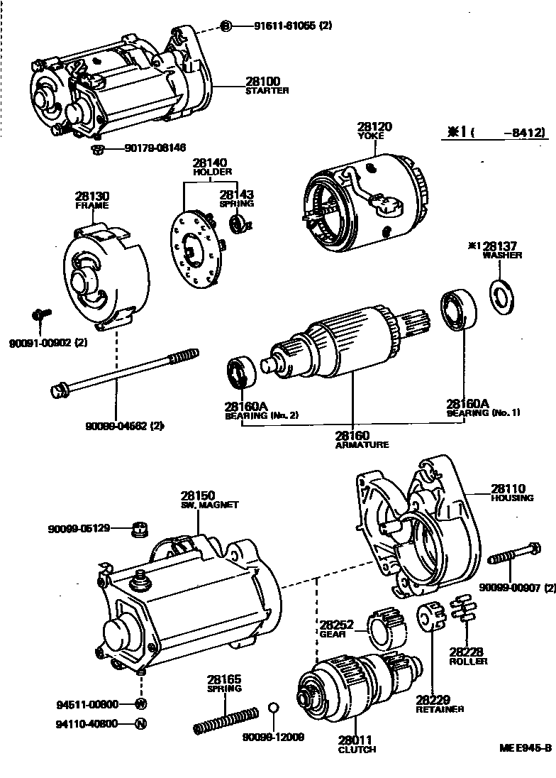
STARTER

28011CLUTCH SUB-ASSY, STARTER
12V 1.0KW,1.4KW
24V 4.5KW
24V 4.5KW
28100STARTER ASSY
28110HOUSING ASSY, STARTER DRIVE
12V 1.0KW
12V 1.4KW
24V 4.5KW,RR
24V 4.5KW,FR
28120YOKE ASSY, STARTER
12V 1.4KW
12V 1.0KW
28130FRAME ASSY, STARTER COMMUTATOR END
12V 1.0KW
12V 1.4KW
28137WASHER, FELT, STARTER
12V 1.0KW
28140HOLDER ASSY, STARTER BRUSH
12V 1.4KW
12V 1.0KW
24V 4.5KW
28143SPRING, STARTER BRUSH
12V 1.0KW,1.4KW
28150SWITCH ASSY, MAGNET STARTER
12V 1.0KW
12V 1.4KW
24V 4.5KW
28160ARMATURE ASSY, STARTER
12V 1.4KW
12V 1.0KW
24V 4.5KW
28160ABEARING, STARTER ARMATURE
12V 1.0KW,NO.2
12V 1.0KW,NO.1
12V 1.4KW,NO.1
12V 1.4KW,NO.2
28165SPRING, STARTER MAGNET SWITCH RETURN
12V 1.0KW,1.4KW
28228ROLLER, STARTER IDLE GEAR CLUTCH
12V 1.0KW,1.4KW
28229RETAINER, STARTER IDLE GEAR
12V 1.0KW,1.4KW
28252GEAR, STARTER IDLE
12V 1.0KW,1.4KW
9009100902
main90091-00902
9009900907
main90099-00907
9009904562
main90099-04562
9009905129
main90099-05129
9009912009
main90099-12009
9017908146
main90179-08146
9161161055
main91611-61055
9411040800
main94110-40800
9451100800
main94511-00800
24 parts on this diagram · 3 diagrams in section