E
EPC Data

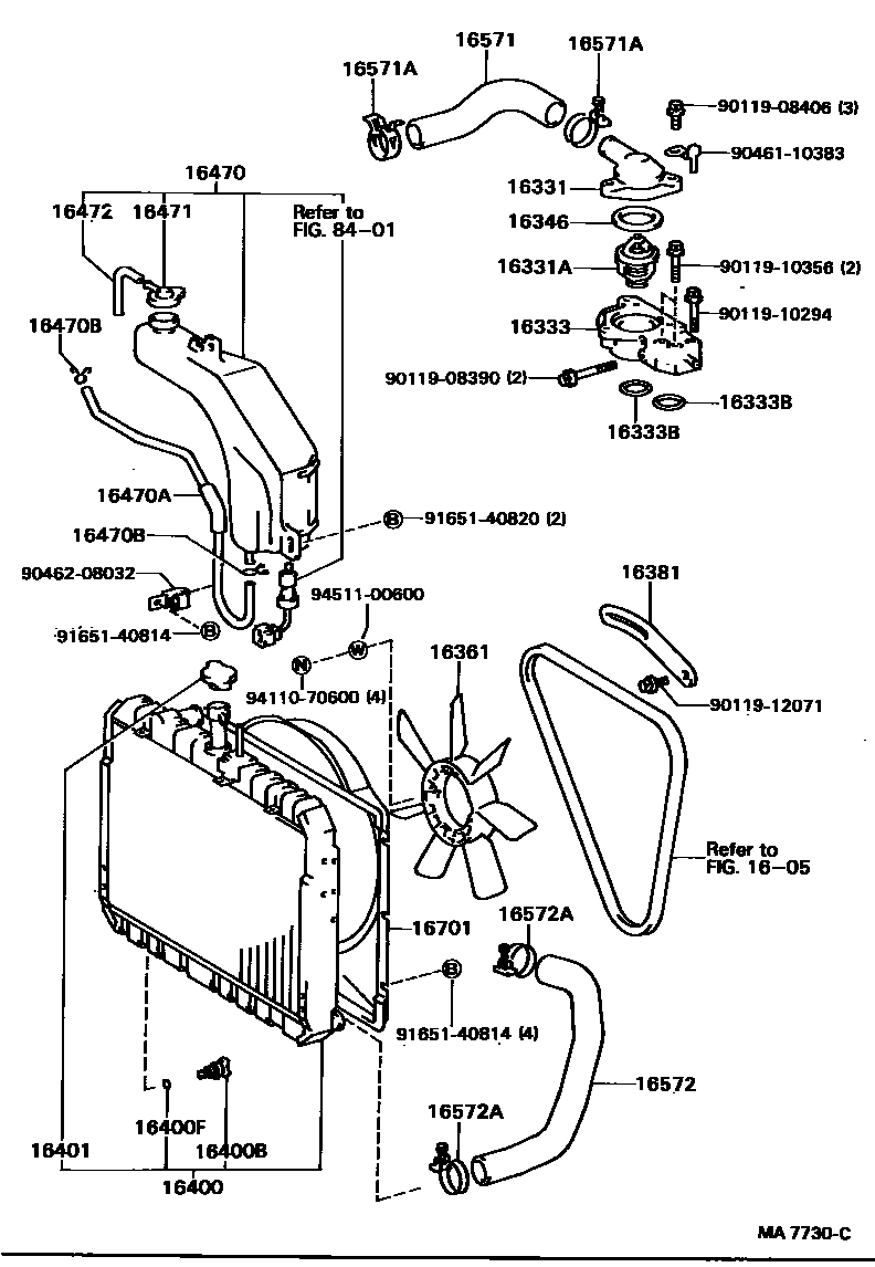
RADIATOR & WATER OUTLET

Parts diagram
16331OUTLET, WATER
main16331-71010i198409-198708
main16331-78010i198409-198708
16331ATHERMOSTAT
main90916-03046i198409-198502
main90916-03068i198409-198708
main90916-03069i198502-198708
16333HOUSING, WATER OUTLET
main16303-78010i198409-198708
16333BRING, O(FOR WATER OUTLET HOUSING)
main90301-31001×2i198409-198708
16346GASKET, THERMOSTAT
main16346-78010i198409-198708
16361FAN
main16361-38010i198409-198708
main16361-78010i198409-198708
16381BAR, FAN BELT ADJUSTING
main16381-71010i198409-198708
main16381-78020i198409-198708
16400RADIATOR ASSY
main16400-58140i198409-198512
main16400-58141i198512-198608
main16400-58142i198608-198708
main16400-73090i198409-198504
main16400-73091i198504-198708
16400BPLUG, RADIATOR DRAIN COCK
main16417-24051i198409-198708
main16417-58090i198409-198708
16400FPACKING(FOR RADIATOR DRAIN COCK)
main16418-24051i198409-198708
16401CAP SUB-ASSY, RADIATOR
main16401-71010i198409-198708
16470TANK ASSY, RADIATOR RESERVE
main16470-56120i198409-198708
main16470-56130i198409-198708
main16470-58010i198409-198708
W/OK MONITOR
main16470-58020i198409-198708
16470AHOSE OR PIPE(FOR RADIATOR RESERVE TANK)
main90445-12143i198409-198708
main90445-12149i198409-198510
main90445-12192i198510-198708
RADIATOR TO 2WAY
main90447-12056i198409-198510
main90447-12067i198510-198708
2WAY TO RESERVE TANK
main90447-12068i198510-198708
2WAY TO RESERVE TANK
16470BCLAMP OR CLIP(FOR RADIATOR RESERVE TANK HOSE)
main90467-11085×2i198409-198708
16471CAP SUB-ASSY, RESERVE TANK
main16405-56050i198409-198504
main16405-56051i198504-198708
main16405-56060i198409-198708
main16405-56070i198409-198708
16472HOSE, BREATHER
main85338-20020i198409-198708
16571HOSE, RADIATOR, INLET
main16571-73040i198409-198708
main16571-78020i198409-198708
16571ACLAMP OR CLIP, HOSE(FOR RADIATOR INLET)
main90467-37001×2i198409-198708
main90467-42001i198409-198708
RADIATOR SIDE
main96111-10510i198409-198708
WATER OUTLET SIDE
16572HOSE, RADIATOR, OUTLET
main16572-73030i198409-198708
RADIATOR TO PIPE
main16572-78010i198409-198511
main16572-78011i198511-198708
main16573-73010i198409-198708
PIPE TO INLET
16572ACLAMP OR CLIP, HOSE(FOR RADIATOR OUTLET NO.1)
main90460-55008i198511-198708
WATER PUMP SIDE
main90467-37002×2i198409-198708
main96111-10510i198409-198708
RADIATOR SIDE
main96111-10560i198409-198511
WATER PUMP SIDE
16701SHROUD SUB-ASSY, FAN
main16701-58040i198409-198708
main16701-73020i198409-198708
8401SWITCH & RELAY & COMPUTER
9011908390
9011908406
9011910294
9011910356
9011912071
9046110383
9046208032
9165140814
9165140820
9411070600
9451100600

34 parts on this diagram · 2 diagrams in section

RADIATOR & WATER OUTLET — Toyota Parts Diagram with OEM Numbers & Prices | EPC Data