E
EPC Data

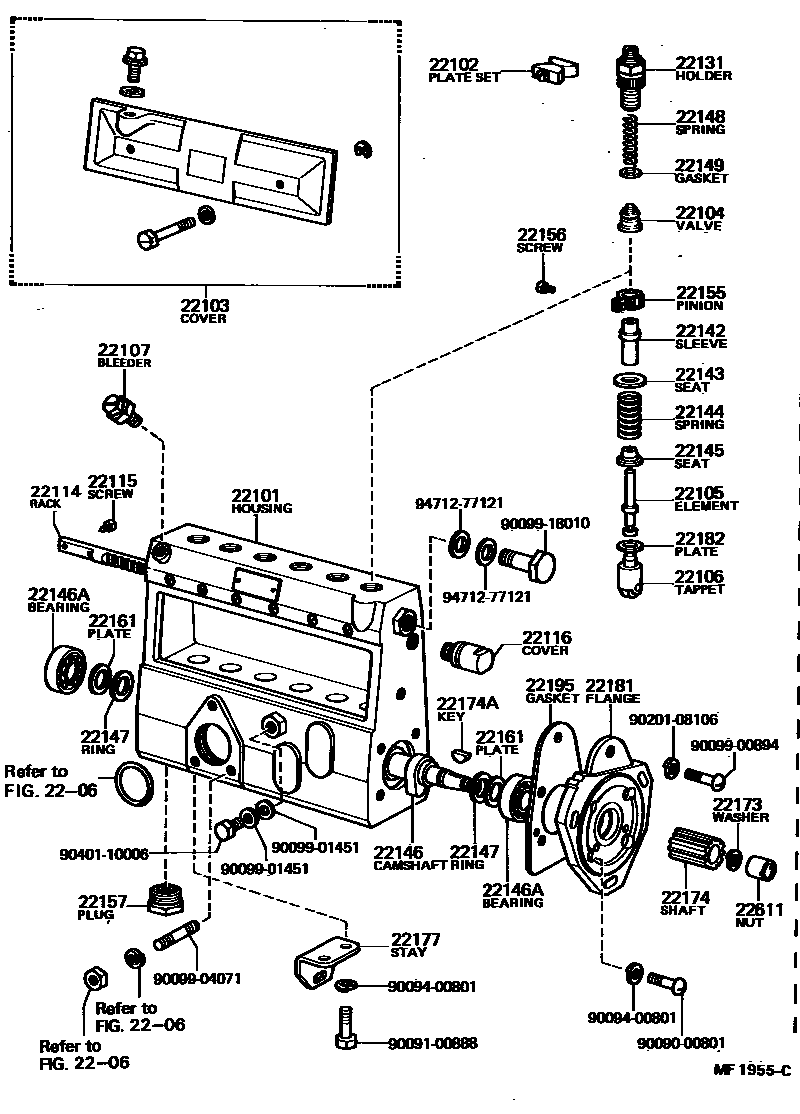
INJECTION PUMP BODY

Parts diagram
2206FUEL FEED PUMP
22101HOUSING SUB-ASSY, INJECTION PUMP
main22190-47061i197708-198008
main22190-48032i197708-198008
main22190-68010i198204-198304
main22190-78030i198304-198408
22102PLATE SET, VALVE HOLDER LOCK
main22102-77021×3i197708-198408
22103COVER SUB-ASSY, INJECTION PUMP
main22103-47060i197708-197908
main22103-48030i197708-198008
main22103-77130i198204-198304
main22103-78030i198304-198408
22104VALVE SUB-ASSY, INJECTION PUMP DELIVERY
main22104-77020×6i197708-198304
main22104-78030×4i198304-198408
22105ELEMENT SUB-ASSY, INJECTION PUMP
main22105-48023×6i197708-197812
main22105-48030×4i197812-198008
main22105-48110×6i197908-198008
main22105-68010×6i198204-198304
COLD SPEC
main22105-78030×4i198304-198408
22106TAPPET SUB-ASSY, INJECTION PUMP
main22106-46010×6i197708-198408
22107BLEEDER SUB-ASSY, AIR
main22150-67010i197708-198304
22114RACK, CONTROL
main22114-36010i198304-198408
main22114-48030i197708-198008
main22114-77130i197708-198008
22115SCREW, RACK GUIDE
main22115-77020i197708-198408
22116COVER, CONTROL RACK
main22116-46010i197708-198304
main22116-78030i198304-198408
22131HOLDER, DELIVERY VALVE
main22131-77020×6i197708-198304
main22131-78030×4i198304-198408
22142SLEEVE, PLUNGER CONTROL
main22142-77020×6i197708-198408
22143SEAT, SPRING UPPER
main22143-77020×6i197708-198304
main22143-78030×4i198304-198408
22144SPRING, PUMP PLUNGER
main22144-46010×6i197708-198304
main22144-78030×4i198304-198408
22145SEAT, SPRING, LOWER
main22145-46010×6i197708-198304
main22145-78030×4i198304-198408
22146CAMSHAFT, INJECTION PUMP
main22146-56010i197708-198008
main22146-68010i198204-198304
main22146-77020i197708-198008
main22146-78030i198304-198408
22146ABEARING(FOR INJECTION CAMSHAFT)
main90099-10087×2i197708-198304
main90099-10151i198304-198408
NO.1
22147RING, CAMSHAFT ADJUST
main22147-77020×2i197708-198304
main22147-78030i198304-198408
NO.1
22148SPRING, DELIVERY VALVE
main22148-46010×6i197708-198008
main22148-68010×6i198204-198304
main22148-78030×4i198304-198408
22149GASKET, DELIVERY VALVE
main22149-76010×6i197708-198304
main22149-78030×4i198304-198408
22155PINION, PLUNGER CONTROL
main22155-76010×6i197708-198408
22156SCREW, PLUNGER CONTROL PINION CLAMP
main22156-76010×6i197708-198408
22157PLUG, INJECTION PUMP FELT PLATE
main22157-48023×6i197708-198408
22161PLATE, CAMSHAFT SHIM
main22161-76010×2i197708-198304
main22162-76010×3i198304-198408
main22163-76010×2i197708-198304
main22164-76010×2i197708-198304
main22165-76010×2i197708-198304
main22166-76010×2i197708-198304
main22166-78030×3i198304-198408
main22166-78031×3i198304-198408
main22166-78032×3i198304-198408
main22166-78033×3i198304-198408
main22166-78034×3i198304-198408
main22166-78035×3i198304-198408
main22166-78036×3i198304-198408
main22166-78037×3i198304-198408
22173WASHER, SPRING
main22173-46010i197708-198008
main90099-01500i198304-198408
22174SHAFT, SPLINE
main22174-47010i197708-198008
22174AKEY(FOR SPLINE SHAFT)
main90099-13002i197708-198008
main90099-13020i198204-198304
22177STAY, INJECTION PUMP BODY
main22177-47010i197708-198008
main22177-48030i197708-198008
main22177-68010i198204-198304
22181FLANGE, INJECTION PUMP
main22181-48031i197708-198008
22182PLATE, TAPPET ADJUSTING SHIM
main22182-46010×6i197708-198408
main22183-46010×6i197708-198408
main22184-46010×6i197708-198408
main22185-46010×6i197708-198408
main22186-46010×6i197708-198408
main22186-48010×6i197708-198408
main22186-78030×4i198304-198408
main22187-46010×6i197708-198408
main22188-46010×6i197708-198408
main22189-46010×6i197708-198408
main22189-48031×6i197708-198408
main22189-48032×6i197708-198408
main22189-48033×6i197708-198408
main22189-48034×6i197708-198408
main22189-48035×6i197708-198408
main22189-48036×6i197708-198408
22195GASKET, BEARING COVER
main22195-48030i197708-198008
main22195-68010i198204-198304
main22195-78030i198304-198408
22611NUT, TIMER ROUND
main22611-46010i197708-198008
main22611-68010i198204-198304
main22611-78030i198304-198408
9009000801
9009100888
9009400801
9009900894
9009901451
9009904071
9009918010
9020108106
9040110006
9471277121

43 parts on this diagram · 4 diagrams in section

INJECTION PUMP BODY — Toyota Parts Diagram with OEM Numbers & Prices | EPC Data