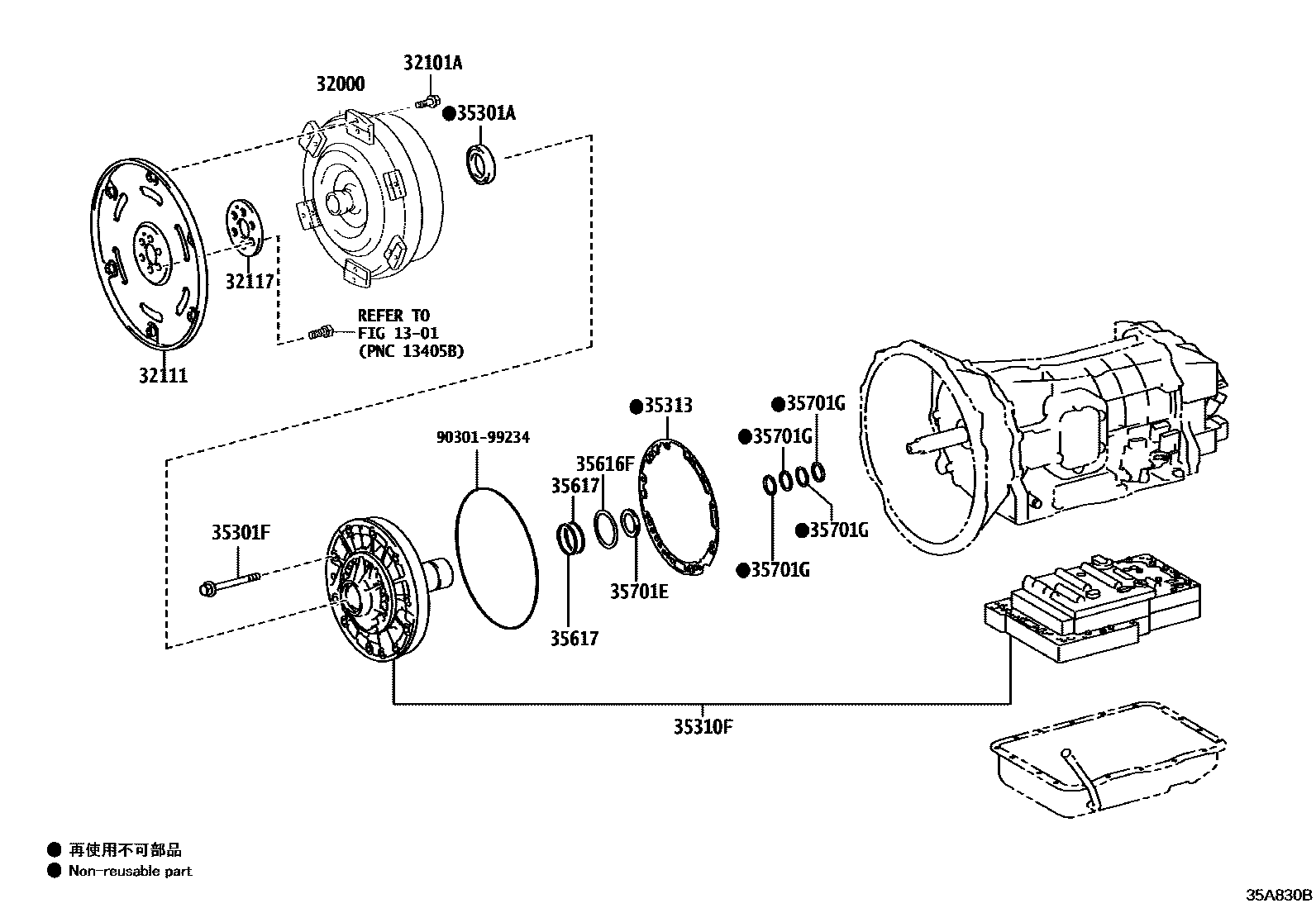
32000CONVERTER ASSY, TORQUE
main32000-37060iXZC60#,645,655,XZU60#,64#,65#..6FC202103 32101ABOLT(FOR DRIVE PLATE & TORQUE CONVERTER SETTING)
main90119-10894×6iXZC60#,645,655,XZU60#,64#,65#..6FC202103 32111PLATE, PUMP IMPELLER DRIVE
main32111-37050iXZC60#,645,655,XZU60#,64#,65#..6FC202103 32117SPACER, DRIVE PLATE, REAR
main32117-37050iXZC60#,645,655,XZU60#,64#,65#..6FC202103 35301ASEAL, OIL (FOR FRONT OIL PUMP)
main90311-46009iXZC60#,645,655,XZU60#,64#,65#..6FC202103 35301FBOLT (FOR FRONT OIL PUMP SETTING)
main90105-08476×10iXZC60#,645,655,XZU60#,64#,65#..6FC202103 main90105-08501iXZC60#,645,655,XZU60#,64#,65#..6FC202103 35310FPUMP ASSY, FRONT OIL
main35310-37010iXZC60#,645,655,XZU60#,64#,65#..6FC202103 35313GASKET, FRONT OIL PUMP COVER
main35313-37010iXZC60#,645,655,XZU60#,64#,65#..6FC202103 35616FWASHER, CLUTCH DRUM THRUST
main35616-37010iXZC60#,645,655,XZU60#,64#,65#..6FC202103 35617RING, CLUTCH DRUM OIL SEAL
main35617-37010×2iXZC60#,645,655,XZU60#,64#,65#..6FC202103 35701ERACE, THRUST BEARING (FOR INPUT SHAFT FRONT)
main35789-37010iXZC60#,645,655,XZU60#,64#,65#..6FC202103 main35789-37020iXZC60#,645,655,XZU60#,64#,65#..6FC202103 main35789-37030iXZC60#,645,655,XZU60#,64#,65#..6FC202103 35701GRING, INPUT SHAFT OIL SEAL
main35712-37020×4iXZC60#,645,655,XZU60#,64#,65#..6FC202103