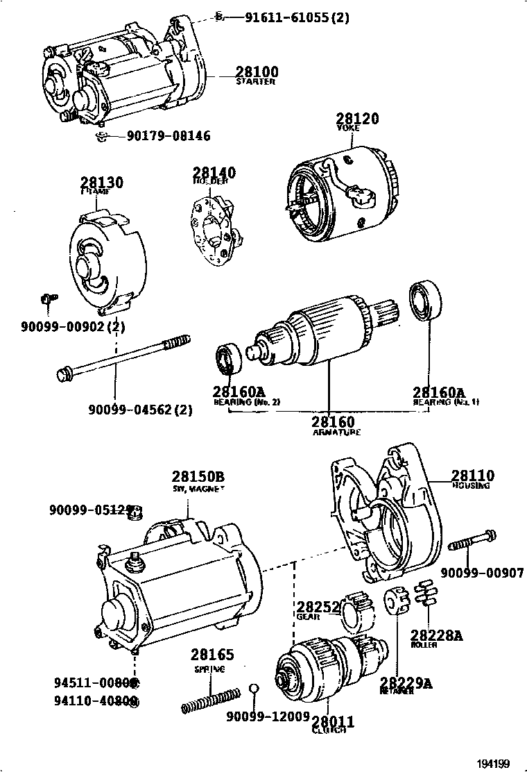
STARTER

28011CLUTCH SUB-ASSY, STARTER
28100STARTER ASSY
main28100-56240i13B..BU62..T4;B..BU60..T2,T4;B..BU60..T3..ST;B,11B,13B..BU61,8#,93,98..03S198708-198808
28110HOUSING ASSY, STARTER DRIVE
28120YOKE ASSY, STARTER
28130FRAME ASSY, STARTER COMMUTATOR END
28140HOLDER ASSY, STARTER BRUSH
28150BSWITCH ASSY, MAGNETIC
A TYPE
main28150-56170i13B..BU62..T4;B..BU60..T2,T4;B..BU60..T3..ST;B,11B,13B..BU61,8#,93,98..03S198708-198808
B TYPE
28160ARMATURE ASSY, STARTER
main28160-56140i13B..BU62..T4;B..BU60..T2,T4;B..BU60..T3..ST;B,11B,13B..BU61,8#,93,98..03S198708-198808
B TYPE
A TYPE
28160ABEARING, STARTER ARMATURE
main90099-10131i13B..BU62..T4;B..BU60..T2,T4;B..BU60..T3..ST;B,11B,13B..BU61,8#,93,98..03S198708-198808
main90099-54120i13B..BU62..T4;B..BU60..T2,T4;B..BU60..T3..ST;B,11B,13B..BU61,8#,93,98..03S198708-198808
28165SPRING, STARTER MAGNET SWITCH RETURN
28228AROLLER, STARTER CLUTCH
28229ARETAINER, STARTER IDLE GEAR
28252GEAR, STARTER IDLE
9009900902
main90099-00902
9009900907
main90099-00907
9009904562
main90099-04562
9009905129
main90099-05129
9009912009
main90099-12009
9017908146
main90179-08146
9161161055
main91611-61055
9411040800
main94110-40800
9451100800
main94511-00800
22 parts on this diagram · 2 diagrams in section