E
EPC Data

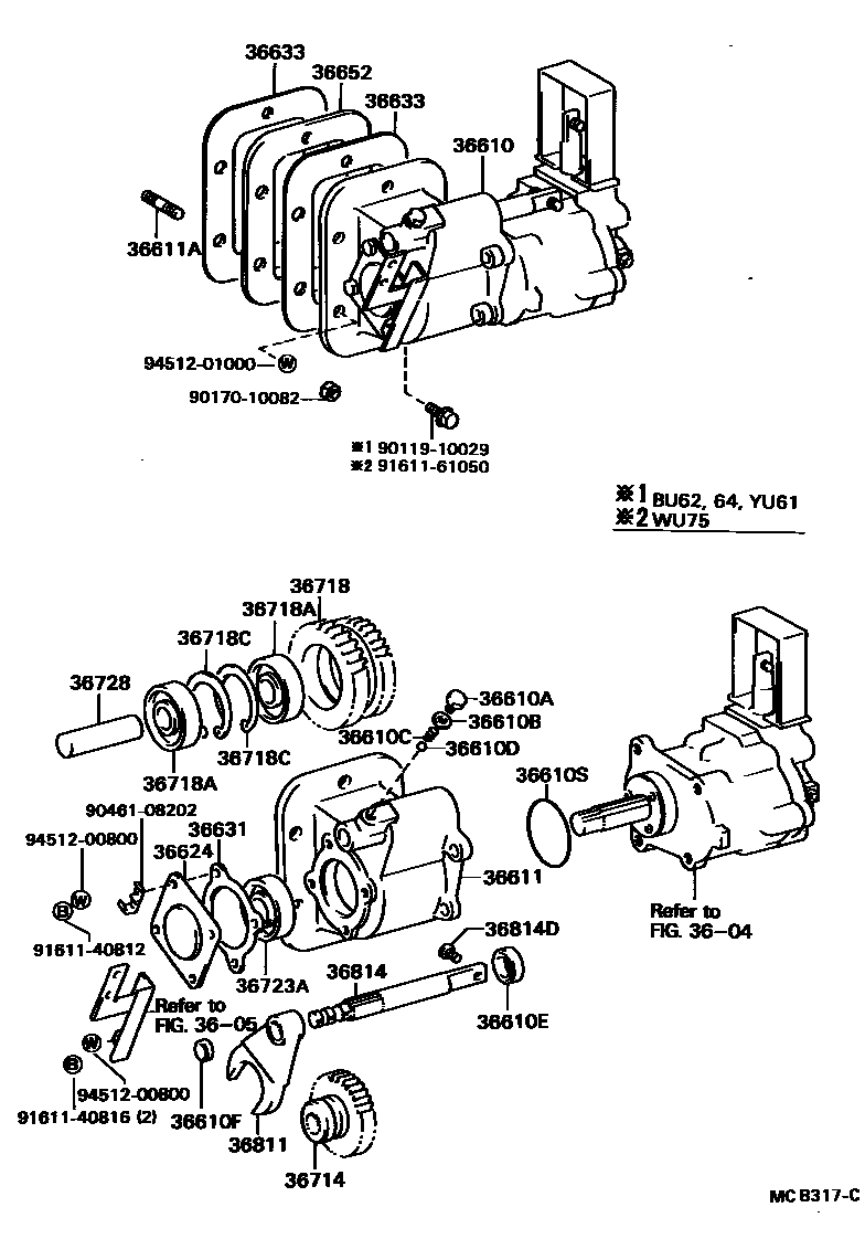
POWER TAKE-OFF CASE & GEAR

Parts diagram
3604
3605
36610POWER TAKE-OFF ASSY
main36610-36060i198409-198508
main36610-93103i198409-198508
main36610-93104i198409-198708
main36610-93105i198508-198608
main36610-93108i198608-198708
main36610-96300i198409-198508
main36610-96303i198409-198508
main36610-96306i198508-198608
main36610-96308i198508-198608
main36610-96313i198608-198708
main36610-96316i198608-198708
36610ABOLT, LOCK BALL (FOR POWER TAKE-OFF)
main90103-12002i198409-198708
main90341-10004i198507-198708
main90341-10056i198409-198507
main90341-12001i198409-198708
main90341-12008i198410-198708
36610BGASKET, SEAT (FOR POWER TAKE-OFF)
main90430-10022i198409-198507
main90430-12001i198409-198708
main90430-12001i198410-198708
main90430-12004i198409-198708
main90430-12006i198409-198708
main90430-12006i198410-198708
36610DBALL, GEAR SHIFT FORK LOCK (FOR POWER TAKE-OFF)
main90360-06004i198409-198708
main90360-08009i198409-198708
main90360-10001i198409-198708
main90360-10003i198410-198708
36610ESEAL, OIL (FOR POWER TAKE-OFF)
main90311-16001i198409-198708
main90311-20005i198409-198708
main90311-22004i198409-198708
main90313-22001i198410-198708
36610FPLUG, EXPANSION (FOR POWER TAKE-OFF)
main96411-11600i198409-198708
36610SRING, O (FOR POWER TAKE-OFF)
main90301-13005i198409-198708
main96711-31055i198409-198708
36611CASE, POWER TAKE-OFF
main36611-93101i198409-198508
main36611-93103i198409-198508
main36611-93105i198409-198708
main36611-93106i198508-198708
main36611-96303i198409-198508
main36611-96304i198508-198608
main36611-96305i198608-198708
36611ABOLT, STUD (FOR POWER TAKE-OFF CASE)
main90116-10074i198508-198509
main90116-10075i198409-198508
main90116-10099i198409-198708
main90116-10103i198508-198708
main90116-10105i198409-198508
36624CAP, POWER TAKE-OFF BEARING
main36624-36010i198409-198708
main36624-36020i198410-198708
main36624-93100i198409-198708
36631GASKET, POWER TAKE-OFF BEARING RETAINER
main36631-93102i198409-198708
main36631-96300i198409-198708
main36632-93200i198409-198708
36633GASKET, POWER TAKE-OFF
main33162-93101i198409-198508
T=1.5
main33162-93101i198410-198411
main33162-96300i198508-198708
T=1.0
main33162-96300i198409-198508
main36633-93102i198409-198708
main36633-93103i198410-198411
main36633-93103i198409-198508
T=1.0
main36637-36010i198410-198708
36652SPACER, POWER TAKE-OFF CASE
main36642-36010i198409-198508
main36642-93101i198409-198508
main36642-93102i198409-198508
36714GEAR, POWER TAKE-OFF OUTPUT
main36714-36020i198410-198708
main36714-93101i198409-198708
main36714-93103i198409-198708
main36714-96300i198409-198508
main36714-96302i198508-198708
36718GEAR, POWER TAKE-OFF IDLER
main36718-36020i198410-198708
main36718-93103i198409-198508
main36718-93104i198409-198508
main36718-93106i198409-198708
main36718-93107i198508-198708
main36718-96302i198409-198508
main36718-96304i198508-198708
36718ABEARING(FOR POWER TAKE-OFF IDLER GEAR FRONT)
main90366-20002i198409-198708
main90366-22001i198508-198708
main97100-06305i198409-198508
main97103-06304i198409-198708
36718CRING, HOLE SNAP(FOR POWER TAKE-OFF IDLER GEAR)
main90520-28029i198409-198708
main90521-56002i198409-198708
main90521-56108i198508-198708
main90521-66001i198409-198508
36723SHAFT, POWER TAKE-OFF OUTPUT, NO.1
main36723-36020i198410-198708
main36723-93101i198409-198708
main36723-93103i198409-198708
36723ABEARING (FOR OUTPUT SHAFT FRONT)
main90363-25001i198409-198708
main90366-20002i198409-198708
main97103-06207i198410-198708
main97103-06304i198409-198708
36728SHAFT, POWER TAKE-OFF IDLER
main36728-36020i198410-198708
main36728-93101i198409-198708
main36728-93103i198409-198708
main36728-96300i198409-198708
36811FORK, POWR TAKE-OFF SHIFT, NO.1
main36811-36020i198410-198708
main36811-93101i198409-198708
main36811-93103i198409-198708
main36811-96300i198409-198708
36814SHAFT, POWR TAKE-OFF FORK, NO.1
main36814-36020i198410-198708
main36814-93102i198409-198708
main36814-93110i198409-198708
main36814-96303i198409-198708
36814DBOLT, SERRATION (FOR POWER TAKE-OFF SHAFT)
main90114-08005i198409-198507
main90114-08025i198507-198708
9011910029
9017010082
9046108202
9161140812
9161140816
9161161050
9451200800
9451201000

33 parts on this diagram · 4 diagrams in section

POWER TAKE-OFF CASE & GEAR — Toyota Parts Diagram with OEM Numbers & Prices | EPC Data