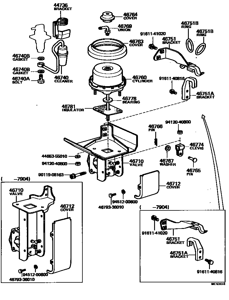
44736BRACKET, AIR CLEANER
main44736-36020iBU22,25..H50;BU20..T3..03S..WT..ATP..DSL;BU20,21,23..(DM1,DM4,TB)..H50197708-198408 46710VALVE ASSY, EXHAUST BRAKE
main46710-25010iBU20,22..M50;BU21,23..DM3;BU21,23..BTP,FTP; BU3#,45,46198204-198408 main46710-36020iBU25;BU20..(DM1,TB)..H50;BU20..T3..03S..WT..ATP..DSL197708-198204 46712COVER, EXHAUST VALVE LINK
46740CLEANER ASSY, EXHAUST RETARDER
main46740-36020iBU22,25..H50;BU20..T3..03S..WT..ATP..DSL;BU20,21,23..(DM1,DM4,TB)..H50197708-198408 46740ABOLT, UNION(FOR EXHAUST BRAKE CLEANER ASSY)
main90401-12097iBU2#,30..H50;BU20..T3..03S..WT..ATP197708-197904 46740BGASKET(FOR EXHAUST BRAKE CLEANER ASSY)
main90430-12247×2iBU2#,30..H50;BU20..T3..03S..WT..ATP197708-197904 46751BRACKET, EXHAUST BRAKE, NO.1
main46702-36030iBU20..H50..20T;BU20..T3..03S..WT..ATP197708-197712 main46702-36031iBU25;BU20..H50..20T;BU20..T3..03S..WT..ATP197712-197904 main46702-36040iBU20..BTP,CTP,FTP; BU31,36;BU20..DM3197904-198204 main46702-36050iBU20,22..M50;BU21,23..DM3;BU21,23..BTP,FTP; BU3#,4#,5#198204-198408 46751ABRACKET, EXHAUST BRAKE, NO.2
main17561-38010iBU20,22..M50;BU21,23..DM3;BU21,23..BTP,FTP; BU3#,4#,5#198204-198408 46751BRING, O(FOR EXHAUST BRAKE BRACKET)
main90301-34207×2iBU2#,30..H50;BU20..T3..03S..WT..ATP197708-197904 46760CYLINDER ASSY, EXHAUST RETARDER VACUUM
main46760-36020iBU25;BU20..H50..20T;BU20..T3..03S..WT..ATP197708-197904 46763COVER, VACUUM CYLINDER DUST, NO.1
main46763-36010iBU2#,30..H50;BU20..T3..03S..WT..ATP197708-197904 46764COVER, VACUUM CYLINDER DUST, NO.2
main46764-36010iBU2#,30..H50;BU20..T3..03S..WT..ATP197708-197904 46765PIN, VACUUM CYLINDER CLEVIS
main46765-36010iBU2#,30..H50;BU20..T3..03S..WT..ATP197708-197904 46766PIN, VACUUM CYLINDER CLEVIS SNAP
46767WASHER, VACUUM CLEVIS
46769UNION, VACUUM CYLINDER
main46769-36010iBU2#,30..H50;BU20..T3..03S..WT..ATP197708-197904 46774CLEVIS, EXHAUST BRAKE ROD
main46774-36020iBU25;BU20..H50..20T;BU20..T3..03S..WT..ATP197708-197904 46778BEARING, VACUUM CYLINDER
main46778-36010iBU2#,30..H50;BU20..T3..03S..WT..ATP197708-197904 46781INSULATOR, EXHAUST BRAKE CHAMBER, NO.1
4465355010HUB SUB-ASSY, BOOSTER
4679336010BOLT, EXHAUST VALVE LINK COVER