E
EPC Data

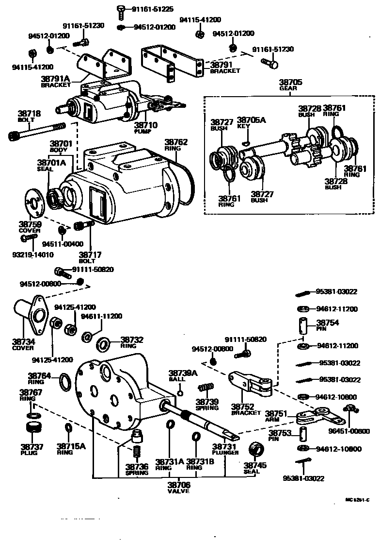
POWER TAKE-OFF OIL PUMP

Parts diagram
38701BODY SUB-ASSY, OIL PUMP
main38701-96303i197708-198408
38701ASEAL, OIL (FOR OIL PUMP BODY)
main38758-96301i197708-198408
main90311-22001i197708-198408
38705GEAR SUB-ASSY, OIL PUMP
main38705-96971i197708-198408
38705AKEY, PUMP SHAFT
main38729-96302i197708-198408
38706VALVE SET, OIL PUMP
main38706-96973i197708-198408
main38731-93101i197708-198408
38710PUMP ASSY, OIL
main38710-93101i197708-198408
main38710-96302i197708-198408
38715ARING, O (FOR BALVE BODY SIDE)
main38767-96301i197708-198408
38717BOLT, COVER, SHORT
main90110-10008×6i197708-198408
38718BOLT, COVER, LONG
main90110-10009×2i197708-198408
38727BUSH, INNER (FOR OIL PUMP)
main38727-96302×2i197708-198204
38728BUSH, OUTER (FOR OIL PUMP)
main38728-96302×2i197708-198204
main38728-96303×2i198204-198408
38731PLUNGER (FOR OIL PUMP)
main38731-96302i197708-197804
main38731-96303i197804-198408
38731ARING, O (FOR PLUNGER NO.1)
main90301-17011i197708-198408
38731BRING, O (FOR PLUNGER NO.2)
main38767-96301i197708-198408
38732RING, BACK UP
main38732-93101i197708-198408
main90562-18120i197708-198408
38734COVER, PLUNGER
main38703-96301i197708-198408
main38734-93101i197708-198408
38736SPRING, CHECK VALVE
main38736-96303i197708-198408
main90501-12005i197708-198408
38737PLUG, CHECK VALVE
main90340-28006i197708-198408
main90341-28001i197708-198408
38739SPRING, PLUNGER NEUTRAL INDICATING BALL
main38739-96301i197708-198408
main90501-08001×2i197708-198408
38739ABALL, PLUNGER NEUTRAL INDICATING
main90360-06004i197708-198408
38745SEAL, OIL (FOR PUMP CONTROL VALVE PLUNGER)
main38745-96301i197708-198408
38751ARM, CONTROL
main38751-96301i197708-197804
main38751-96302i197804-198408
38752BRACKET, CONTROL ARM
main38752-96302i197708-198408
38753PIN, CONTROL ARM
main38753-96302i197804-198408
main90255-10009i197708-197804
38754PIN, CONTROL ARM BRACKET
main38754-96302i197708-198408
38759COVER, SEAL (FOR OIL PUMP BODY)
main38759-93102i197708-198408
main38759-96301i197708-198408
38761RING, O (FOR OIL PUMP INNER BUSH)
main38761-96302×4i197708-198008
main38761-96303×4i198204-198408
main96711-35034×4i198008-198204
38762RING, O (FOR OIL PUMP INNER BUSH)
main38762-96301i197708-198008
main96711-31080i198008-198408
38764RING, O (FOR OIL PUMP VALVE SET)
main38764-96301i197708-198408
38767RING, O (FOR CHECK VALVE SPRING)
main38768-96301i197708-198008
main90301-29001i197708-198408
main96711-24020i198008-198408
38791BRACKET, OIL PUMP
main38791-93101i197708-198408
main38791-93300i197904-198408
main38791-96306i197708-198408
38791ABRACKET, OIL PUMP, NO.2
main38792-96304i197708-198408
9111150820
9116151225
9116151230
9321914010
9411541200
9412541200
9451100400
9451200800
9451201200
9461111200
9461210800
9461211200
9538103022
9645100600

46 parts on this diagram · 2 diagrams in section

POWER TAKE-OFF OIL PUMP — Toyota Parts Diagram with OEM Numbers & Prices | EPC Data