E
EPC Data

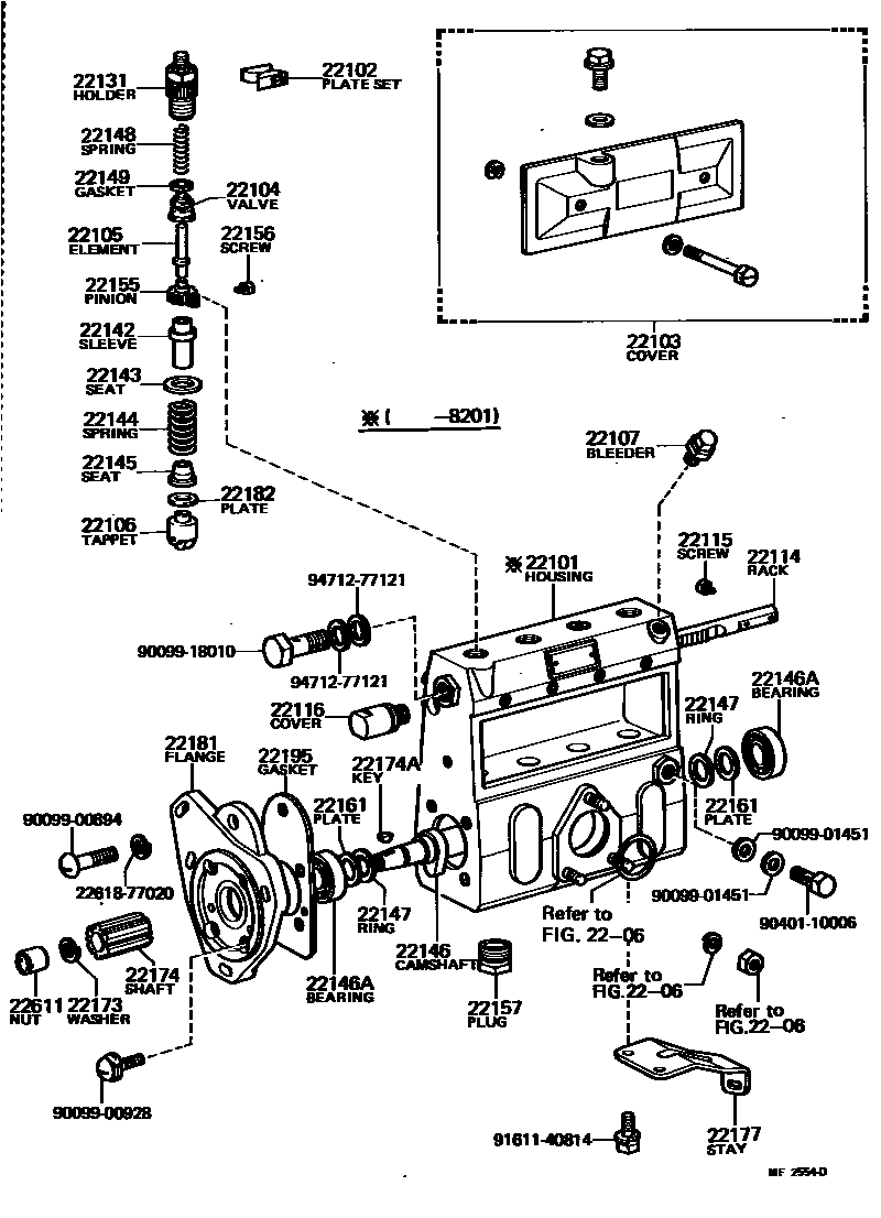
INJECTION PUMP BODY

Parts diagram
2206
22101HOUSING SUB-ASSY, INJECTION PUMP
main22101-58200i198302-198307
main22101-64230i198307-198408
main22190-56041i197708-198008
main22190-56042i198008-198201
22102PLATE SET, VALVE HOLDER LOCK
main22102-77021i197708-198302
22103COVER SUB-ASSY, INJECTION PUMP
main22103-48030i197708-198302
22104VALVE SUB-ASSY, INJECTION PUMP DELIVERY
main22104-54010i198302-198408
main22104-54060i198302-198408
main22104-77020i197708-198302
22105ELEMENT SUB-ASSY, INJECTION PUMP
main22105-56010i197708-197804
main22105-56040i197804-198302
main22105-58010i198008-198302
22106TAPPET SUB-ASSY, INJECTION PUMP
main22106-46010i197708-198302
22107BLEEDER SUB-ASSY, AIR
main22150-67010i197708-198302
22114RACK, CONTROL
main22114-48030i197708-198302
22115SCREW, RACK GUIDE
main22115-77020i197708-198302
22116COVER, CONTROL RACK
main22116-46010i197708-198302
22131HOLDER, DELIVERY VALVE
main22131-54110i198302-198408
main22131-77020i197708-198302
22142SLEEVE, PLUNGER CONTROL
main22142-77020i197708-198302
22143SEAT, SPRING UPPER
main22143-54010i198302-198408
main22143-77020i197708-198302
22144SPRING, PUMP PLUNGER
main22144-46010i197708-198302
main22144-54010i198302-198307
main22144-54180i198307-198408
22145SEAT, SPRING, LOWER
main22145-46010i197708-198302
main22145-54010i198302-198408
22146CAMSHAFT, INJECTION PUMP
main22146-56010i197708-198302
22146ABEARING(FOR INJECTION CAMSHAFT)
main90099-10087i197708-198302
22147RING, CAMSHAFT ADJUST
main22147-77020i197708-198302
22148SPRING, DELIVERY VALVE
main22148-46010i197708-198302
main22148-54010i198302-198408
22149GASKET, DELIVERY VALVE
main22149-54010i198302-198408
main22149-76010i197708-198302
22155PINION, PLUNGER CONTROL
main22155-76010i197708-198302
22156SCREW, PLUNGER CONTROL PINION CLAMP
main22156-76010i197708-198302
22157PLUG, INJECTION PUMP FELT PLATE
main22157-48023i197708-198302
22161PLATE, CAMSHAFT SHIM
main22161-76010i197708-198302
main22162-76010i197708-198302
main22163-76010i197708-198302
main22164-76010i197708-198302
main22165-76010i197708-198302
main22166-76010i197708-198302
22173WASHER, SPRING
main22173-46010i197708-198302
22174SHAFT, SPLINE
main22174-47010i197708-198302
main22174-58200i198302-198408
22174AKEY(FOR SPLINE SHAFT)
main90099-13002i197708-198302
22177STAY, INJECTION PUMP BODY
main22177-56041i197708-198201
main22177-56042i198201-198302
22181FLANGE, INJECTION PUMP
main22181-56040i197708-198302
22182PLATE, TAPPET ADJUSTING SHIM
main22182-46010i197708-198302
main22182-54010i198302-198408
main22183-46010i197708-198302
main22183-54010i198302-198408
main22184-46010i197708-198302
main22184-54010i198302-198408
main22185-46010i197708-198302
main22185-54010i198302-198408
main22186-46010i197708-198302
main22186-48010i197708-198302
main22186-54010i198302-198408
main22187-46010i197708-198302
main22187-54010i198302-198408
main22188-46010i197708-198302
main22188-54010i198302-198408
main22189-46010i197708-198302
main22189-48031i197708-198302
main22189-48032i197708-198302
main22189-48033i197708-198302
main22189-48034i197708-198302
main22189-48035i197708-198302
main22189-48036i197708-198302
22195GASKET, BEARING COVER
main22195-48030i197708-198302
22611NUT, TIMER ROUND
main22611-46010i197708-198302
main22611-58200i198302-198408
2261877020GASKET, TIMER SCREW
9009900894
9009900928
9009901451
9009918010
9040110006
9161140814
9471277121

41 parts on this diagram · 2 diagrams in section

INJECTION PUMP BODY — Toyota Parts Diagram with OEM Numbers & Prices | EPC Data