E
EPC Data

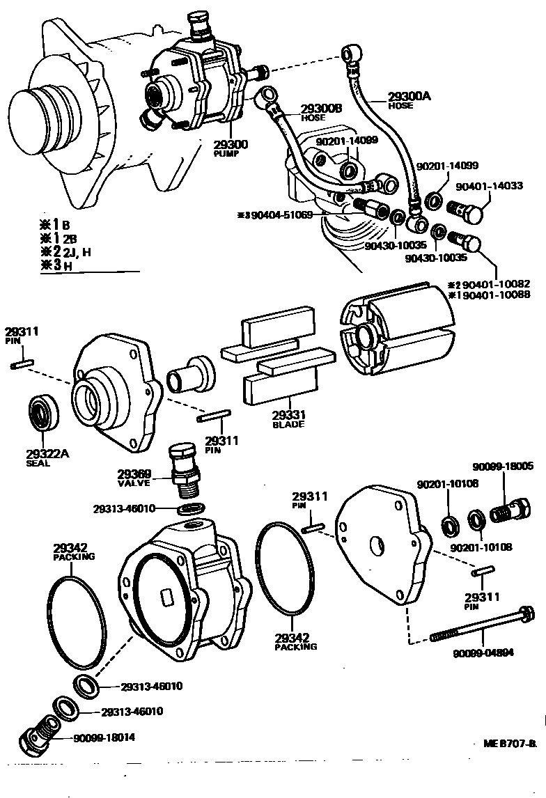
VACUUM PUMP

Parts diagram
29300PUMP ASSY, VACUUM
main29300-56020i197708-198008
main29300-56070i198204-198408
main29300-56080i198204-198408
main29300-57011i198008-198204
29300AHOSE, VACUUM PUMP OIL INLET
main90923-02033i197708-198008
main90923-02072i198204-198408
main90923-02083i198008-198408
29300BHOSE, VACUUM PUMP OIL OUTLET
main90923-02054i197708-198008
main90923-02065i198008-198204
main90923-02073i198204-198408
29311PIN, VACUUM PUMP DOWEL, NO.1
main29311-76010i198204-198408
main90099-08082i197708-198408
29322ASEAL, VACUUM PUMP OIL
main90099-15017i197708-198408
29331BLADE, VACUUM PUMP, A
main29331-56010i197708-198408
main29331-56070i198204-198408
29342PACKING, VACUUM PUMP
main96740-02063i197708-198408
29369VALVE SUB-ASSY, CHECK
main29369-54010i198008-198204
main29369-56020i197708-198008
main29369-56070i198204-198408
main29369-68030i198204-198408
2931346010
9009904894
9009918005
9009918014
9020110108
9020114099
9040110082
9040110088
9040114033
9040451069
9043010035

19 parts on this diagram · 4 diagrams in section

VACUUM PUMP — Toyota Parts Diagram with OEM Numbers & Prices | EPC Data