E
EPC Data

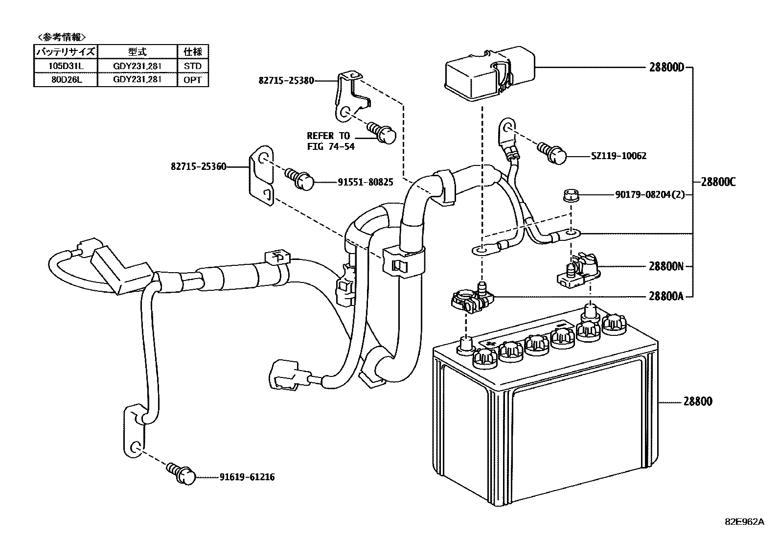
BATTERY & BATTERY CABLE

Parts diagram
28800BATTERY
main28800-67082i202210-202306
main28800-54432×2supersedes 28800-67084i202306-202509
main28800-67102×2i202108-202305
28800ATERMINAL, BATTERY POSITIVE
main90982-05042i202108
main90982-05050i202112-202509
28800CCABLE, BATTERY TO STARTER(FOR BATTERY TO MAIN SWITCH)
main82122-25820supersedes 82122-25800i202108-202509
main82122-25830supersedes 82122-25810i202108-202509
main82122-25850i202108-202509
main82122-25860i202108-202509
main82122-25890supersedes 82122-25870i202108
main82122-25A00supersedes 82122-25880i202108
main82122-25A10i202108
main82122-25A20supersedes 82122-25880i202108
28800DCOVER, CONNECTOR(FOR BATTERY TERMINAL)
main82821-12380i202108-202509
main82821-37071i202108
28800NTERMINAL, BATTERY NEGATIVE
main90982-06024i202108
main90982-06060i202108-202509
7454BATTERY CARRIER
8271525360BRACKET,WIRING HARNESS CLAMP
8271525380BRACKET,WIRING HARNESS CLAMP
9017908204
9155180825
9161961216
SZ11910062

12 parts on this diagram · 3 diagrams in section

BATTERY & BATTERY CABLE — Toyota Parts Diagram with OEM Numbers & Prices | EPC Data