E
EPC Data

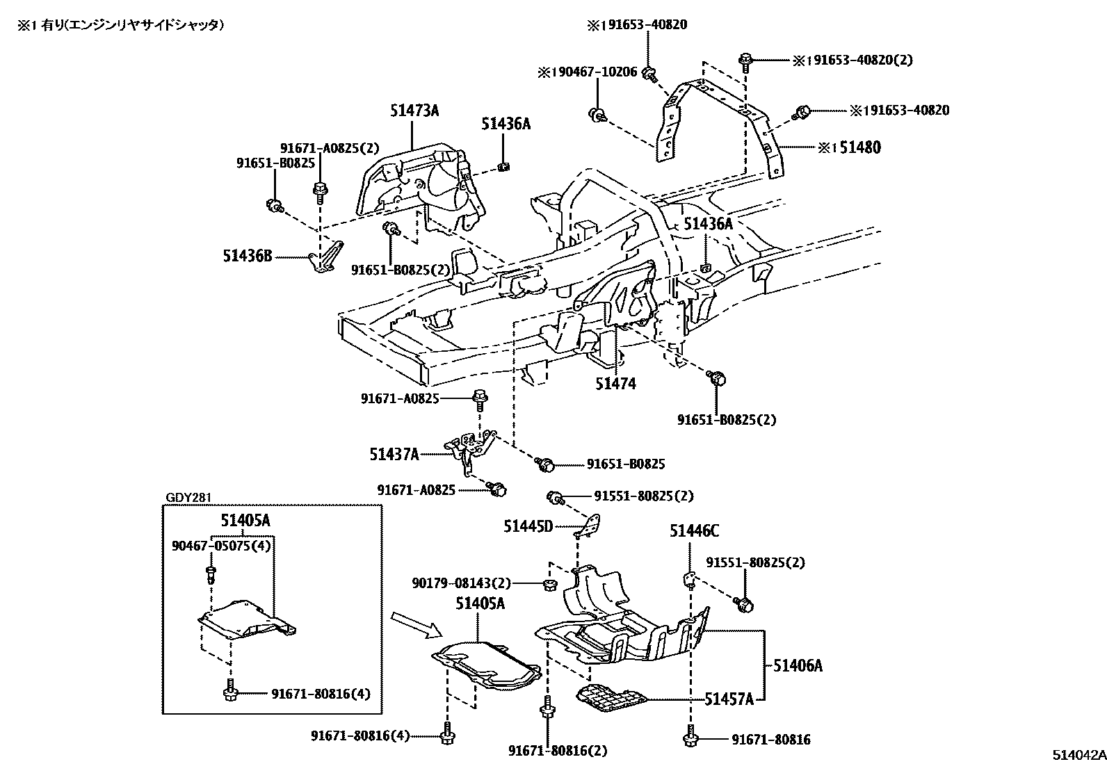
SUSPENSION CROSSMEMBER & UNDER COVER

Parts diagram
51405ACOVER SUB-ASSY, ENGINE UNDER, NO.1
main51405-25100i202108-202509
main51405-25130i202108-202305
main51405-25131i202306-202509
51406ACOVER SUB-ASSY, ENGINE UNDER, NO.2
main51406-25090i202108-202305
main51406-25091i202306-202509
51436ABRACKET, ENGINE SIDE COVER
main51436-37080×2i202108
51436BBRACKET, ENGINE SIDE COVER, NO.1 RH
main51436-25030i202108-202509
main51436-25040i202108-202305
51437ABRACKET, ENGINE SIDE COVER, NO.1 LH
main51047-25030i202108-202509
main51047-25040i202108-202301
51445DBRACKET, ENGINE UNDER COVER, RH
main51445-25141i202108
51446CBRACKET, ENGINE UNDER COVER, LH
main51446-25050i202108-202509
51457ABRACKET, ENGINE UNDER COVER, NO.3
main51457-25020i202108-202509
51473ACOVER SUB-ASSY, ENGINE SIDE, RH
main51073-25010i202108-202407
main51073-25011i202408
main51473-25060i202108-202509
51474COVER SUB-ASSY, ENGINE SIDE, LH
main51074-25010i202108-202407
main51074-25011i202408
main51474-25040i202108-202509
51480SHUTTER ASSY, ENGINE REAR SIDE, RH
main51480-25021i202108
main51480-25040i202108-202509
9017908143
9046705075
9046710206
9155180825
91651B0825
9165340820
9167180816
91671A0825

19 parts on this diagram · 2 diagrams in section

SUSPENSION CROSSMEMBER & UNDER COVER — Toyota Parts Diagram with OEM Numbers & Prices | EPC Data