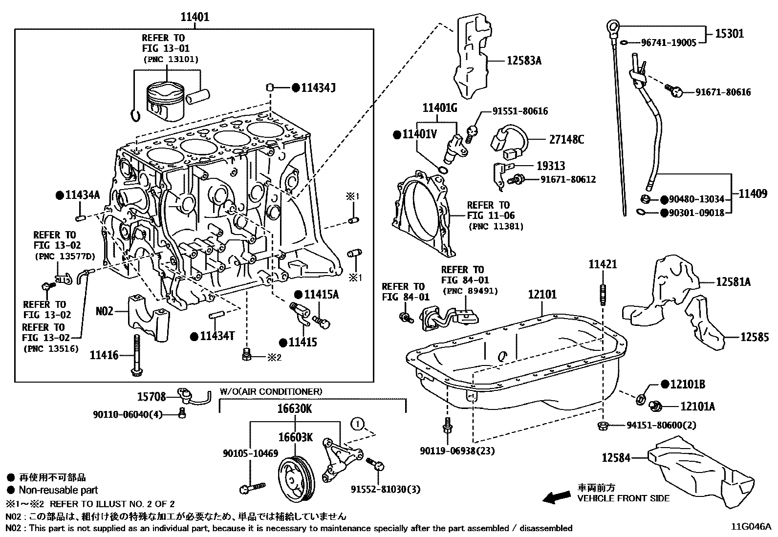
CYLINDER BLOCK

1106TIMING GEAR COVER & REAR END PLATE
11401BLOCK SUB-ASSY, CYLINDER
11401GSENSOR, CRANK POSITION
11401VO-RING, CRANK POSITION SENSOR
11409GUIDE SUB-ASSY, OIL LEVEL GAGE
11415COCK SUB-ASSY, WATER DRAIN(FOR CYLINDER BLOCK)
11415APLUG, WATER DRAIN COCK(FOR CYLINDER BLOCK)
11416BOLT(FOR CRANKSHAFT BEARING CAP SET)
11421BOLT, STUD(FOR OIL PAN)
11434APIN, STRAIGHT(FOR TIMING GEAR COVER SET)
11434JPIN, RING (FOR CYLINDER HEAD SET)
11434TPIN, RING(FOR TIMING BELT IDLER BRACKET SET)
12101APLUG(FOR OIL PAN DRAIN)
12101BGASKET(FOR OIL PAN DRAIN PLUG)
12581AINSULATOR, CYLINDER BLOCK, NO.1
12583AINSULATOR, CYLINDER BLOCK, NO.3
12584INSULATOR, CYLINDER BROCK, NO.4
12585INSULATOR, CYLINDER BROCK, NO.5
1301CRANKSHAFT & PISTON
1302CAMSHAFT & VALVE
15301GAGE SUB-ASSY, OIL LEVEL
15708NOZZLE SUB-ASSY, OIL, NO.1
16603KPULLEY SUB-ASSY, IDLER
16630KPULLEY ASSY, IDLER
19313BRACKET, CRANK POSITION SENSOR HARNESS
27148CWIRE, CONNECTING
8401SWITCH & RELAY & COMPUTER
9010510469
main90105-10469
9011006040
main90110-06040
9011906938
main90119-06938
9030109018
main90301-09018
9048013034
main90480-13034
9155180616
main91551-80616
9155281030
main91552-81030
9167180612
main91671-80612
9167180616
main91671-80616
9415180600
main94151-80600
9674119005
main96741-19005
39 parts on this diagram · 4 diagrams in section