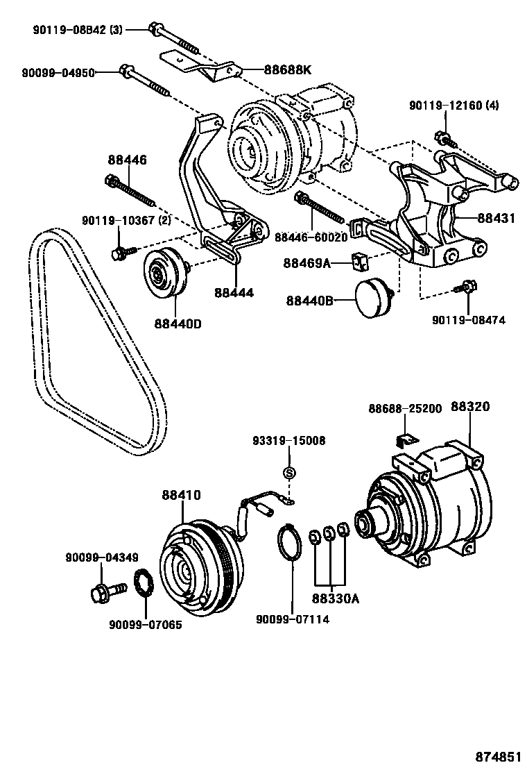
HEATING & AIR CONDITIONING - COMPRESSOR

88320COMPRESSOR ASSY, COOLER
main88320-25060iLY240..03S;LY220..15T..IV3;LY220,270..MTM..125T..ST..IV3;LY230,280..(T3,T4)..MTM..DSL..IV3200108-200408
main88320-25140iKDY240..03S;KDY230..15T..WT..IV3;KDY230..T3..15T..IV3;KDY220..(125T,15T)..IV3;KDY280..(T3,T4)..15T..IV3;KDY270,280..T3..MTM..125T..IV3200408-200708
main88320-25160iKDY221..TB..IV3;KDY281..T3..IV3;KDY231..T3..15T..IV3;KDY231..15T..WT..IV3;KDY221,271..(T2,T3)..IV3200709-201008
88330AWASHER (FOR MAGNET CLUTCH)
main88335-14020iRZY231,281,TRY231,281;KDY22#,23#,24#,27#,28#,290,LY220,230,240,270,280,290,TRY220,230..DCR,DSL,EFI200107
88410CLUTCH ASSY, MAGNET
main88410-25170iKDY240..03S;KDY281..T3..IV3;KDY23#..15T..WT..IV3;KDY23#..T3..15T..IV3;KDY221..(T2,T3)..IV3;KDY220,271..(125T,15T)..IV3;KDY221,280..(T3,T4)..TB..IV3;KDY270,280..T3..MTM..125T..IV3200408-201008
88431BRACKET, COMPRESSOR MOUNTING, NO.1
main88431-25310iKDY240..03S;KDY230..15T..WT..IV3;KDY230..T3..15T..IV3;KDY220..(125T,15T)..IV3;KDY280..(T3,T4)..15T..IV3;KDY270,280..T3..MTM..125T..IV3200408-200708
88440BPULLEY ASSY, IDLE
88440DPULLEY ASSY, IDLE NO.2
88444BRACKET, IDLE PULLEY
88446BOLT, IDLE PULLEY
88469ACOLLAR, ADJUSTING
main88469-30280iLY220..15T,1T;LY220..125T..ST;LY230..125T..WT;LY230..(T2,T3,TW3)..TS;LY240,270,280,290..DSL;LY230..TB..(12T,15T,175T)..DSL200107-200408
88688KBRACKET, COOLER COMPRESSOR
8844660020BOLT, IDLE PULLEY
main88446-60020
8868825200BRACKET, COOLER DIAPHRAGM
main88688-25200
9009904349
main90099-04349
9009904950
main90099-04950
9009907065
main90099-07065
9009907114
main90099-07114
9011908474
main90119-08474
9011908B42
main90119-08B42
9011910367
main90119-10367
9011912160
main90119-12160
9331915008
main93319-15008
21 parts on this diagram · 7 diagrams in section