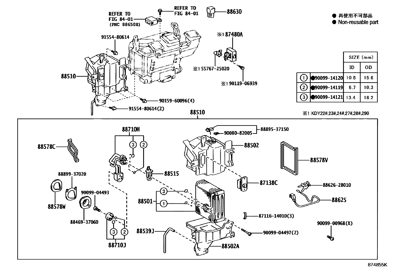
HEATING & AIR CONDITIONING - COOLER UNIT

8401SWITCH & RELAY & COMPUTER
87138CRESISTOR, BLOWER
main87138-37190iKDY22#,23#,24#,27#,28#,290,LY220,230,240,270,280,290,RZY220,23#,281,TRY220,23#,281200107-201610
87480AAMPLIFIER ASSY, HEATER
88501EVAPORATOR SUB-ASSY, COOLER, NO.1
main88501-37060iKDY22#,23#,24#,27#,28#,290,LY220,230,240,270,280,290,RZY220,23#,281,TRY220,23#,281200107-201610
88502CASE SUB-ASSY, COOLING UNIT
main88502-37030iKDY221,23#..T4..TB;KDY221,23#..T2,T3,TW1,TW2,TW3,TW4;KDY220,27#,28#,LY220,230,270,280,RZY220,230,TRY220,230..DCR,DSL,EFI200107-201610
main88502-37050iKDY22#,23#,24#,27#,28#,290,LY220,230,240,270,280,290,RZY220,23#,281,TRY220,23#,281200107-201610
88502ACASE SUB-ASSY, COOLING UNIT
main88502-37040iKDY22#,23#,24#,27#,28#,290,LY220,230,240,270,280,290,RZY220,23#,281,TRY220,23#,281200107-201610
88510UNIT ASSY, COOLER
main88510-37180iKDY22#,23#,24#,27#,28#,290,LY220,230,240,270,280,290,RZY220,23#,281,TRY220,23#,281200107-201610
main88510-37190iKDY221,23#..T4..TB;KDY221,23#..T2,T3,TW1,TW2,TW3,TW4;KDY220,27#,28#,LY220,230,270,280,RZY220,230,TRY220,230..DCR,DSL,EFI200107-201610
88515VALVE, COOLER EXPANSION
88539HOSE, COOLER UNIT DRAIN, NO.1
88539JHOSE, DRAIN COOLER
main88539-37060iKDY22#,23#,24#,27#,28#,290,LY220,230,240,270,280,290,RZY220,23#,281,TRY220,23#,281200107-201610
88578CPACKING, COOLING UNIT, NO.2
main88578-37130iKDY22#,23#,24#,27#,28#,290,LY220,230,240,270,280,290,RZY220,23#,281,TRY220,23#,281200107-201610
88578VPACKING, COOLING UNIT, NO.3
main88578-37140iKDY22#,23#,24#,27#,28#,290,LY220,230,240,270,280,290,RZY220,23#,281,TRY220,23#,281200107-201610
88578WPACKING, COOLING UNIT, NO.4
main88578-37150iKDY22#,23#,24#,27#,28#,290,LY220,230,240,270,280,290,RZY220,23#,281,TRY220,23#,281200107-201610
88625THERMISTOR, COOLER, NO.1
main88625-32150iKDY22#,23#,24#,27#,28#,290,LY220,230,240,270,280,290,RZY231,281,TRY220,23#,281200405-201610
88630RELAY ASSY, COOLER
main88630-25060iLY240..03S;LY220..15T..IV3;LY220,270..MTM..125T..ST..IV3;LY230,280..(T3,T4)..MTM..DSL..IV3200108
88710HTUBE & ACCESSORY ASSY, AIR CONDITIONER
main88710-37340iKDY22#,23#,24#,27#,28#,290,LY220,230,240,270,280,290,RZY220,23#,281,TRY220,23#,281200107-201610
88710JTUBE, AIR CONDITIONER CONNECTOR
main88710-37350iKDY22#,23#,24#,27#,28#,290,LY220,230,240,270,280,290,RZY220,23#,281,TRY220,23#,281200107-201610
5576725020CONNECTOR, COWL VENTILATOR DRAIN HOSE
main55767-25020
8711614010SPRING, HEATER CASE FASTENING
main87116-14010
8846937060SWITCH, PRESSURE CONTROL
main88469-37060
8862628010CASE, BLOWER DRIVE SHAFT BEARING
main88626-28010
8889537150HOLDER, FUSE
main88895-37150
8889937020COVER, EVAPORATOR
main88899-37020
9008082005
main90080-82005
9009900968
main90099-00968
9009904493
main90099-04493
9009904497
main90099-04497
9009914119
main90099-14119
9009914120
main90099-14120
9009914121
main90099-14121
9011906939
main90119-06939
9015960096
main90159-60096
9155480614
main91554-80614
33 parts on this diagram · 6 diagrams in section