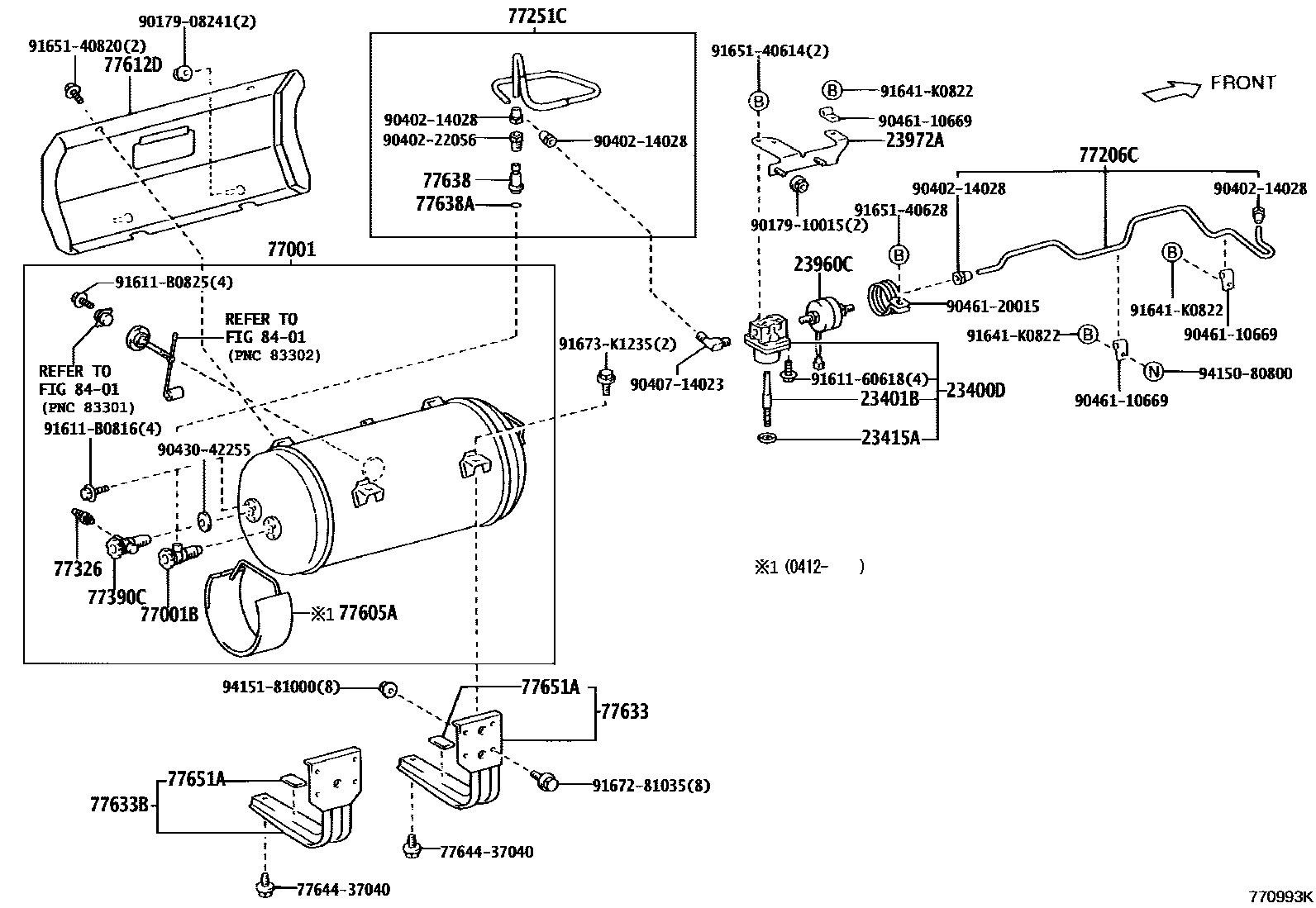
FUEL TANK & TUBE

23400DFILTER ASSY, LPG
23401BBOLT
23415APLATE
23960CVALVE ASSY, SOLENOID LPG
23972ABRACKET, FILTER & SOLENOID VALVE
77001BVALVE (FOR LPG TANK)
77326CONNECTOR, AUXILIARY FUEL TANK CAP
77390VALVE ASSY, FUEL TANK INLET
77390CVALVE, FUEL TANK INLET
77605ACOVER SUB-ASSY, FUEL TANK VALVE HANDLE
77612DCOVER, FUEL TANK, LH
77633STAY, FUEL TANK
main77501-25160iKDY22#,23#,27#,28#,LY220,230,270,280,RZY220,230,TRY220,230..DCR,DSL,EFI200107-202111
77633BSTAY, FUEL TANK
77638SLEEVE, TANK VALVE JOINT
77638ARING, O (FOR TANK VALVE JOINT SLEEVE)
77651ACUSHION, FUEL TANK, NO.1
8401
7764437040BOLT, FUEL TANK
main77644-37040
9017908241
main90179-08241
9017910015
main90179-10015
9040214028
main90402-14028
9040222056
main90402-22056
9040714023
main90407-14023
9043042255
main90430-42255
9046110669
main90461-10669
9046120015
main90461-20015
9161160618
main91611-60618
91611B0816
main91611-B0816
91611B0825
main91611-B0825
91641K0822
main91641-K0822
9165140614
main91651-40614
9165140628
main91651-40628
9165140820
main91651-40820
9167281035
main91672-81035
91673K1235
main91673-K1235
9415080800
main94150-80800
9415181000
main94151-81000
40 parts on this diagram · 18 diagrams in section