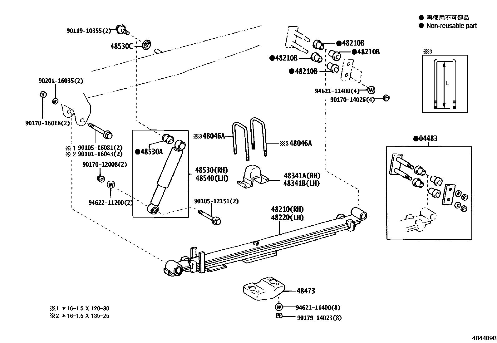
REAR SPRING & SHOCK ABSORBER

04483SHACKLE KIT, REAR SPRING
main04483-25040×2iKDY22#,23#,24#,280,290,LY220,230,240,280,290,RZY220,23#,281,TRY220,23#,281..WT200107
48046ABOLT, U(FOR REAR SPRING)
main90117-14014×4iKDY270..1T;KDY23#,28#,LY230,280,RZY230,TRY230..ST..IV6; LY270,RZY220..1T..CBU200107
main90117-14035×4iKDY22#..(T2,TW1)..(15T,1T);KDY23#,LY220,230,RZY220,230,TRY220,230..(T2,TW2)..WT;KDY22#,28#,LY230,RZY230,TRY230..(T3,TW3)..(125T,1T)..(CBU,IV3);KDY23#,27#,LY220,270,280,RZY220,TRY220..(T3,TW1,TW3)..(125T,1T)..(CBU,IV3)200107
main90117-14036×4iLY220..TB..ST;LY220..TS..15T;KDY221,231,LY230,RZY220,230,TRY220,230..T2..15T..WT..(CBU,IV3); TRY230..15T..ST;LY220..T2..TS..ST;KDY231,TRY230..WT..IV6;KDY230,281,LY280..T3..15T;KDY231,LY230..ATM..15T..ST;KDY231,LY230..T2..ATM..125T;KDY280,LY220..(T2,T3)..TB..15T;RZY230..(125T,15T)..ST..(CBU,IV3);KDY231,LY230..MTM..(125T,15T)..ST;KDY221,280,RZY220,TRY220,230..(T2,TW1)..125T..ST;KDY220,230,270,281,LY270,280..(T2,TW1)..(125T,12T,15T)200107
48210SPRING ASSY, REAR RH
main48210-2E270iKDY22#,23#,270,28#,LY220,230,270,280,RZY220,230,TRY220,230..T2..(125T,12T)..ST200107
main48210-2E290iRZY230,TRY230..(T2,TW2)..WT;LY220,230,RZY220,TRY220..(T2,TW2)..(12T,15T)..WT200107-200408
main48210-2E300iKDY22#,23#,280,LY220,230,280,RZY220,23#,281,TRY220,23#,281..(T4,TW4)..(125T,15T)200107
main48210-2E570iKDY231..T4..TS..IV3;LY230,280..LPG..IV3;KDY231..TB..MTM..15T..WT..IV3;KDY230,280,LY230,280..T4..MTM..(DCR,DSL)..IV3;KDY22#,LY220,RZY231,281,TRY231,281..TB..WT..IV3200112
48210BBUSH(FOR REAR SPRING PIN)
main90385-18023×4iKDY22#,23#,24#,280,290,LY220,230,240,280,290,RZY220,23#,281,TRY220,23#,281..WT; KDY221..(T3,TW1)..TS;KDY231,TRY220,230..1T;KDY231,281,TRY230..ST..IV6;KDY220,230,270,280,LY220,230,270,280,RZY220,230..ST200107
48220SPRING ASSY, REAR LH
main48210-2E270iKDY22#,23#,270,28#,LY220,230,270,280,RZY220,230,TRY220,230..T2..(125T,12T)..ST200107
main48210-2E290iRZY230,TRY230..(T2,TW2)..WT;LY220,230,RZY220,TRY220..(T2,TW2)..(12T,15T)..WT200107-200408
main48210-2E300iKDY22#,23#,280,LY220,230,280,RZY220,23#,281,TRY220,23#,281..(T4,TW4)..(125T,15T)200107
main48210-2E570iKDY231..T4..TS..IV3;LY230,280..LPG..IV3;KDY231..TB..MTM..15T..WT..IV3;KDY230,280,LY230,280..T4..MTM..(DCR,DSL)..IV3;KDY22#,LY220,RZY231,281,TRY231,281..TB..WT..IV3200112
48341ABUMPER, REAR SPRING, NO.1 RH
main48341-25050iKDY28#,LY230,RZY230,TRY230..(T3,TW3)..(125T,1T)..(CBU,IV3);KDY22#,23#,27#,LY220,270,280,RZY220,TRY220..(T3,TW1,TW3)..(125T,1T)..(CBU,IV3)200107
main48341-25060iKDY22#,23#,270,28#,LY220,230,270,280,RZY220,230,TRY220,230..T2..(125T,12T)..ST200107
main48341-25070iRZY230..(T3,TW1)..MTM;KDY28#,LY230,TRY230..TW1;KDY23#,28#,LY230,280,TRY230..(T3,TW1)..(12T,15T)200107
48341BBUMPER, REAR SPRING, NO.1 LH
main48341-25050iKDY28#,LY230,RZY230,TRY230..(T3,TW3)..(125T,1T)..(CBU,IV3);KDY22#,23#,27#,LY220,270,280,RZY220,TRY220..(T3,TW1,TW3)..(125T,1T)..(CBU,IV3)200107
main48341-25060iKDY22#,23#,270,28#,LY220,230,270,280,RZY220,230,TRY220,230..T2..(125T,12T)..ST200107
main48341-25070iRZY230..(T3,TW1)..MTM;KDY28#,LY230,TRY230..TW1;KDY23#,28#,LY230,280,TRY230..(T3,TW1)..(12T,15T)200107
48473SEAT, REAR SPRING U BOLT
main48473-25080×2iKDY28#,LY230,280,RZY230,TRY230..(T2,T3,TW3)..(125T,1T);KDY22#,23#,27#,LY220,270,RZY220,TRY220..(125T,12T,1T)..ST200107
main48473-25130×2iKDY28#,LY230,RZY230,TRY230..TW1;KDY23#,28#,LY230,280,RZY230,TRY230..(12T,15T)..ST200107
48530ABSORBER ASSY, SHOCK, REAR RH
main48531-29755iKDY22#,23#,24#,280,290,LY220,230,240,280,290,RZY220,23#,281,TRY220,23#,281..T4,TW4,VAN200107
main48531-80229iKDY22#,270,LY220,270,RZY220,TRY220..T2..ST;KDY23#,280,LY230,280,RZY230,TRY230..T2..15T..ST200107
main48531-80232iKDY28#,LY230,TRY230..TW1;KDY23#,28#,LY230,280,TRY230..(T3,TW1)..(12T,15T);KDY22#,27#,LY220,270,RZY220,230,TRY220..(T3,TW1)..(CBU,IV3)200107
48530ABUSH(FOR REAR SHOCK ABSORBER)
main90385-16010×4iKDY22#,23#,24#,280,290,LY220,230,240,280,290,RZY220,23#,281,TRY220,23#,281..WT; KDY231,281,TRY230..ST..(CBU,IV3);KDY22#,230,27#,280,LY220,230,270,280,RZY220,230,TRY220..ST200107
48530CWASHER, REAR SHOCK ABSORBER CUSHION, NO.2
48540ABSORBER ASSY, SHOCK, REAR LH
main48531-29755iKDY22#,23#,24#,280,290,LY220,230,240,280,290,RZY220,23#,281,TRY220,23#,281..T4,TW4,VAN200107
main48531-80229iKDY22#,270,LY220,270,RZY220,TRY220..T2..ST;KDY23#,280,LY230,280,RZY230,TRY230..T2..15T..ST200107
main48531-80232iKDY28#,LY230,TRY230..TW1;KDY23#,28#,LY230,280,TRY230..(T3,TW1)..(12T,15T);KDY22#,27#,LY220,270,RZY220,230,TRY220..(T3,TW1)..(CBU,IV3)200107
9010116043
main90101-16043
9010512151
main90105-12151
9010516081
main90105-16081
9011910355
main90119-10355
9017012008
main90170-12008
9017014026
main90170-14026
9017016016
main90170-16016
9017914023
main90179-14023
9020116035
main90201-16035
9462111400
main94621-11400
9462211200
main94622-11200
23 parts on this diagram · 17 diagrams in section