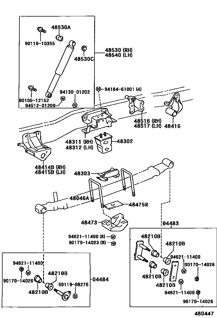
04483SHACKLE KIT, REAR SPRING
main04483-25011×2iLY202;LY201,21#,YY201,211..T2..WT;LY201,21#,YY201,211..T1,T3,T4,TW2199505 main04483-26010×2iLY10#,11#,12#,13#,15#,16#,YY101,121,131..ST199610 04484PIN KIT, REAR SPRING
main04484-26030×2iLY10#,11#,12#,13#,15#,16#,YY101,121,131199610 48046SEAT SUB-ASSY, SPRING U BOLT, RH
main48046-25090iLY20#,21#,YY201,211..(T2,TW2)..WT199505 48046ABOLT, U(FOR REAR SPRING)
main90117-14011×4iLY11#..IV5;LY16#..T3..125;LY16#..T2..ST..15T;LY12#,13#,15#,YY121,131..(T3,TW2)..ST..(125,15T)199610 main90117-14014×4iLY211,YY211..T2..ST;LY202,212..T2,T3,TW2;YY211..(T2,TW2)..MTM..WT;LY201,211,YY201..(T2,TW2)..WT199505-200008 main90117-14031×4iLY15#,16#..TW1,TW2;LY13#,YY131..T2..ST;LY10#,11#,YY101..CBU,IV3199610 main90117-14034×4iLY132,YY131..WT;LY122,YY121..WT..15T200008 main90117-14035×2iLY201,211..(T3,TW2)..ST..(125,15T)..IV3; LY201,YY201..T2..ST; LY211..(T2,TW2)..WT;LY211,YY211..T2..ST;LY201,YY201..WT..15T;YY211..(T2,TW2)..MTM..WT; YY211..125..LPG;LY201,211,YY201,211..(T1,T3,TW2)..ST199505-199610 main90117-14049×4iLY162..T3..15T;LY122,152,162,YY121..T2..125200008 48210SPRING ASSY, REAR RH
main48210-25721iLY20#,21#,YY201,211..T2..WT..15T..(CBR,DSL)..IV3199505-200008 main48210-25760iLY21#,YY211..T3;LY20#,YY201..T1,T3,TW2199505 main48210-25850iLY211..(T2,TW2)..WT;YY211..(T2,TW2)..MTM..WT;LY20#,212,YY201..T2..WT..15T199505-200008 main48210-2E010iLY11#..IV5;LY12#,13#,YY121,131..(T3,TW2)..ST199610 main48210-2E030iLY13#,YY131..WT;LY12#,YY121..WT..15T199610-200008 main48210-2E080iLY10#,11#,YY101..(T1,T3,TW1,TW2)..(CBU,IV3)199610 main48210-2E160iLY12#,13#,YY121,131..WT..15T..IV3199610-200008 main48210-2E470iLY132,YY131..WT;LY122,YY121..WT..15T200008 main48210-2E480iLY122,132,YY121,131..WT..15T..IV3200008 main48210-2E520iLY202,212,YY201,211..T2..WT..15T..(CBR,DSL)200008 48210BBUSH(FOR REAR SPRING PIN)
main90385-18046×8iLY10#,11#,12#,13#,15#,16#,YY101,121,131..ST; LY12#,13#,162,YY121,131..WT199610 48302SPRING SUB-ASSY, HOLLOW
main48302-25051×2iLY211,YY211..WT;LY211,YY211..T2..ST;LY20#,212,YY201..T2,T4199505 main48302-25090×2iLY20#,21#,YY201,211..(T1,T3,TW2)..ST199505 48303SEAT SUB-ASSY, HOLLOW SPRING
main48303-25040×2iLY201,YY201..WT;LY201,YY201..ST..15T;LY202,21#,YY211..T2,T3,TW2199505 48311BRACKET, HOLLOW SPRING
main48311-25040iLY20#,21#,YY201,211..(T1,T3,TW2)..ST199505 48312BRACKET, HOLLOW SPRING, NO.2
main48312-25020iLY20#,21#,YY201,211..(T1,T3,TW2)..ST199505 48414BBRACKET, SPRING, NO.3 RH
48415BBRACKET, SPRING, NO.3 LH
48416BRACKET, SPRING, NO.4
main48416-25040iLY20#,21#,YY201,211..(T1,T3,TW2)..ST199505 main48417-25040iLY20#,21#,YY201,211..(T1,T3,TW2)..ST199505 48473SEAT, REAR SPRING U BOLT
main48473-25130×2iLY21#,YY211..ST;LY20#,YY201..ST..15T199505 main48473-25140×2iLY16#..TW2;LY16#..ST..15T;LY12#,13#,YY121,131..ST199610 main48473-26080×2iLY10#,11#,15#,YY101;LY16#..(T2,T3,TW1)..TS199610 48475RPLATE, DISTANCE(FOR REAR)
main48475-25010iYY211..125;YY211..ST..15T;LY202,212,YY201..ST200008-200010 48516BRACKET, REAR SHOCK ABSORBER, UPPER RH
main48505-26010iLY10#,11#,12#,13#,15#,16#,YY101,121,131199610 48517BRACKET, REAR SHOCK ABSORBER, UPPER LH
main48505-26010iLY10#,11#,12#,13#,15#,16#,YY101,121,131199610 main48506-25040iLY20#,21#,YY201,211..(T2,TW2)..WT199505 48530ABSORBER ASSY, SHOCK, REAR RH
main48531-80452iLY201,211,YY201,211..(T1,T3,TW2)..ST199505-199607 main48531-80456iLY201,YY201..WT..15T;LY211,YY211..(T2,TW2)..WT199505-199607 main48531-80488iLY10#,11#,YY101..T1,T3,TW1,TW2199610-200107 main48531-80491iLY15#..T3,TW2;LY16#..(T3,TW1)..TS199610-200107 main48531-80550iLY20#,21#,YY201,211..(T1,T3,TW2)..ST199607-200107 main48531-80552iLY201,21#,YY201,211..T2..ST199607-200107 main48531-80554iLY211,YY211..(T2,TW2)..WT;LY20#,212,YY201..T2..WT..15T199607-200008 main48531-80566iLY16#..TW2;LY16#..T3..15T;LY12#,13#,YY121,131..(T3,TW2)..ST199610-200107 main48531-80567iLY13#,16#,YY131..T2..ST..15T199610-200107 main48531-80700iLY202,212,YY201,211..T2..WT200008-200107 48530ABUSH(FOR REAR SHOCK ABSORBER)
main90385-16010×2iLY10#,11#,12#,13#,15#,16#,20#,21#,YY101,121,131,201,211..ST; LY12#,13#,162,20#,21#,YY121,131,201,211..WT199505-200107 48530CWASHER, REAR SHOCK ABSORBER CUSHION, NO.2
main90948-03004×2iLY20#,21#,YY201,211;LY10#,11#,12#,13#,15#,16#,YY101,121,131..ST199505-200107 48540ABSORBER ASSY, SHOCK, REAR LH
main48531-80452iLY201,211,YY201,211..(T1,T3,TW2)..ST199505-199607 main48531-80456iLY201,YY201..WT..15T;LY211,YY211..(T2,TW2)..WT199505-199607 main48531-80488iLY10#,11#,YY101..T1,T3,TW1,TW2199610-200107 main48531-80491iLY15#..T3,TW2;LY16#..(T3,TW1)..TS199610-200107 main48531-80550iLY20#,21#,YY201,211..(T1,T3,TW2)..ST199607-200107 main48531-80552iLY201,21#,YY201,211..T2..ST199607-200107 main48531-80554iLY211,YY211..(T2,TW2)..WT;LY20#,212,YY201..T2..WT..15T199607-200008 main48531-80566iLY16#..TW2;LY16#..T3..15T;LY12#,13#,YY121,131..(T3,TW2)..ST199610-200107 main48531-80567iLY13#,16#,YY131..T2..ST..15T199610-200107 main48531-80700iLY202,212,YY201,211..T2..WT200008-200107