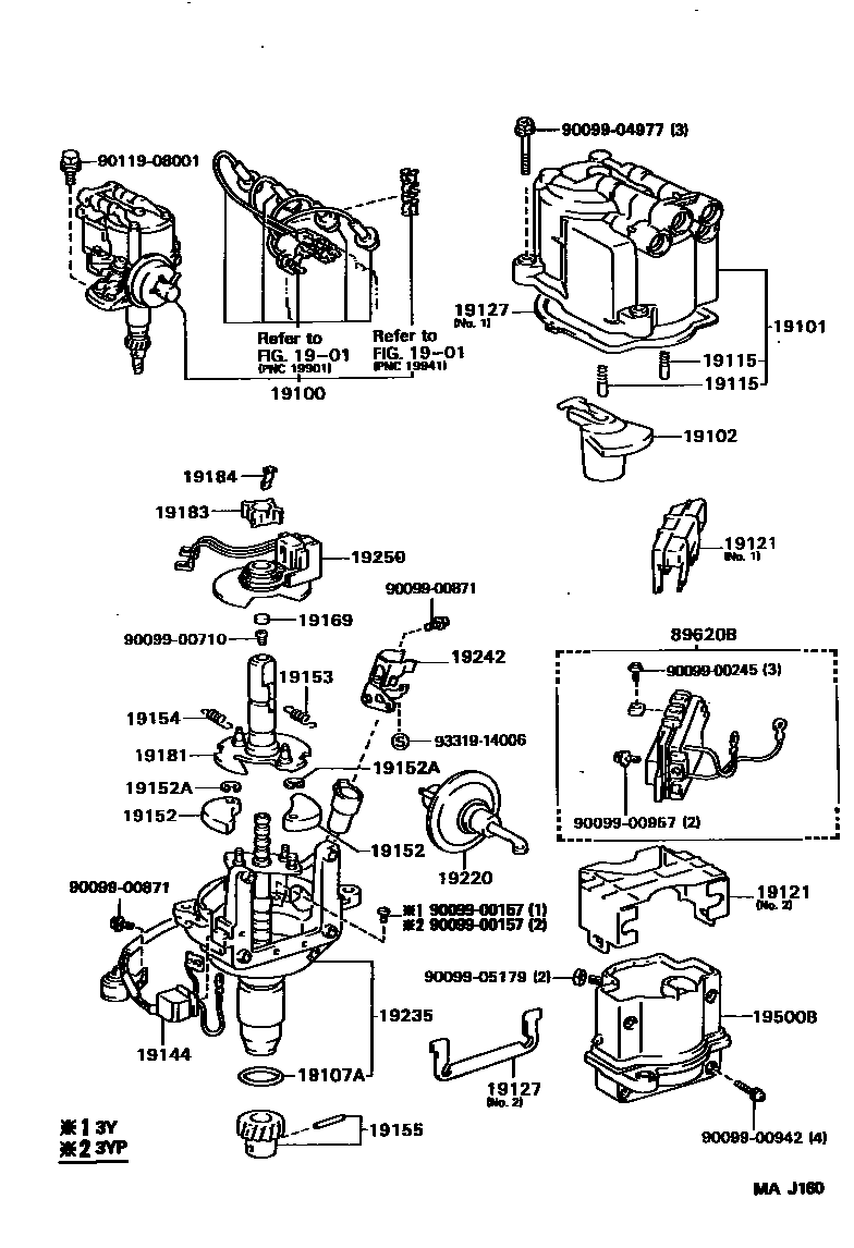
DISTRIBUTOR

1901IGNITION COIL & SPARK PLUG / GLOW PLUG
19100DISTRIBUTOR ASSY
19101CAP SUB-ASSY, DISTRIBUTOR
19102ROTOR SUB-ASSY, DISTRIBUTOR
19107ARING, O, DISTRIBUTOR HOUSING
19115PIECE, DISTRIBUTOR CAP, CENTER
19121COVER, DUST PROOF
19144LEAD, DISTRIBUTOR BREAKER
19152WEIGHT, GOVERNOR
19152ARING, SNAP(FOR GOVERNOR WEIGHT)
19153SPRING, GOVERNOR, A
19154SPRING, GOVERNOR, B
19155GEAR, SPIRAL, DISTRIBUTOR
19169STOPPER, CAM GREASE
19181ROTOR, DISTRIBUTOR, SIGNAL
19183ROTOR, SIGNAL
19184SPRING, ROTOR SET
19220ADVANCER ASSY, VACUUM, DISTRIBUTOR
19235HOUSING, DISTRIBUTOR
19250GENERATOR ASSY, SIGNAL
19500BCOIL ASSY, IGNITION
89620BIGNITER ASSY
9009900157
main90099-00157
9009900245
main90099-00245
9009900710
main90099-00710
9009900871
main90099-00871
9009900942
main90099-00942
9009900957
main90099-00957
9009904977
main90099-04977
9009905179
main90099-05179
9011908001
main90119-08001
9331914006
main93319-14006
34 parts on this diagram · 1 diagram in section