E
EPC Data

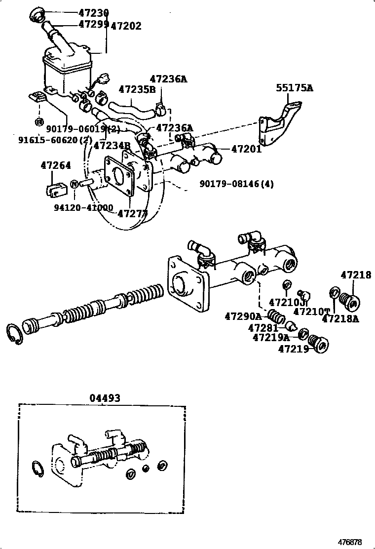
BRAKE MASTER CYLINDER

Parts diagram
04493CYLINDER KIT, BRAKE MASTER
main04493-25040i198708-199505
47201CYLINDER SUB-ASSY, BRAKE MASTER
main47201-25120i198708-199505
47202RESERVOIR SUB-ASSY, BRAKE MASTER CYLINDER
main47220-36040i198708-199505
main47220-36050i199406-199505
47210JGASKET(FOR MASTER CYLINDER)
main90430-06104i198708-199505
47210TBOLT(FOR BRAKE MASTER CYLINDER)
main90109-06008i198708-199505
47218PLUG, MASTER CYLINDER FLUID OUTLET
main47218-25020i198708-199505
47218AGASKET(FOR FLUID OUTLET PLUG)
main90430-11001i198708-199505
47219PLUG, MASTER CYLINDER FLUID OUTLET(FOR REAR SIDE)
main47218-30030i198708-199505
47219AGASKET(FOR FLUID OUTLET PLUG REAR SIDE)
main90430-11001i198708-199505
47230CAP ASSY, BRAKE MASTER CYLINDER RESERVOIR FILLER
main47230-28010i198708-199505
47234BTUBE, RESERVOIR, NO.1
main47234-36100i198708-199505
47235BTUBE, BRAKE MASTER CYRINDER RESERVOIR, NO.2
main47235-36100i198708-199505
47236ACLIP(FOR RESERVOIR TUBE)
main90467-16002i198708-199505
47264CLEVIS, MASTER CYLINDER PUSH ROD
main47264-22020i198708-199505
47277SPACER, MASTER CYLINDER
main47277-36010i198708-199505
47281VALVE, BRAKE MASTER CYLINDER OUTLET CHECK
main47281-30020i198708-199505
47290ASPRING, COMPRESSION(FOR FLUID OUTLET REAR SIDE)
main90504-05003i198708-199505
47299STRAINER, BRAKE MASTER CYLINDER RESERVOIR
main47299-26020i198708-199505
55175ASUPPORT SUB-ASSY, BRAKE MASTER CYLINDER
main55175-95401i198708-199505
main55175-95402i198708-199505
9017906019
9017908146
9161560620
9412041000

23 parts on this diagram · 1 diagram in section

BRAKE MASTER CYLINDER — Toyota Parts Diagram with OEM Numbers & Prices | EPC Data