E
EPC Data

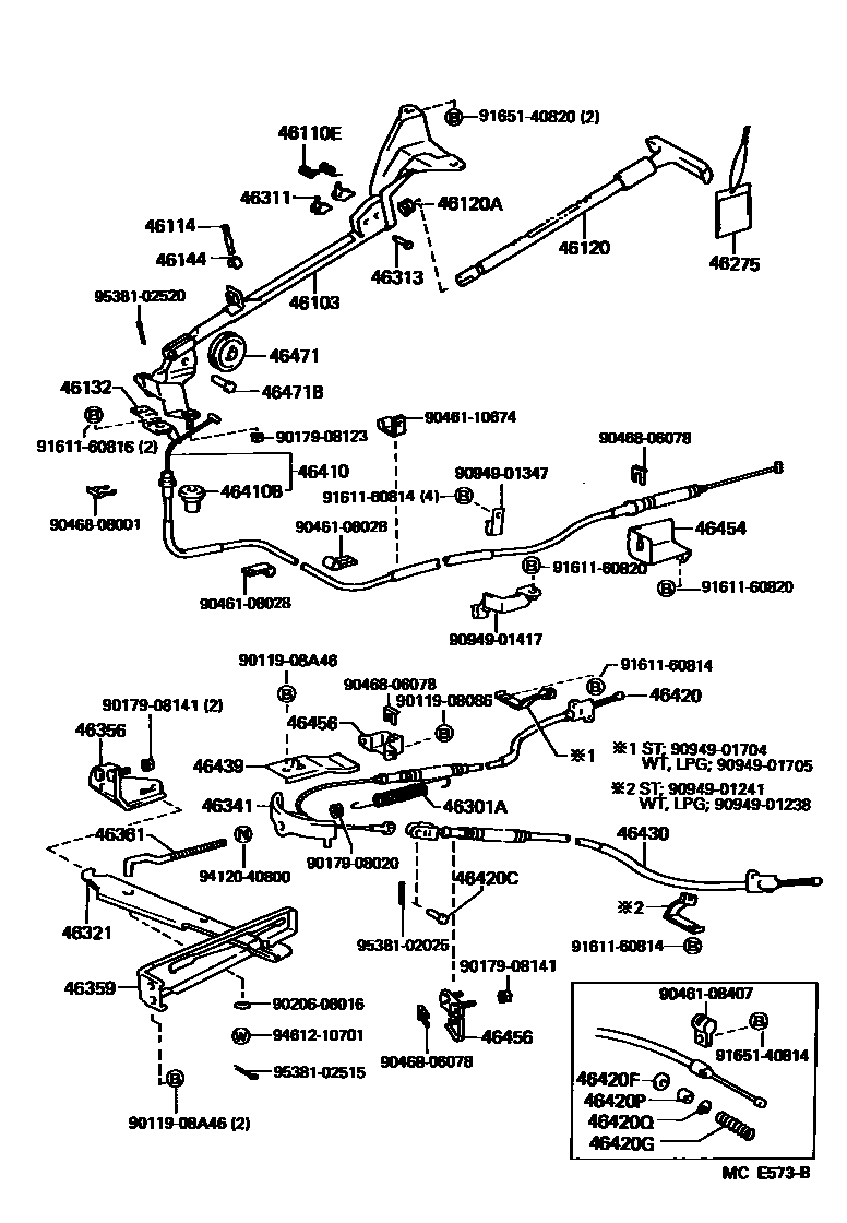
PARKING BRAKE & CABLE

Parts diagram
46103GUIDE SUB-ASSY, PARKING BRAKE PLUNGER
main46103-25080i198708-199505
main46103-36140i198708-199505
46110ESPRING, TORSION(FOR PARKING BRAKE PLUNGER)
main90508-08106i198708-199505
46114PIN, PARKING BRAKE PLUNGER
main46114-20010i198708-199505
main46114-20010i198708-198808
main46114-30010i198708-199505
46120PLUNGER ASSY, PARKING BRAKE
main46120-25030i198708-199109
main46120-25040i199109-199505
46120ABUSH(FOR PARKING BRAKE PLUNGER)
main90386-12048i198708-199505
46132BRACKET, PARKING BRAKE PLUNGER, NO.2
main46132-25010i198708-199505
46144ANTI-RATTLE, PARKING BRAKE PLUNGER
main46144-20010i198708-199505
46275PLATE, PARKING BRAKE RELEASE CAUTION
main46275-26010i198708-199505
46301LEVER SUB-ASSY, PARKING BRAKE INTERMEDIATE
main46301-25030i198708-199505
main46301-36070i198708-199505
46301ASPRING, TENSION(FOR INTERMEDIATE LEVER)
main90506-18056i198708-199505
main90506-20055i198708-199505
46311PAWL, PARKING BRAKE
main46311-26010i198708-199505
46313PIN, PARKING BRAKE PAWL
main46313-40010i198708-199505
46321LEVER, PARKING BRAKE INTERMEDIATE
main46321-26020i198708-199505
46341EQUALIZER, PARKING BRAKE
main46341-26010i198708-199505
main46341-35020i198708-199505
46356BRACKET, EQUALIZER SUPPORT
main46356-25010i198708-199505
main46356-25020i198708-199505
46359GUIDE, PARKING BRAKE INTERMEDIATE LEVER
main46359-25010i198708-199505
main46359-25020i198708-199505
46361ROD, PARKING BRAKE PULL
main46361-25010i199308-199505
main46361-26010i198708-199308
46410CABLE ASSY, PARKING BRAKE, NO.1
main46410-25080i198708-199505
main46410-25090i198708-199003
main46410-25091i199003-199505
main46410-25100i199406-199505
main46410-36121i198708-198711
main46410-36350i198711-199505
46410BGROMMET(FOR PARKING BRAKE FRONT CABLE)
main90480-25026i198708-199505
46420CABLE ASSY, PARKING BRAKE, NO.2
main46420-25130i198708-199008
main46420-25131i199008-199505
main46420-25140i198708-199008
main46420-25141i199008-199505
main46420-25180i198708-199505
main46420-25200i198708-198807
main46420-25201i198807-199505
46420CPIN, W/HOLE(FOR PARKING BRAKE CABLE)
main90240-06032i198708-199505
main90240-08042i198708-199505
46420FSEAL, DUST(FOR PARKING BRAKE CABLE)
main90303-10001i198708-199505
46420GSPRING(FOR PARKING CABLE INNER WIRE SET)
main90501-14021i198708-199505
46420PSPACER, PARKING BRAKE
main90560-08002i198708-199505
main90560-08014i198708-199505
46420QRING, E(FOR PARKING BRAKE CABLE)
main96160-00700i198708-199505
46430CABLE ASSY, PARKING BRAKE, NO.3
main46430-25010i198708-199505
main46430-25020i198708-199505
main46430-25030i198708-199505
46439INSULATOR, PARKING BRAKE CABLE HEAT
main46439-25010i198708-199505
46454BRACKET, CABLE RETAINER, FRONT
main46454-25010i198708-198808
main46454-25011i198808-199505
46456BRACKET, CABLE RETAINING
main46456-25010i198708-199505
main46457-25010i198708-199505
46471PULLEY, WIRE
main46471-20010i198708-199505
46471BPIN, W/HOLE(FOR WIRE PULLEY SET)
main90240-08017i198708-199505
9011908086
9011908A46
9017908020
9017908123
9017908141
9020608016
9046108028
9046108407
9046110674
9046806078
9046808001
9094901238
9094901241
9094901347
9094901417
9094901704
9094901705
9161160814
9161160816
9161160820
9165140814
9165140820
9412040800
9461210701
9538102025
9538102515
9538102520

58 parts on this diagram · 5 diagrams in section

PARKING BRAKE & CABLE — Toyota Parts Diagram with OEM Numbers & Prices | EPC Data