E
EPC Data

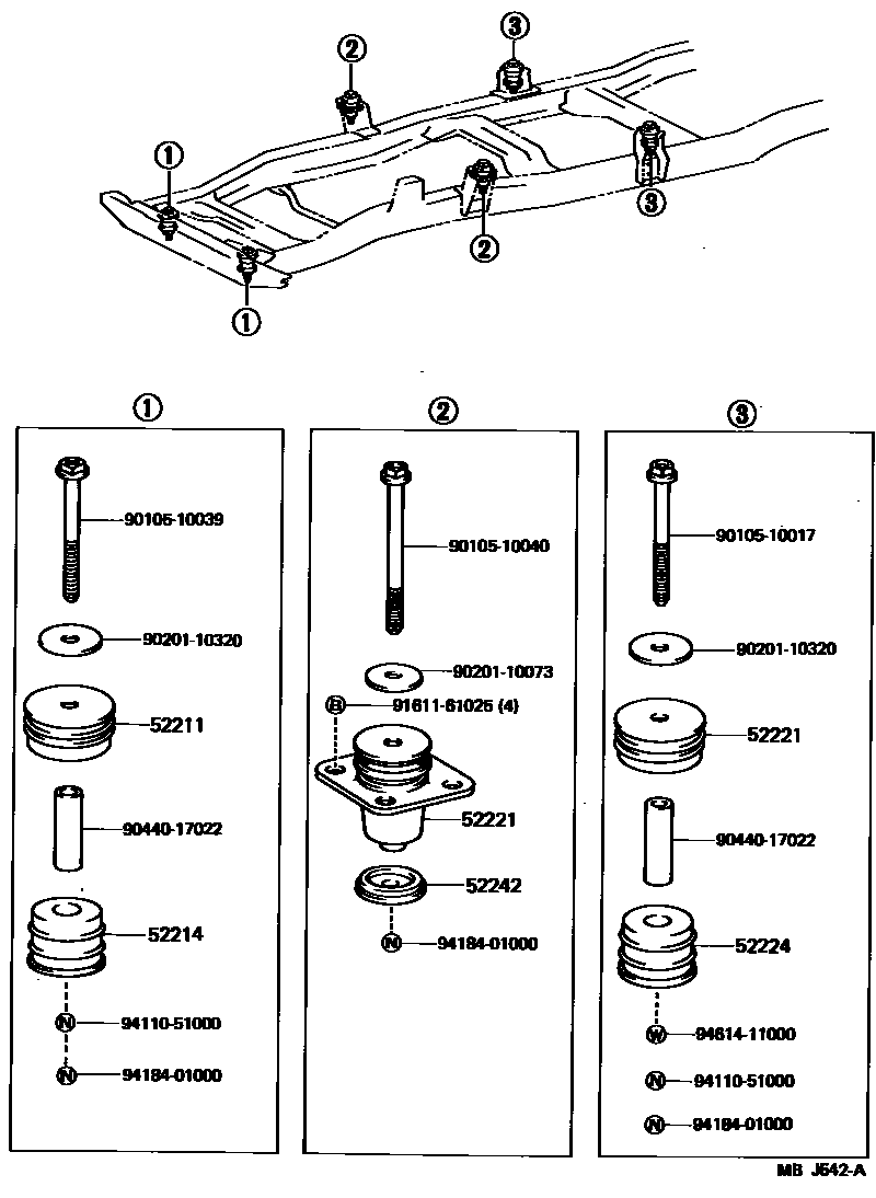
CAB MOUNTING & BODY MOUNTING

Parts diagram
52211CUSHION, BODY MOUNTING, NO.1 UPPER
main52201-25030×2i198508-198708
52214CUSHION, BODY MOUNT, NO.1 LOWER
main52202-25030×2i198508-198708
52221CUSHION, BODY MOUNT, NO.2 UPPER
main52203-25030×2i198508-198708
NO.3
main52203-25040×2i198508-198708
NO.2
52224CUSHION, BODY MOUNT, NO.2 LOWER
main52204-25020×2i198508-198708
52242CUSHION, CAB REAR MOUNTING REBOUND
main52242-25030×2i198508-198708
9010510017
9010510039
9010510040
9020110073
9020110320
9044017022
9161161025
9411051000
9418401000
9461411000

15 parts on this diagram · 1 diagram in section

CAB MOUNTING & BODY MOUNTING — Toyota Parts Diagram with OEM Numbers & Prices | EPC Data