E
EPC Data

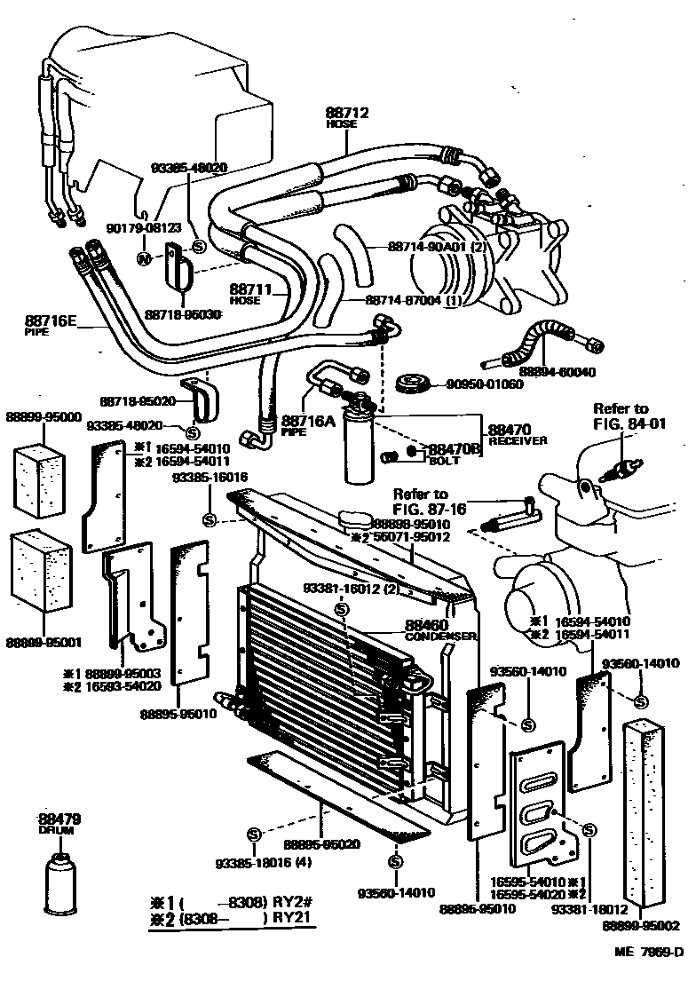
HEATING & AIR CONDITIONING - COOLER PIPING

Parts diagram
8401SWITCH & RELAY & COMPUTER
8716HEATING & AIR CONDITIONING - WATER PIPING
88460CONDENSER ASSY, COOLER
main88460-95010i197903-198507
main88460-95011i198009-198507
main88460-95012i198308-198507
12V
main88460-95013i198308-198507
24V
88470RECEIVER & DRYER ASSY, COOLER
main88470-20070i197903-198507
main88471-95700i198308-198507
88470BBOLT, FUSE
main90099-04579i197903-198507
88479FREON GAS, AIR CONDITIONER (DRUM, COOLER REFRIGERANT)
main88434-30010×2i198009-198308
main90986-02001×2i197903-198507
88711HOSE, COOLER REFRIGERANT DISCHARGE, NO.1
main88711-95000i197903-198507
main88711-95020i197903-198507
main88711-95030i197903-198308
main88711-95040i198009-198507
main88711-95042i198308-198507
88712HOSE, COOLER REFRIGERANT SUCTION, NO.1
main88712-60030i197903-198507
main88712-95000i197903-198507
main88712-95011i198009-198507
main88712-95012i198308-198507
main88712-95030i197903-198308
88716APIPE, COOLER REFRIGERANT LIQUID, A
main88716-95010i197903-198507
main88716-95011i198009-198507
main88716-95012i198308-198507
88716EPIPE, COOLER REFRIGERANT LIQUID, E
main88721-87301i197903-198507
main88721-95011i198009-198507
main88721-95015i198308-198507
1659354020GUIDE, RADIATOR AIR, NO.1
1659454010GUIDE, RADIATOR AIR, NO.2
1659454011GUIDE, RADIATOR AIR, NO.2
1659554010PLATE, RADIATOR CAUTION
1659554020PLATE, RADIATOR CAUTION
5507195012PANEL SUB-ASSY, FRONT SIDE, RH
8356014010GAGE ASSY, OIL TEMPERATURE RECEIVER
8871487004HOSE, COOLER REFRIGERANT LIQUID, NO.1
8871490A01HOSE, COOLER REFRIGERANT LIQUID, NO.1
8871895020PIPE, COOLER REFRIGERANT SUCTION, NO.2
8871895030PIPE, COOLER REFRIGERANT SUCTION, NO.2
8889460040
8889595010HOLDER, FUSE
8889595020HOLDER, FUSE
8889895010TUBE SUB-ASSY, EQUALIZER
8889995000COVER, EVAPORATOR
8889995001COVER, EVAPORATOR
8889995002COVER, EVAPORATOR
8889995003COVER, EVAPORATOR
9017908123
9095001060
9338116012
9338118012
9338516016
9338518016
9338548020
9356014010

37 parts on this diagram · 5 diagrams in section

HEATING & AIR CONDITIONING - COOLER PIPING — Toyota Parts Diagram with OEM Numbers & Prices | EPC Data