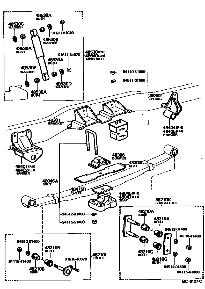
REAR SPRING & SHOCK ABSORBER

48046ABOLT, U(FOR REAR SPRING)
sub90117-14009
sub90117-14014
sub90118-16235
sub90118-16228
sub90117-16007
sub90118-16222
sub90118-16227
48210SPRING ASSY, REAR RH
sub48210-25210
sub48210-25220
sub48210-25221
HRASH ROAD PACKAGE
HRASH ROAD PACKAGE
48210ABUSH(FOR REAR SPRING SHACKLE UPPER)
48210BBUSH(FOR REAR SPRING PIN)
48210GBUSH(FOR REAR SPRING SHACKLE LOWER)
48210KSHACKLE KIT, REAR SPRING
48301BRACKET SUB-ASSY, HOLLOW SPRING
RH
LH
48302SPRING SUB-ASSY, HOLLOW
48303SEAT SUB-ASSY, HOLLOW SPRING
48306BUMPER SUB-ASSY, REAR SPRING
48401BRACKET SUB-ASSY, REAR SPRING, FRONT RH
48402BRACKET SUB-ASSY, REAR SPRING, FRONT LH
48404BRACKET SUB-ASSY, REAR SPRING, REAR RH
48405BRACKET SUB-ASSY, REAR SPRING, REAR LH
48475RPLATE, DISTANCE(FOR REAR)
48530ABUSH(FOR REAR SHOCK ABSORBER)
48530BWASHER, REAR SHOCK ABSORBER CUSHION, NO.1
48530CWASHER, REAR SHOCK ABSORBER CUSHION, NO.2
48530DWASHER, REAR SHOCK ABSORBER CUSHION, NO.3
48530EWASHER, REAR SHOCK ABSORBER CUSHION, NO.4
9161161020
main91611-61020
9161640820
main91616-40820
9411041000
main94110-41000
9411541400
main94115-41400
9411551400
main94115-51400
9451101000
main94511-01000
9451201400
main94512-01400
32 parts on this diagram · 13 diagrams in section