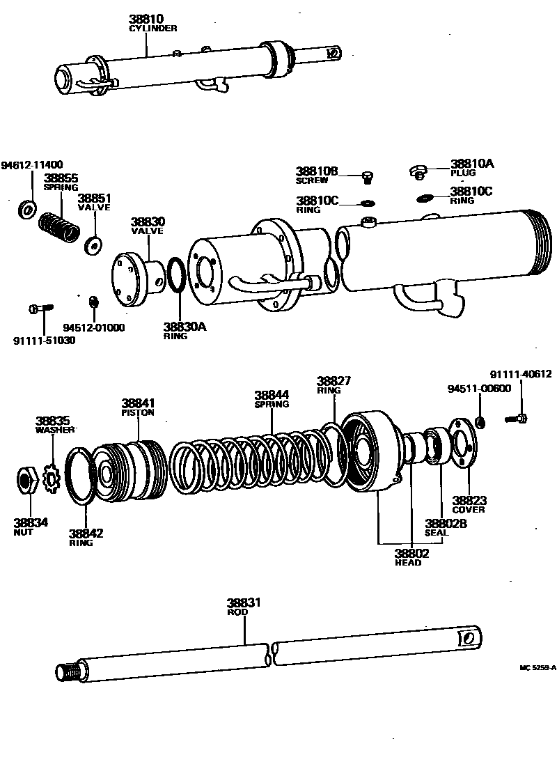
HOIST CYLINDER

38802HEAD SUB-ASSY, CYLINDER
38802BSEAL, OIL (FOR CYLINDER HEAD)
38810CYLINDER ASSY, HOIST
38810APLUG, NO.1 (FOR HOIST CYLINDER)
38810BSCREW (FOR HOIST CYLINDER)
38810CRING, O (FOR HOIST CYLINDER)
ID=21.8
ID=10.8
38823COVER, CYLINDER HEAD
38827RING, O (FOR HOIST CYLINDER)
38830VALVE ASSY, CHECK
38830ARING, O (FOR CHECK VALVE)
38831ROD, HOIST CYLINDER PISTON
38834NUT, DISMOUNTING
38835WASHER, LOCK (FOR HOIST PISTON SET NUT)
38841PISTON, HOIST CYLINDER
38842RING, HOIST CYLINDER PISTON
38844SPRING, HOIST CYLINDER, OUTER
38851VALVE, HOIST CYLINDER CHECK
38855SPRING, CHECK VALVE
9111140612
main91111-40612
9111151030
main91111-51030
9451100600
main94511-00600
9451201000
main94512-01000
9461211400
main94612-11400
23 parts on this diagram · 1 diagram in section