E
EPC Data

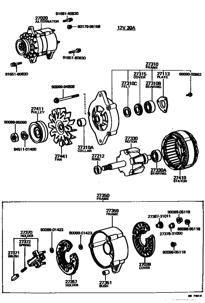
ALTERNATOR

Parts diagram
27020ALTERNATOR ASSY
main27020-31080i197903-198002
main27020-31090i197903-198507
main27020-31141i198002-198507
main27020-40065i197903-198002
12V 40A
main27020-44100i198002-198507
12V 40A
main27020-46033i197903-198308
12V 35A
main27020-46043i197903-198308
24V 15A
main27020-46061i197903-198308
12V 40A
main27020-46070i197903-198308
24V 20A
main27020-54020i197903-197906
12V 40A
main27020-54021i197906-198201
main27020-54030i197903-197906
24V 20A
main27020-54031i197906-198201
main27020-54110i198201-198507
main27020-54120i198201-198507
24V 20A
main27020-54130i198201-198308
24V 25A
main27020-54140i198201-198308
12V 55A
main27020-54160i198308-198507
main27020-54190i198308-198507
main27020-54230i198308-198507
24V 20A
main27020-54240i198308-198507
24V 25A
main27020-56100i198201-198507
main27020-56110i198308-198507
main27020-57081i198009-198201
24V 25A
main27020-57091i198009-198201
24V 20A
27039COVER, ALTERNATOR REAR END
main27039-11014i197903-198507
12V 30A
main27039-18011i198002-198507
12V 40A
main27039-26020i197903-198002
12V 40A
main27039-36070i197903-198002
12V 40A
main27039-54010i197903-197906
12V 40A,24V 20A
main27039-56090i197906-198201
12V 40A,24V 20A
27113PLATE, BEARING RETAINER, ALTERNATOR
main27113-10012i197903-198507
12V 30A
main27312-31011i197903-198002
12V 40A
main27312-56011i197903-198308
12V 35A,40A,24V 15A,20A
main27312-56070i197903-198201
12V 40A,24V 20A,25A
main27312-57060i198201-198507
12V 40A,55A,24V 20A,25A
27212RING, SPACE(FOR ALTERNATOR ROTOR)
main27212-39050i197903-198507
12V 40A
main27212-56010i197903-198308
12V 35A,40A,24V 15A,20A
main27333-57060i198201-198507
12V 40A,55A,24V 20A,25A
main27412-54040i197906-198201
12V 40A,24V 20A,25A
main90099-19068i197903-198507
12V 30A
27310FRAME ASSY, DRIVE END, ALTERNATOR
main27310-15030i198002-198507
12V 40A
main27310-18010i198002-198507
12V 40A
main27310-22012i197903-198507
12V 30A
main27310-34030i197903-198002
12V 40A
main27310-45020i197903-198002
12V 40A
main27310-46032i197903-198308
12V 35A,24V 15A,20A
main27310-46061i197903-198308
12V 40A
main27310-54011i197903-198011
12V 40A,24V 20A
main27310-54012i198011-198201
12V 40A,24V 20A
main27310-54110i198201-198507
12V 40A,24V 20A
main27310-54130i198201-198507
12V 55A,24V 25A
main27310-56110i198308-198507
24V 25A
main27310-56140i198201-198507
24V 20A
main27310-57061i198009-198201
24V 20A,25A
27310ACOLLAR OR NUT(FOR ALTERNATOR DRIVE END FRAME)
main27314-56010i197903-198308
12V 35A,40A,24V 15A,20A
main27412-31040i198002-198507
12V 40A
main27412-54010i197903-197906
12V 40A,24V 20A
main27412-56040i197903-198507
12V 30A
main27412-57060i198201-198507
12V 40A,55A,24V 20A,25A
main90099-19075i197903-198002
12V 40A
main90099-19251i197906-198201
12V 40A,24V 20A,25A
27310BBEARING(FOR ALTERNATOR DRIVE END FRAME)
main90099-10012i197903-198507
12V 30A
main90099-10082i197903-198308
12V 35A,40A,24V 15A,20A
main90099-10114i197903-198002
12V 40A
main90099-10120i197903-198201
12V 40A,24V 20A,25A
main90099-10126i198002-198507
12V 40A
main90099-10137i198201-198507
12V 40A,55A,24V 20A,25A
27310CFELT(FOR ALTERNATOR DRIVE END FRAME)
main90099-02004i197903-198002
12V 40A
main90099-02009i197903-198507
12V 30A
main90099-02207i197903-198201
12V 40A,24V 20A,25A
main90099-02209×2i198201-198507
12V 40A,55A,24V 20A,25A
27315COVER, ALTERNATOR FELT, INNER NO.1
main27313-31011i197903-198002
12V 40A
main27313-39010i197903-198507
12V 30A
main27315-56070i197903-198201
12V 40A,24V 20A,25A
main27315-57060i198201-198507
12V 40A,55A,24V 20A,25A
27330ROTOR ASSY, ALTERNATOR
main27330-22012i197903-198507
12V 30A
main27330-26050i198106-198507
12V 40A
main27330-33010i197903-198002
12V 40A
main27330-46031i197903-198308
12V 35A
main27330-54020i197903-197906
12V 40A
main27330-54030i197903-197906
24V 20A
main27330-54040i197906-198201
12V 40A
main27330-54050i197906-198201
24V 20A
main27330-56010i197903-198308
24V 15A
main27330-56030i197903-198308
24V 20A
main27330-56100i198201-198507
24V 20A
main27330-56110i198201-198308
24V 25A
main27330-56140i198201-198507
12V 40A
main27330-60080i197903-198308
12V 40A
main27330-64010i198201-198507
12V 55A
27330ABEARING(FOR ALTERNATOR ROTOR)
main90099-10111i197903-198507
12V 40A
main97110-06201i197903-198507
12V 30A
27350FRAME ASSY, RECTIFIER END
main27350-31090i197903-198507
12V 30A
main27350-31101i197903-198002
12V 40A
main27350-36061i197903-198002
12V 40A
main27350-46033i197903-198308
12V 35A,40A,24V 15A,20A
main27350-54010i197903-198201
12V 40A,24V 20A
main27350-54130i198201-198507
12V 55A,24V 25A
main27350-54190i198308-198507
12V 40A;24V 20A
main27350-56110i198201-198507
24V 25A
main27350-56140i198308-198507
24V 20A
main27350-57061i198009-198201
24V 20A,25A
27351BUSH(FOR ALTERNATOR RECTIFIER END FRAME)
main27351-24020i197903-198507
12V 30A
main27351-38051i198002-198507
12V 40A
main27351-56013i197903-198308
12V 35A,40A,24V 15A,20A
27357HOLDER, ALTERNATOR, W/RECTIFIER
main27357-11014i197903-198507
12V 30A
main27357-46061i197903-198308
12V 40A
main27357-54190i198408-198507
12V 40A
main27357-56011i197903-198308
12V 35A,24V 15A,20A
main27357-64060i198408-198507
12V 55A
27359FRAME, ALTERNATOR RECTIFIER END
main27359-13050i198002-198507
12V 40A
main27359-31090i197903-198507
12V 30A
main27359-36061i197903-198002
12V 40A
27370HOLDER ASSY, ALTERNATOR BRUSH
main27370-31090i197903-198507
12V 30A
main27370-54010i197903-198507
12V 40A,55A,24V 20A,25A
main27370-57060i198009-198201
24V 20A,25A
main27370-57080i198201-198308
24V 25A
main27370-60080i197903-198308
12V 35A,40A,24V 15A,20A
27371BRUSH, ALTERNATOR
main27371-31011×2i197903-198507
12V 30A,35A,40A,24V 15A,20A
main27371-56070×2i197903-198507
12V 40A,55A,24V 20A,25A
27372SPRING, ALTERNATOR BRUSH
main27372-31011×2i197903-198507
12V 30A,35A,40A,24V 15A,20A
main27372-56070×2i197903-198507
12V 40A,55A,24V 20A,25A
27410STATOR ASSY, ALTERNATOR
main27410-11014i197903-198507
12V 30A
main27410-15030i198002-198507
12V 40A
main27410-26020i197903-198002
12V 40A
main27410-43040i198412-198507
12V 55A
main27410-46031i197903-198308
12V 35A,40A
main27410-54010i198201-198308
12V 55A
main27410-54020i197903-198201
12V 40A
main27410-54030i198009-198201
24V 20A
main27410-54190i198408-198507
12V 40A
main27410-56010i197903-198308
24V 15A
main27410-56030i197903-198308
24V 20A
main27410-56100i198412-198507
24V 20A
main27410-56110i198411-198507
24V 20A,25A
main27410-57020i198201-198412
24V 25A
main27410-57060i198201-198408
12V 40A
main27410-57090i198201-198412
24V 20A
main27410-64010i198308-198412
12V 55A
27411PULLEY, ALTERNATOR
main27411-31090i197903-198507
12V 30A
main27411-44050i197903-198507
12V 40A
main27411-45010i197903-198507
12V 40A
main27411-54010i197903-197906
12V 40A,24V 20A
main27411-54020i197906-198201
12V 40A,24V 20A
main27411-54110i198201-198507
12V 40A,55A,24V 20A,25A
main27411-54170i198308-198507
12V 40A,24V 20A
main27411-56010i197903-198308
12V 35A,40A,24V 15A,20A
main27411-57060i198201-198507
24V 20A,25A
main27411-57061i198009-198201
24V 20A,25A
27441FAN, ALTERNATOR
main27441-31090i197903-198507
12V 30A
main27441-34030i197903-198507
12V 40A
main27441-46031i197903-198308
12V 35A,40A,24V 15A,20A
main27441-54010i197903-197906
12V 40A,24V 20A
main27441-54040i197906-198201
12V 40A,24V 20A,25A
main27441-56090i198201-198507
12V 40A,55A,24V 20A,25A
2737831050INSULATOR, ALTERNATOR, NO.1
2738731011INSULATOR, TERMINAL
9009900862
9009901423
9009904808
9009905060
9009905118
9009905119
9017906158
9165160830
9166140820
9451101400

33 parts on this diagram · 8 diagrams in section

ALTERNATOR — Toyota Parts Diagram with OEM Numbers & Prices | EPC Data