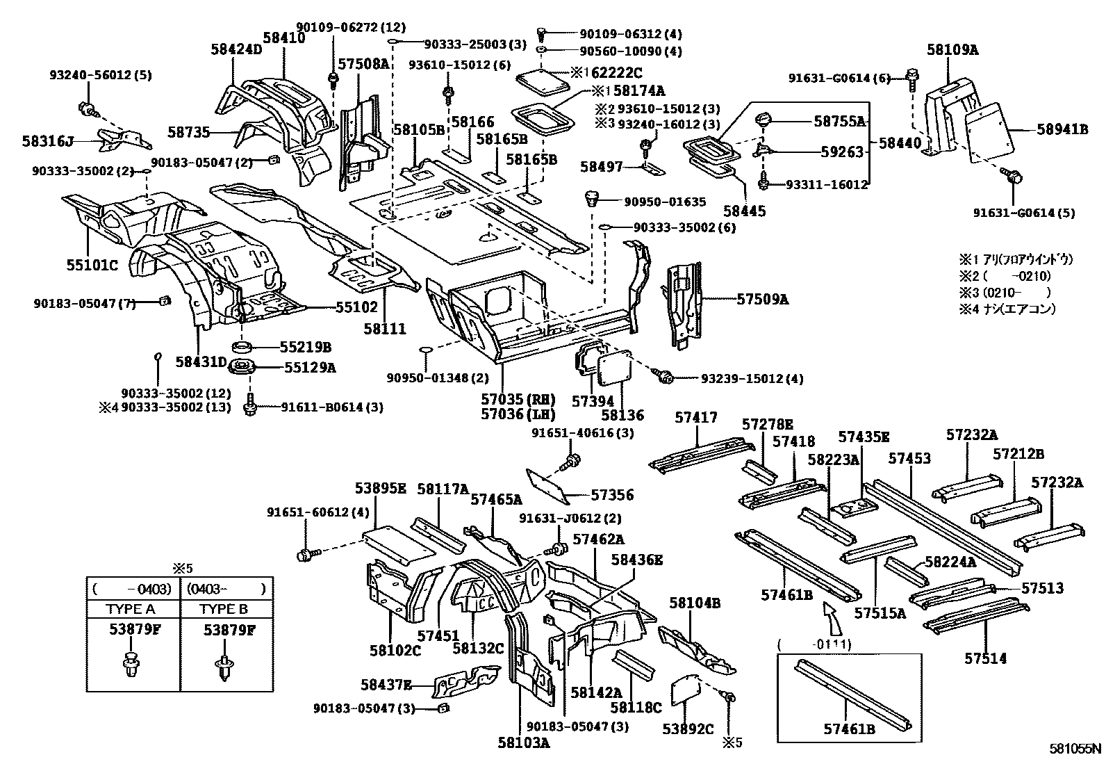
FRONT FLOOR PANEL & FRONT FLOOR MEMBER

53879FRETAINER, FRONT FENDER LINER
53892CSEAL, FRONT FENDER SPLASH SHIELD, FRONT LH
53895ESHIELD, FRONT FENDER SPLASH, FRONT RH
55101CPANEL SUB-ASSY, TOE BOARD
55102PANEL SUB-ASSY, DASH, LOWER
55129ACOVER, FRONT FLOOR HOLE
55219BPACKING, DASH PANEL HOLE COVER
57035PANEL SUB-ASSY, FRONT STEP, RH
57036PANEL SUB-ASSY, FRONT STEP, LH
57212BSTRENGTH, ANCHOR, NO.2
57232ASTRENGTH, ANCHOR SIDE, NO.2
57278EGUSSET, NO.6 CROSSMEMBER, UPPER
57394PACKING, FRONT STEP SERVICE HOLE
57417REINFORCEMENT, FRONT FLOOR UNDER, RH
57418REINFORCEMENT, FRONT FLOOR UNDER, LH
57435EMEMBER, CENTER FLOOR SIDE, RH
57451MEMBER, FRONT FLOOR CROSS
57453MEMBER, FRONT FLOOR CROSS, NO.3
57461BMEMBER SUB-ASSY, CENTER FLOOR CROSS, NO.1
57462AMEMBER, CENTER FLOOR CROSS, NO.2
57465AGUSSET, CENTER FLOOR CROSSMEMBER, RH
57508AREINFORCEMENT SUB-ASSY, FRONT FLOOR, RH
57509AREINFORCEMENT SUB-ASSY, FRONT FLOOR, LH
57513REINFORCEMENT, FRONT FLOOR, LH
57514REINFORCEMENT, FRONT FLOOR SIDE, LH
57515AREINFORCEMENT, FRONT FLOOR, CENTER
58102CREINFORCEMENT SUB-ASSY, FRONT FLOOR SIDE, RH
58103AREINFORCEMENT SUB-ASSY, FRONT FLOOR SIDE, LH
58104BBRACKET SUB-ASSY, FRONT SEAT MOUNTING, INSIDE, LH
58105BPANEL SUB-ASSY, FRONT FLOOR REAR UPPER SUB
58109ARETAINER SUB-ASSY, PARKING BRAKE
BLUISH GRAY,TRIM1#
BLUISH GRAY,TRIM1#
BLUISH GRAY,TRIM1#
58111PAN, FRONT FLOOR
58117AREINFORCEMENT, FRONT FLOOR SIDE, RH
58118CREINFORCEMENT, FRONT FLOOR SIDE, LH
58132CAPRON, FRONT FLOOR SIDE, NO.1 RH
58136COVER, FRONT FLOOR HOLE
58142AAPRON, FRONT FLOOR SIDE, NO.1 LH
58165BCOVER, FRONT FLOOR, RH
WHITE,TRIM1#; WHITE,TRIM12
YAMATOUNYU JORSEY CR,TRIM12
JERSEY CREAM,TRIM12
58166COVER, FRONT FLOOR, LH
WHITE,TRIM1#
YAMATOUNYU JORSEY CR,TRIM12
JERSEY CREAM,TRIM12
WHITE,TRIM1#
YAMATOUNYU JORSEY CR,TRIM12
58174AANGLE SUB-ASSY, FRONT FLOOR SIDE, LH
58223AREINFORCEMENT, FLOOR SIDE PANEL, RH
58224AREINFORCEMENT, FLOOR SIDE PANEL, LH
58316JPLATE, FOOTREST, REAR
58410COVER, ENGINE SERVICE HOLE
BLUISH GRAY,TRIM1#
BLUISH GRAY,TRIM1#
BLUISH GRAY,TRIM1#
58424DPACKING, ENGINE COVER
58431DSILENCER, ENGINE ROOM SIDE, FRONT RH
58436ESILENCER, FRONT FLOOR SIDE, A
58437ESILENCER, FRONT FLOOR SIDE, B
58440COVER ASSY, BATTERY SERVICE HOLE
BLUISH GRAY,TRIM1#
58445PACKING, BATTERY SERVICE HOLE COVER
58497PLATE, BATTERY SERVICE HOLE COVER LOCK
BLUISH GRAY,TRIM1#
BLUISH GRAY,TRIM1#
58735SILENCER, ENGINE
58755AHANDLE, ENGINE SERVICE COVER CATCH
58941BCOVER, PARKING BRAKE HOLE
BLUISH GRAY,TRIM1#
59263HOOK, ENGINE COVER LOCK
62222CGLASS, SIDE WINDOW, FRONT LOWER LH
9010906272
main90109-06272
9010906312
main90109-06312
9018305047
main90183-05047
9033325003
main90333-25003
9033335002
main90333-35002
9056010090
main90560-10090
9095001348
main90950-01348
9095001635
main90950-01635
91611B0614
main91611-B0614
91631G0614
main91631-G0614
91631J0612
main91631-J0612
9165140616
main91651-40616
9165160612
main91651-60612
9323915012
main93239-15012
9324016012
main93240-16012
9324056012
main93240-56012
9331116012
main93311-16012
9361015012
main93610-15012
75 parts on this diagram · 4 diagrams in section