E
EPC Data

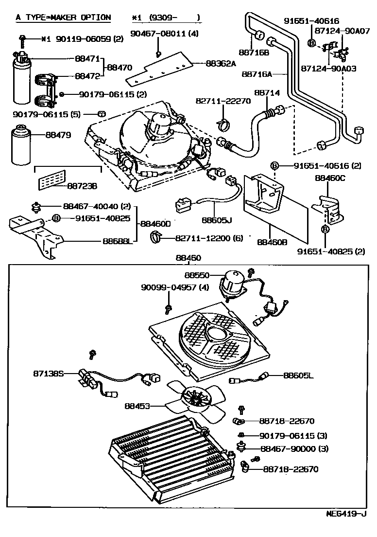
HEATING & AIR CONDITIONING - COOLER PIPING

Parts diagram
87138SRESISTOR, BLOWER
main87138-95410i198511-199505
88362APLATE,SEAL
main88362-90D03i198804-199505
main88362-90D04i198703-199505
main88362-90D05i198711-198804
NO.2
88453FAN, COOLING (FOR CONDENSER)
main88453-95A01i198508-199505
88460CONDENSER ASSY, COOLER
main88460-26190i199309-199505
main88460-26200i199309-199505
main88460-90D02i198508-198510
main88460-90D03i198510-198703
main88460-90D05i198703-198708
main88460-90D06i198711-199309
88460BBRACKET, COOLER CONDENSER, NO.1
main88409-90D06i198508-199505
88460CBRACKET, COOLER CONDENSER, NO.2
main88688-90D09i198508-199505
88460DBRACKET, COOLER CONDENSER, NO.3
main88409-90D07i198508-198510
A TYPE
main88409-90D08i198708-199505
main88409-90D09i198804-199505
main88688-90D11i198508-198510
B TYPE
88470RECEIVER & DRYER ASSY, COOLER
main88470-26080i199309-199505
main88470-90D00i198508-199309
88471TANK, RECEIVER AIR CONDITIONER
main88470-14010i198508-198804
main88471-20050i199309-199505
88472BRACKET, RECEIVER TANK, NO.1
main88473-37010i199309-199505
main88473-90D00i198508-198804
88479FREON GAS, AIR CONDITIONER (DRUM, COOLER REFRIGERANT)
main90986-02001×2i198508-198804
main90986-02006i199309-199505
main90986-02008×2i199309-199505
88550MOTOR ASSY, BLOWER (FOR CONDENSER)
main87104-95406i198508-199505
88605JHARNESS SUB-ASSY, AIR CONDITIONER WIRING
main88605-90D07i198804-199505
88605LHARNESS SUB-ASSY, WIRING AIR CONDITIONER
main88605-26660i199309-199505
88688LBRACKET, CONDENSER PACKING
main88688-90D11i198703-199505
88714HOSE, COOLER REFRIGERANT LIQUID, NO.1
main88721-26180i199309-199505
main88721-26190i199309-199505
main88721-90D02i198508-199309
main88721-90D03i198711-199309
88716APIPE, COOLER REFRIGERANT LIQUID, A
main88716-26530i199309-199505
main88716-90D17i198508-199309
88716BPIPE, COOLER REFRIGERANT LIQUID, B
main88716-26520i199309-199505
main88716-90D16i198508-199309
88723BLABEL, COOLER SERVICE CAUTION
main88723-20030i199309-199505
main88723-22040i198910-199309
8271112200WIRE, FUSE TO FUSE(FOR COMBUSTION HEATER)
8271122270WIRE, FUSE TO FUSE(FOR COMBUSTION HEATER)
8712490A03CLAMP, HEATER
8712490A07CLAMP, HEATER
8846740040CUSHION, COOLER CONDENSER, NO.1
8846790D00CUSHION, COOLER CONDENSER, NO.1
8871822670PIPE, COOLER REFRIGERANT SUCTION, NO.2
9009904957
9011906059
9017906115
9046708011
9165140616
9165140825

32 parts on this diagram · 6 diagrams in section

HEATING & AIR CONDITIONING - COOLER PIPING — Toyota Parts Diagram with OEM Numbers & Prices | EPC Data