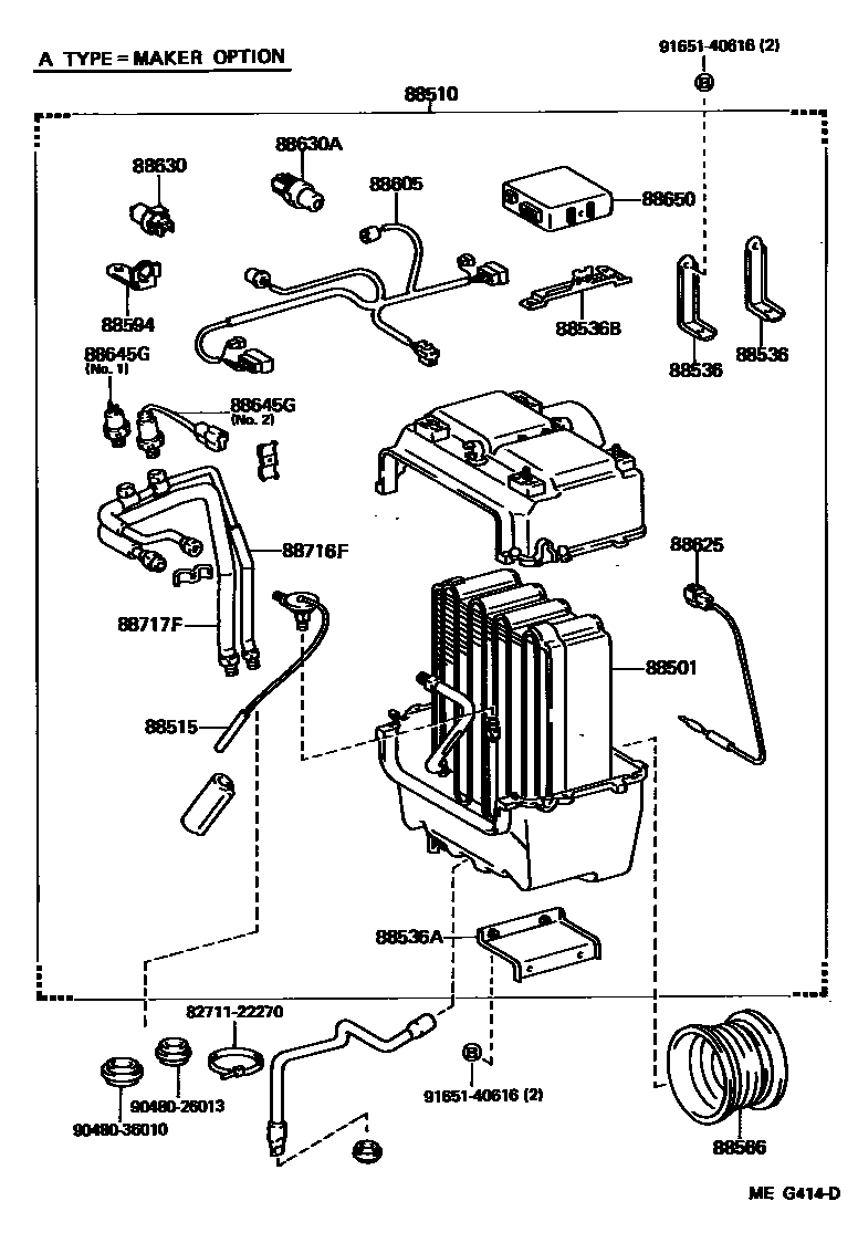
HEATING & AIR CONDITIONING - COOLER UNIT

88501EVAPORATOR SUB-ASSY, COOLER, NO.1
88510UNIT ASSY, COOLER
A TYPE
B TYPE
A TYPE
B TYPE
B TYPE
88536BRACKET, COOLING UNIT, NO.1
88536ABRACKET, COOLING UNIT, NO.2
B TYPE
88536BBRACKET, COOLING UNIT, NO.3
88566DUCT, COOLER AIR, NO.1
88594BRACKET, COOLER RELAY
88605HARNESS SUB-ASSY, COOLER WIRING, NO.1
88625THERMISTOR, COOLER, NO.1
88630RELAY ASSY, COOLER
88630ARELAY ASSY, COOLER
88645GSWITCH, PRESSURE
A TYPE NO.1
NO.2
MAKER OPTION
DEALER OPTION
B TYPE,NO.1
B TYPE,NO.1
88650AMPLIFIER ASSY, COOLER STABILIZER
88716FPIPE, COOLER REFRIGERANT LIQUID, F
88717FPIPE, COOLER REFRIGERANT SUCTION, F
A TYPE
A TYPE
8271122270WIRE, FUSE TO FUSE(FOR COMBUSTION HEATER)
main82711-22270
9048026013
main90480-26013
9048036010
main90480-36010
9165140616
main91651-40616
20 parts on this diagram · 3 diagrams in section