E
EPC Data

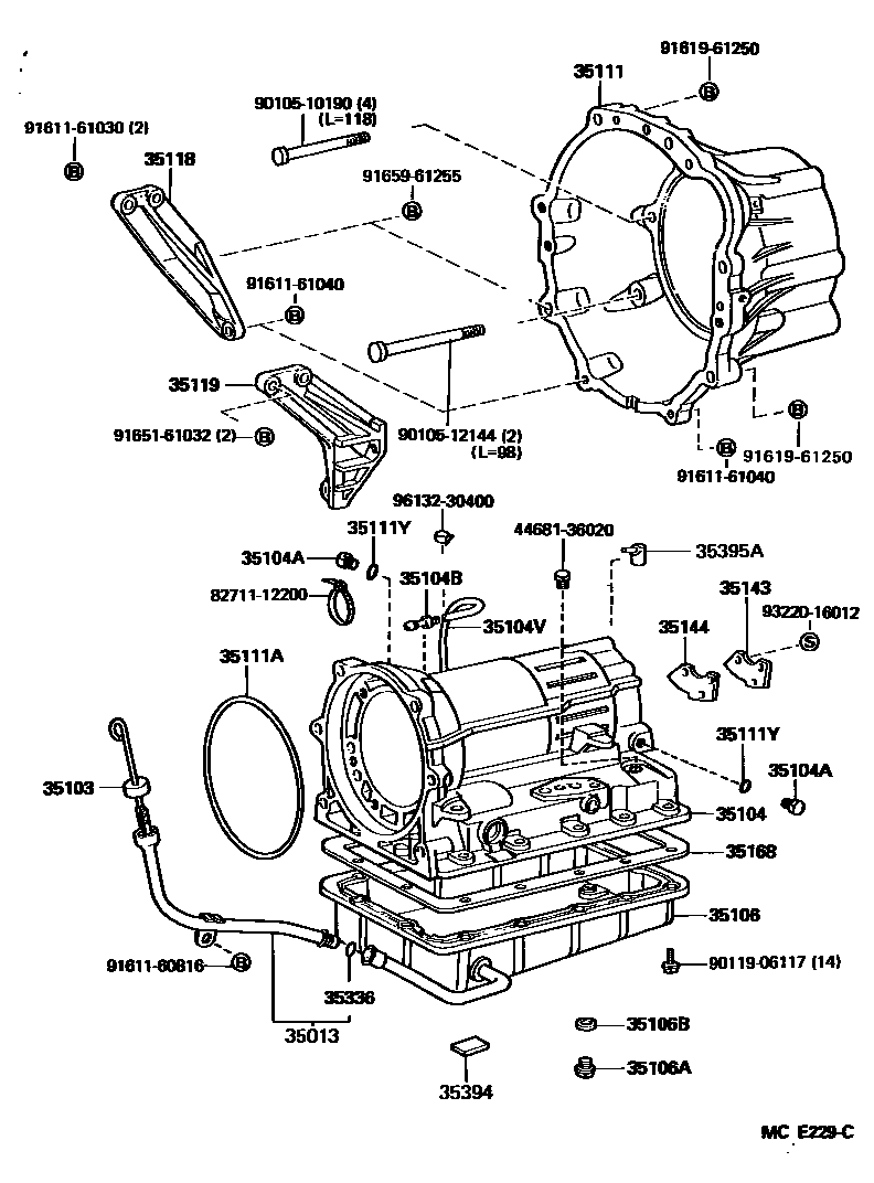
TRANSMISSION CASE & OIL PAN (ATM)

Parts diagram
35013TUBE SUB-ASSY, TRANSMISSION OIL FILLER
main35013-26030i198708-198709
main35013-26050i198709-198808
main35013-26090i198910-199309
main35013-26091i199309-199505
35103GAGE SUB-ASSY, TRANSMISSION OIL LEVEL
main35103-26080i198910-199505
main35103-30131i198708-198910
35104CASE SUB-ASSY, AUTOMATIC TRANSMISSION
main35104-26021i198708-199505
35104APLUG, AUTOMATIC TRANSMISSION CASE
main90341-08001×2i198708-199505
35104BPLUG, BREATHER, NO.1 (ATM)
main90930-03098i198708-198804
T/M CASE SIDE
main90930-03099i198708-198804
THROTTLE CABLE SIDE
35104VHOSE (FOR BREATHER PLUG)
main90445-11084i198708-199204
main90445-11096i199204-199505
35106PAN SUB-ASSY, AUTOMATIC TRANSMISSION OIL
main35106-28030i199411-199505
main35106-30050i198708-198908
main35106-30051i198908-199411
35106APLUG SUB-ASSY, DRAIN (ATM)
main90341-10006i198708-199505
35106BGASKET, DRAIN PLUG (ATM)
main35178-30010i198708-199505
35111HOUSING, AUTOMATIC TRANSMISSION
main35111-22060i198708-199505
35111ARING, O (FOR AUTOMATIC TRANSMISSION HOUSING)
main90301-99054i198708-199505
35111YRING, O (FOR AUTOMATIC TRANSMISSION CASE)
main90301-06196×2i198708-199505
35118PLATE, STIFENER, RH (ATM)
main33118-25020i198708-199505
35119PLATE, STIFENER, LH (ATM)
main33119-25020i198708-199505
35143COVER, TRANSMISSION CASE, REAR
main35143-22010i198708-199505
35144GASKET, TRANSMISSION CASE REAR COVER
main35144-22010i198708-199012
main35144-28010i199012-199505
35168GASKET, AUTOMATIC TRANSMISSION OIL PAN
main35168-22011i198708-199505
35336RING, O (FOR TRANSMISSION OIL FILLER TUBE)
main90301-09173i198708-199505
35394MAGNET, OIL CLEANER (FOR TRANSMISSION)
main35394-30011×2i198708-199505
35395ASTRAINER, GOVERNOR OIL
main35395-40010i198808-199505
4468136020PLUG, BOOSTER
8271112200WIRE, FUSE TO FUSE(FOR COMBUSTION HEATER)
9010510190
9010512144
9011906117
9161160816
9161161030
9161161040
9161961250
9165161032
9165961255
9322016012
9613230400

33 parts on this diagram · 1 diagram in section

TRANSMISSION CASE & OIL PAN (ATM) — Toyota Parts Diagram with OEM Numbers & Prices | EPC Data